Запчасти Case IH 268 (07-115) - TRANSMISSION CONTROLS, HYDRO DE-LUXE CAB (04) - Drive Train

Схема запчастей Case IH 268 - (07-115) - TRANSMISSION CONTROLS, HYDRO DE-LUXE CAB (04) - Drive Train
6
24
14
22
7
1
9
21
19
2
12
16
17
4
25
10
9
28
27
11
13
15
3
17
16
20
8
26
18
23
5
FIT
1:1
100%

Артикул

Название

Примечание

Количество

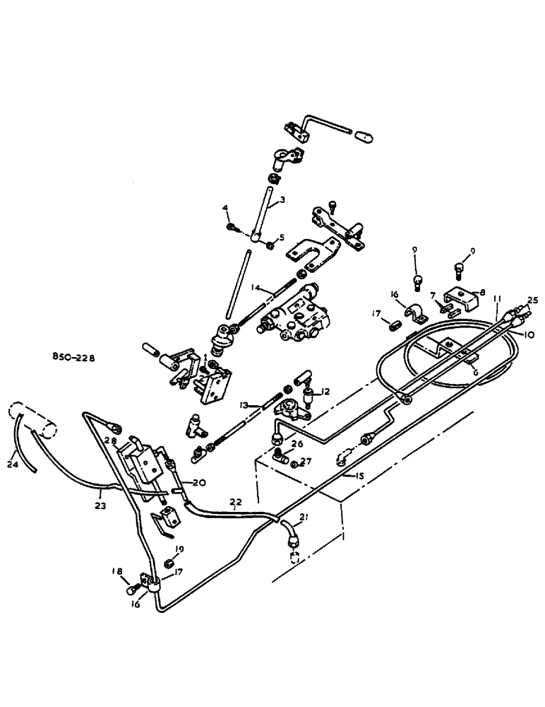
1

180122

BOLT,Hex, 3/8" - 16 x 1", Gr 5

2шт.

2

120382

LOCK WASHER,Helical Spring, 3/8"

2шт.

3

3125745R1

EXTENSION

1шт.

4

3125746R1

SCREW M5 X 35 CHEESE HD

2шт.

5

3125747R1

NUT

M5 SELF-LOCKING

2шт.

6

3125748R1

BRACKET

1шт.

7

3125749R1

DAMPER

SUPPORT, RUBBER

2шт.

8

3125750R1

ANGLE

SPARE PART

1шт.

9

3125751R1

SCREW

M6 X 30 SET

2шт.

10

3125752R1

TUBE

L.H.

1шт.

11

3125753R1

TUBE

R.H.

1шт.

12

3125754R1

CONNECTOR, ELEC

CONNECTOR

1шт.

13

3125755R1

ROD

SPARE PART TIE SPEED CONTROL

1шт.

14

3125756R1

ROD

TIE FORWARD/REVERSE

1шт.

15

3125757R1

TUBE

CPTE PRESSURE

1шт.

16

3125758R1

RETAINER

SPARE PART

2шт.

17

3125749R1

DAMPER

SUPPORT, RUBBER

2шт.

18

930242R1

BOLT,Hex, M6 x 1 x 12mm, Cl 8.8, Full Thd

Set

2шт.

19

30208R1

NUT,M6, Cl 10

M6

1шт.

20

3125759R1

TUBE

T- RETURN

1шт.

21

3125760R1

TUBE

BOTTOM RETURN

1шт.

22

3125761R1

TUBE

BRAKE

1шт.

23

3125762R1

TUBE

SPARE PART BRAKE RETURN

1шт.

24

3125763R1

TUBE

SPARE PART BRAKE FEED PIPE

1шт.

25

3125764R1

PLUG

PIPE

1шт.

26

3125765R1

ELBOW

CONNECTOR, ANGLE

1шт.

27

3125766R1

O-RING

1шт.

28

3125767R1

BRACKET

VALVE

1шт.

Выбрано товаров: 28