Запчасти Case IH 268 (07-154) - PROPELLER SHAFT, 4-WHEEL DRIVE (04) - Drive Train

Схема запчастей Case IH 268 - (07-154) - PROPELLER SHAFT, 4-WHEEL DRIVE (04) - Drive Train
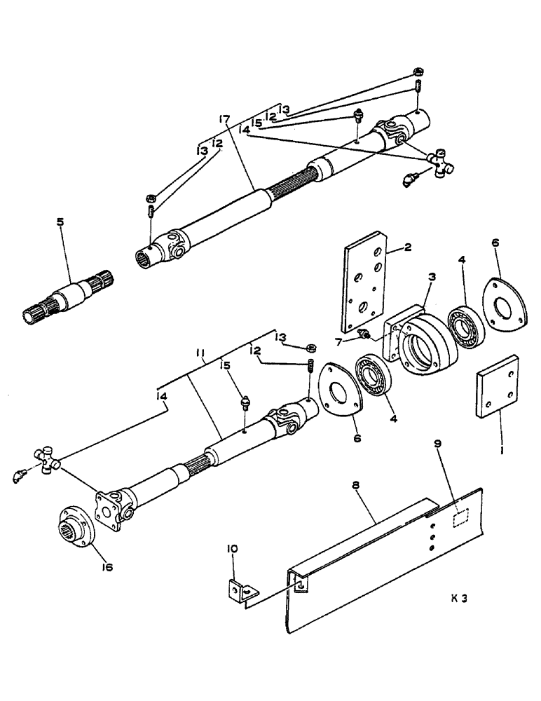
6
11
12
8
16
3
9
14
12
14
13
7
5
13
10
4
12
17
6
1
4
15
2
13
15
FIT
1:1
100%

Артикул

Название

Примечание

Количество

1

3121579R1

SPACER

INCLUDES BOLTS AND WASHERS

1шт.

24889R1

BOLT,Hex, 3/4" - 10 x 2 1/4", Gr 8

3шт.

131142

LOCK WASHER,3/4"

3шт.

2

1004129C1

BRACKET

INCLUDES SCREWS AND WASHERS

1шт.

24889R1

BOLT,Hex, 3/4" - 10 x 2 1/4", Gr 8

3шт.

131142

LOCK WASHER,3/4"

3шт.

3

1002989C1

BLOCK

PILLOW, KIMCO

1шт.

3

3125817C1

BLOCK PILLOW, U.K. FITMENT, INCLUDES SHIELD AND SCREWS

1шт.

3129499R1

BEARING COVER

PILLOW BLOCK BRG. DIRT

1шт.

25274R1

BOLT,Hex, 1/2" - 13 x 1 1/8", Gr 8

1/2-13 X 1-1/8, KIMCO

4шт.

4

1014678C1

BEARING ASSY

BALL

2шт.

5

1002992C1

SHAFT

PILLOW BLOCK

1шт.

6

1002991C1

COVER

PILLOW BLOCK, INCLUDES SCREWS, WASHERS AND NUTS

2шт.

25678R1

BOLT,Hex, 5/16" - 18 x 3 1/4", Gr 8

5/16-18 X 3-1/4

3шт.

120638

LOCK WASHER

5/16

3шт.

25520R1

NUT,5/16"-18, G8

5/16-18

3шт.

7

973356C1

LUBE NIPPLE

GREASE, KIMCO

1шт.

7

109461

LUBE NIPPLE,1/8"-27 x .66 lg

UK Fitment

1шт.

8

NOT APPLICABLE

1шт.

9

1093136R1

PRODUCT GRAPHIC

CAUTION

1шт.

10

NOT APPLICABLE

1шт.

11

1014638C13

SHAFT ASSY.

PROPELLER, INCLUDES SCREWS

1шт.

1002113C2

BOLT,Hex, M10 x 1.25 x 35mm

4шт.

12

3125345R1

SET SCREW

M8 X 20 MM CONE POINT, SETSCREW FIXING YOKE

3шт.

12

1062798C1

BOLT

THROUGH BOLT FIXING YOKE

2шт.

12

24866R1

BOLT,Hex, 1/2" - 13 x 2 1/2", Gr 8

Through bolt larger dia

6шт.

13

43362

NUT,M8 x 1.25, Cl 10

Set Screw Fixing Yoke

3шт.

13

1062799C1

NUT

INCLUDES WASHERS

2шт.

1062800C1

WASHER

THROUGH BOLT FIXING YOKE

4шт.

13

9412230

LOCK NUT

1/2-13 HEX, INCLUDES WASHERS

6шт.

NLS

NO LONGER SERVICED

FOR SHAFT W/LARGER DIA BOLT

12шт.

14

1014552C1

BEARING ASSY

BEARING, INCLUDES FITTING

4шт.

1014682C1

FITTING

GREASE

4шт.

15

109461

LUBE NIPPLE,1/8"-27 x .66 lg

2шт.

16

1014556C1

FLANGE

SPLINE, INCLUDES SCREWS AND NUTS

1шт.

1002113C2

BOLT,Hex, M10 x 1.25 x 35mm

4шт.

1004154C1

NUT

4шт.

17

1002644C95

SHAFT ASSY.

PROPELLER

1шт.

Выбрано товаров: 38