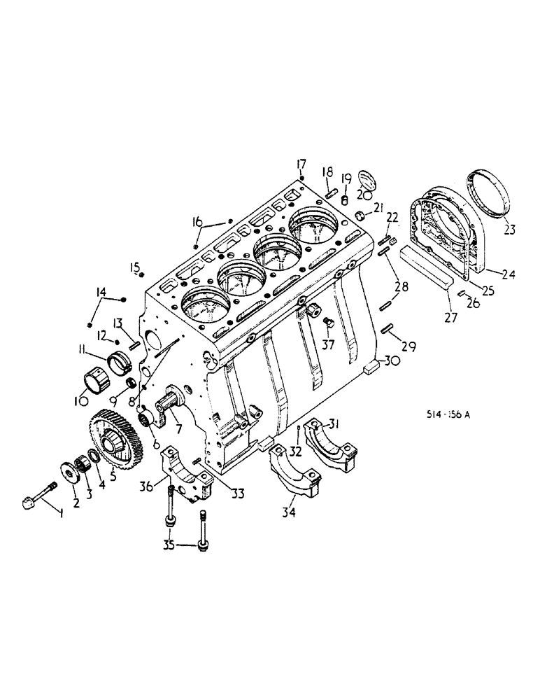
Запчасти Case IH 268 (12-067) - CRANKCASE AND RELATED PARTS Power

Схема запчастей Case IH 268 - (12-067) - CRANKCASE AND RELATED PARTS Power
25
3
21
15
17
34
23
2
33
8
13
4
27
19
9
32
29
12
1
18
6
26
30
5
7
35
16
24
36
37
28
10
22
11
20
31
14
FIT
1:1
100%

Артикул

Название

Примечание

Количество

1

3055374R2

BOLT

IDLER GEAR CARRIER

1шт.

2

3055372R1

DISC

RING, ANTI-WEAR IDLER GEAR

1шт.

3

3058816R91

NEEDLE BEARING CAGE,35mm ID x 42mm OD x 17.8mm W

RETAINER

1шт.

3

3136515R91

BEARING

RETAINER, NEEDLE, OPTIONAL

1шт.

4

787656R1

SPACER,35.5mm ID x 41mm OD x 4mm L

RING, DISTANCE

1шт.

5

3055043R3

PINION

GEAR, IDLER

1шт.

6

3058816R91

NEEDLE BEARING CAGE,35mm ID x 42mm OD x 17.8mm W

RETAINER

1шт.

6

3136515R91

BEARING

RETAINER, NEEDLE, OPTIONAL

1шт.

7

3055373R1

CARRIER

IDLER GEAR

1шт.

8

3055989R1

STUD

FRONT

1шт.

9

933537R1

PLUG,M25, Conical

COVER, CLOSING

1шт.

10

3055008R2

CRANKSHAFT BEARING,57.56mm ID x 63.1mm OD x 30mm W

CAMSHAFT FRONT

1шт.

11

3055009R2

BEARING LINER

CAMSHAFT

4шт.

12

103883

PIPE PLUG,Slotted, Headless, 1/8" NPT

3шт.

13

141242

DOWEL

PIN

1шт.

14

3144520R1

PLUG

SLOTTED HEADLESS PIPE

2шт.

15

3136004R1

COVER

CLOSING

1шт.

16

3144520R1

PLUG

SLOTTED HEADLESS PIPE

2шт.

17

3136004R1

COVER

CLOSING

1шт.

18

242284

PIN, DOWEL

1шт.

19

3055007R1

BUSHING

DOWEL

2шт.

20

172602

SUPPORT

EXPANSION

1шт.

21

933537R1

PLUG,M25, Conical

COVER, CLOSING

2шт.

22

3055270R1

STUD

REAR

1шт.

23

3138701R91

SEAL

1шт.

24

3055216R1

RETAINER

INCLUDES SCREWS, NUT AND WASHERS

1шт.

179816

BOLT,Hex, 5/16" - 18 x 3/4", Gr 5

8шт.

9635082

NUT,5/16" - 18, Gr 5

1шт.

3218395R1

BELLEVILLE WASHER,8.199mm ID x 16mm OD x 0.9mm Thk

9шт.

25

3055215R1

GASKET

CRANKSHAFT SEAL RETAINER

1шт.

26

714868R1

SEALING STRIP

SEALING

2шт.

27

3055214R1

SUPPORT

CRANKCASE SEALING

1шт.

28

NLS

NO LONGER SERVICED

PIN

2шт.

29

141284R1

PIN, DOWEL

1шт.

30

3136316R21

CRANKCASE

1шт.

CONSISTS OF 1 CRANKCASE, 3 PLUGS 103833, 4 PLUGS 3144520R1, 4 PINS 141242, 2 PINS 141284, 1 PLUG 172602, 2 COVERS 933537R1, 1 COVER 3136004R1, 10 SCREWS 3132885R1, 1 PLUG 3055173R1, 1 STUD 3055270R1, 1 BEARING 3055008R2, 4 BEARINGS 3055009R2, 2 BUSH 3055007R1

1шт.

31

3144434R91

CRANKSHAFT BEARING

PACKAGE, CAP, REAR, CONSISTS OF 1 CAP, 2 BOLTS, INSTRUCTION PAMPHLET

4шт.

32

3055173R1

PLUG

1шт.

33

141242

DOWEL

PIN

1шт.

34

3144440R91

BEARING ASSY

PACKAGE, CAP, CONSISTS OF 1 CAP, 2 BOLTS, INSTRUCTION PAMPHLET

1шт.

35

3138885R1

SCREW

CRANKSHAFT BEARING CAP

10шт.

36

NS

NOT SERVICED

CAP, BEARING, FRONT

1шт.

37

20990R1

PLUG

DRAIN

1шт.

Выбрано товаров: 43