Запчасти Case IH 2706 (F-13) - HYDRAULICS SYSTEM, DRAFT CONTROL (07) - HYDRAULIC SYSTEM

Схема запчастей Case IH 2706 - (F-13) - HYDRAULICS SYSTEM, DRAFT CONTROL (07) - HYDRAULIC SYSTEM
42
62
87
30
83
56
68
63
4
55
3
50
5
8
88
28
58
57
17
51
53
54
33
43
82
37
38
29
72
88
24
27
30
10
81
80
26
73
79
11
66
13
41
60
34
40
12
16
67
86
39
6
18
69
32
84
25
47
35
45
22
85
61
49
44
78
19
83
48
21
71
14
7
75
15
76
2
59
20
46
52
74
31
70
23
77
64
9
36
1
65
FIT
1:1
100%

Артикул

Название

Примечание

Количество

398344R91

PARTS ACCESSORY, hydraulic draft control, tractors with 12 GPM power supply, will work for 381414R92

1шт.

386885R91

PACKAGE, rear frame cover service, consists of cover, 385935R92, pipe, 385932R11, screw, 179812 & washer, 103320, Farmall 706 series 501 to 4557, International 706 series, Serial Range: 501-964

1шт.

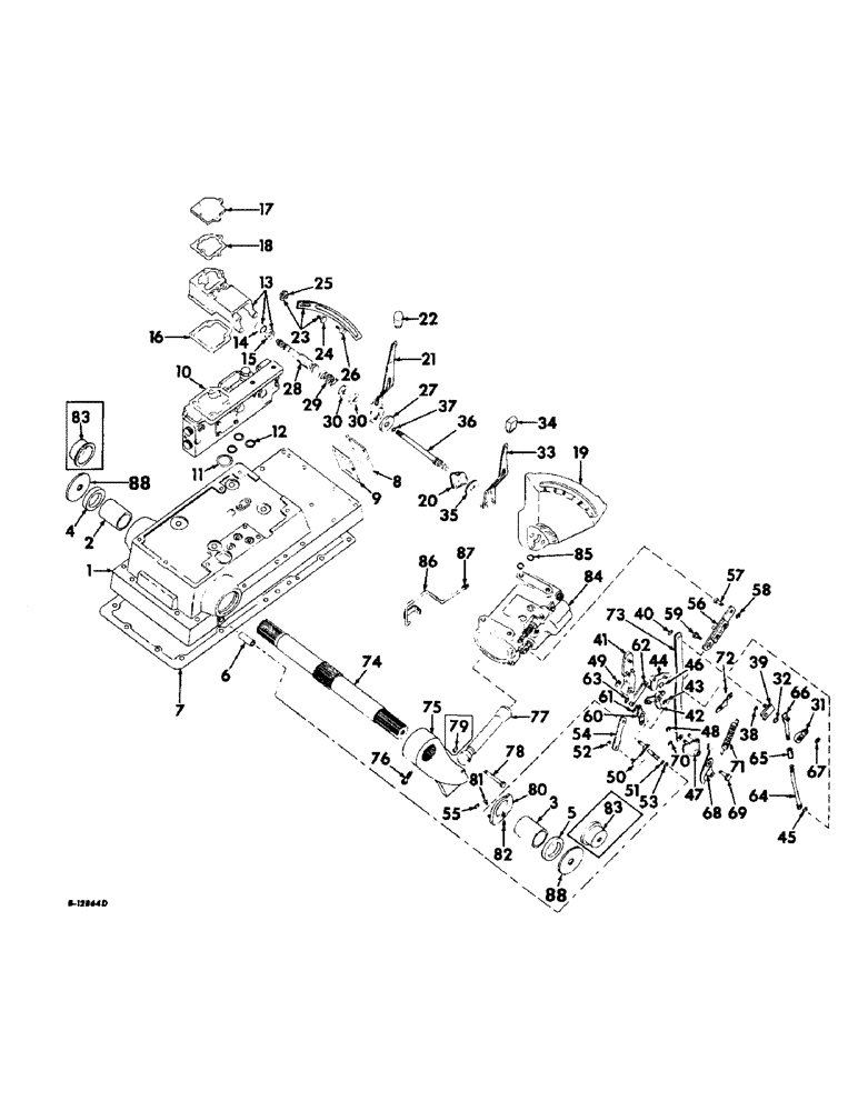
1

398353R91

COVER W/TWO BEARINGS, bushing and two oil seals, rear frame, Farmall 706 series 4558 up, International 706 series 965 up

1шт.

444776

PLUG,Sq Soc, 1/4"-18 NPTF

1/4-18 NPTF sq-soc pipe, will work for 385935R92

1шт.

2

382774R2

BUSHING,70.78mm ID x 76.2mm OD x 80.26mm L

BEARING, rockshaft LH

1шт.

3

382775R2

BUSHING,76.85mm ID x 81.28mm OD x 80.26mm L

BEARING, rochshaft RH

1шт.

4

382776R91

OIL SEAL

rockshaft oil LH

1шт.

5

382778R91

OIL SEAL

rockshaft RH oil

1шт.

6

382798R1

BUSHING

eccentric shaft position control

1шт.

7

380264R2

GASKET

rear frame cover

1шт.

8

382415R1

COVER

valve adj opening

1шт.

179814

SPACER

6шт.

9

382416R1

GASKET

valve adj opening cover

1шт.

10

399600R92

SUPPORT ASSY, RH seat, for components see list of parts under details of seat & hydraulic component support, will work for 383142R96

1шт.

279991R1

SCREW

W/PELLET INSERT, 1/2-13 x 1-1/2 hex-hd. cap

1шт.

179841

BOLT,Hex, 3/8" - 16 x 1 1/4", Gr 5

3/8-16 x 1-1/4 hex-hd cap

2шт.

103323

LOCK WASHER,1/2"

WASHER, LOCK, 1/2"

1шт.

103321

LOCK WASHER,3/8"

WASHER, LOCK, 3/8"

2шт.

11

384377R1

O-RING,0.103" Thk x 2.55" ID, -141, Cl 6, 90 Duro

2-5/16 x 2-1/2 x 3/32, hyd component housing large

1шт.

12

381884R1

O-RING,0.103" Thk x 0.987" ID, -120, Cl 6, 90 Duro

1 x 1-3/16 x 3/32, hyd component housing small

1шт.

12

386867R1

O-RING,0.103" Thk x 1.11" ID, -122, Cl 6, 90 Duro

1-1/8 x 1-5/16 x 3/32, hyd component housing

1шт.

13

382792R11

SUPPORT ASSY.

SUPPORT ASSY, draft control quadrant

1шт.

138250

SCREW, 3/8-16 x 3 hex-soc-hd. cap

2шт.

280161

BOLT,Hex, 3/8" - 16 x 3", Gr 5

2шт.

103321

LOCK WASHER,3/8"

WASHER, LOCK, 3/8"

2шт.

14

401836R1

BEARING ASSY, quadrant support, will work for 376011R11

1шт.

15

383133R91

SEAL

quadrant support oil

1шт.

16

382793R1

GASKET

quadrant support opening

1шт.

17

382794R1

COVER

quadrant support

1шт.

179791

BOLT,Hex, 1/4" - 20 x 1/2", Gr 5

4шт.

18

382795R1

GASKET

quadrant support cover

1шт.

19

399384R1

SECTOR

QUADRANT, control, will work for 382796R1

1шт.

179828

BOLT,Hex, 5/16" - 18 x 2 1/2", Gr 5

3шт.

103320

LOCK WASHER,5/16"

WASHER, LOCK, 5/16"

3шт.

20

382797R1

BEARING, sensitivity control shaft

1шт.

21

382799R21

HANDLE ASSY, position control

1шт.

22

382801R1

BALL

KNOB, position control handle

1шт.

23

378619R11

GUIDE

ASSY, position control handle

1шт.

413-48

BOLT,Hex, 1/4" - 20 x 1/2", Gr 5

SCREW, 1/4-20 x 1/2 C-Z hex-hd. cap

2шт.

492-11025

LOCK WASHER,1/4"

WASHER, LOCK, 1/4"

2шт.

24

371599R2

LARGE PIN

PIN, adjustable stop

1шт.

25

371600R2

HANDLE

KNOB, adjustable stop pin

1шт.

26

378620R1

STOP

pisition control handle

1шт.

144417H

NUT,1/4"-28, GB

1/4-28 C-Z Esna stop

1шт.

27

376056R1

DISC

position control handle friction

1шт.

28

382802R11

SHAFT

ASSY, position control

1шт.

29

378067R1

SPRING

position control handle friction

1шт.

30

376063R1

NUT

position control handle friction spring

2шт.

103346

WASHER

13/16 x 1-1/2 x .134

1шт.

31

382803R2

LEVER, position control

1шт.

32

378066R1

SNAP RING,#X74, .616" Dia, E-Type

Ring, Retaining, #X74, .616" Dia., E-Type, position control shaft

2шт.

33

382804R21

HANDLE

ASSY, sensitivity control

1шт.

34

382805R1

KNOB

sensitivity control handle

1шт.

35

380421R1

FRICTION WASHER

DISC, sensitivity control handle friction

1шт.

36

384602R91

SHAFT

ASSY, sensitivity control lever

1шт.

114503

JAM NUT,Jam, 3/8"-16, G5

2шт.

376066R1

BELLEVILLE WASHER

Bellville

3шт.

Q1597

WASHER

13/32 x 3/4 x 16 ga.

1шт.

37

355967R1

O-RING,0.364" ID x 0.003" Width

3/8 x 1/2 x 1/16, sensitivity control shaft

1шт.

38

110668R1

CIRCLIP,#37, .300" Dia, E-Type

Ring, Retaining, #37, .300" Dia., E-Type, sensitivity control shaft

1шт.

39

382807R11

LEVER ASSY, sensitivity control

1шт.

40

110668R1

CIRCLIP,#37, .300" Dia, E-Type

Ring, Retaining, #37, .300" Dia., E-Type, sensitivity control lever pin

1шт.

41

384511R91

SUPPORT

ASSY, position control stop pivot

1шт.

179840

BOLT,Hex, 3/8" - 16 x 1 1/8", Gr 5

SCREW, 3/8-16 x 1-1/8 hex-hd. cap

1шт.

413-622

BOLT,Hex, 3/8" - 16 x 1-3/8", Gr 5

SCREW, 3/81-6 x 1-3/8 hex-hd. cap

1шт.

103321

LOCK WASHER,3/8"

WASHER, LOCK, 3/8"

2шт.

42

384513R11

LEVER

ASSY, draft control stop

1шт.

43

381478R1

SNAP RING,#X43, .375" Dia, E-Type

Ring, Retaining, #X43, .375" Dia., E-Type, draft control stop lever

1шт.

44

382825R11

LEVER

BELLCRANK ASSY, position control

1шт.

45

110668R1

CIRCLIP,#37, .300" Dia, E-Type

Ring, Retaining, #37, .300" Dia., E-Type, position control bellcrank pin

1шт.

46

204502R1

SNAP RING,#43, Ext

Position control bellcrank #43, Ext

1шт.

47

382828R91

LEVER

ECCENTRIC ASSY, draft control

1шт.

48

110668R1

CIRCLIP,#37, .300" Dia, E-Type

Ring, Retaining, #37, .300" Dia., E-Type, draft control eccentric shaft

1шт.

49

370290R1

SNAP RING,#50, .392" Dia, E-Type

Ring, Retaining, #50, .392" Dia., E-Type, draft control eccentric

1шт.

50

384399R91

ECCENTRIC

ECCETRIC ASSY, position control

1шт.

51

355967R1

O-RING,0.364" ID x 0.003" Width

3/8 x 1/2 x 1/16, eccentric shaft

1шт.

52

110668R1

CIRCLIP,#37, .300" Dia, E-Type

Ring, Retaining, #37, .300" Dia., E-Type, position control eccentric pin

1шт.

53

971043R1

SNAP RING,#50, Ext

Eccentric shaft #50, Ext

1шт.

54

382838R1

LINK

, Serial Range: eccentric-rockshaft

1шт.

55

110668R1

CIRCLIP,#37, .300" Dia, E-Type

Ring, Retaining, #37, .300" Dia., E-Type, eccentric to rockshaft link

1шт.

56

384515R12

LINK ASSY, walking, Serial Range: beam-valve

1шт.

57

382841R1

PIN

walking, Serial Range: beam-valve

1шт.

58

110668R1

CIRCLIP,#37, .300" Dia, E-Type

Ring, Retaining, #37, .300" Dia., E-Type, valve pin

1шт.

59

382842R1

SCREW,Shldr, Hex, 5/16" - 18 x 0.65", W/ Nylon Pellet

shoulder

1шт.

60

382843R11

BEAM

ASSY, follow-up walking

1шт.

61

110668R1

CIRCLIP,#37, .300" Dia, E-Type

Ring, Retaining, #37, .300" Dia., E-Type, follow-up walking beam

1шт.

62

382845R1

LINK

walking, Serial Range: beam-Bellcrank

1шт.

63

104977R1

SNAP RING,#X31, .243" Dia, E-Type

RING, RETAINING, , Walking beam to bellcrank #X31, .243" Dia, E-Type

1шт.

64

382846R1

ROD

position control, lower

1шт.

65

382847R1

TURNBUCKLE

position control rod

1шт.

114503

JAM NUT,Jam, 3/8"-16, G5

1шт.

66

382848R11

ROD

ASSY, position control, upper

1шт.

67

110668R1

CIRCLIP,#37, .300" Dia, E-Type

Ring, Retaining, #37, .300" Dia., E-Type, position control rod pin

1шт.

68

382787R1

ROD

ARM, draft control sensing pick-up

1шт.

69

382788R1

PIN

sensing pick-up arm

1шт.

70

110668R1

CIRCLIP,#37, .300" Dia, E-Type

Ring, Retaining, #37, .300" Dia., E-Type, sensing pick-up arm pin

1шт.

71

387413R1

SPRING

sensing arm return

1шт.

72

387414R1

ANCHOR

spring, part of cylinder & valve, 381376R97

1шт.

73

382786R1

LEVER

LINK, draft control eccentric to sensing lever

1шт.

74

388573R1

ROCKSHAFT

hyd. draft control, also order two washers, 388574R1 for Farmall tractors 501 to 15825 and International tractors, Serial Range: 501-2411

1шт.

75

382810R2

ROD

BELLCRANK, rockshaft

1шт.

76

382811R1

SET SCREW,Hex, 3/8" - 16, Lok-Thd x 1 1/2", Cone Pt

rockshaft Bellcrank lok-thread set

1шт.

77

382812R4

ROD

piston connecting

1шт.

78

398314R1

SPARE PART

PIN, 1/4 x 2-13/16 x 2-43/64 headed, piston connecting rod, also order pin, 103384 & washer, 16558R1 for Farmall tractors up to serial no. 26008 or International tractors up to serial no. 4193

1шт.

103384

COTTER PIN,1/8" x 3/4"

Pin, Split (Cotter), 1/8" x 3/4"

1шт.

16558R1

WASHER

17/64 x 5/8 x .049 ga.

1шт.

79

379310R1

SNAP RING,#25, .207" Dia, E-Type

Ring, Retaining, #25, .207" Dia., E-Type, piston connecting rod pin, Farmall tractors up to serial no. 26008, International tractors up to serial no. 4193

1шт.

80

384518R11

CAM

ASSY, rockshaft actuating hub

1шт.

81

376057R1

BUCKET TOOTH KEY

KEY, rockshaft actuating hub cam

1шт.

82

382816R1

SET SCREW

rockshaft actuating hub cam set

1шт.

83

382818R1

RETAINER

rockshaft arm, Farmall tractors 501 to 15825, International tractors, Serial Range: 501-2411

1шт.

271556

WHEEL CYLINDER,Hex, 5/8" - 11 x 1 1/4", Gr 5

SCREW, 5/8-11 x 1-1/4 hex-hd. cap

2шт.

84

NSS

NOT SOLD SEPARAT

CYLINDER & VALVE ASSY, draft control, for components see list of parts under details of draft control cylinder & valve

1шт.

271560

PANEL,Hex, 5/8" - 11 x 1 3/4", Gr 5

2шт.

NLS

NO LONGER SERVICED

SCREW, 5/8-11 x 3-3/4 hex-hd. cap

2шт.

85

387926R2

RING

seal, Serial Range: cylinder-cover

2шт.

86

385942R91

TUBE

ASSY, cylinder lub, also order drop control valve, 385940R91 if lub tube is not connected with coupling nut

1шт.

179816

BOLT,Hex, 5/16" - 18 x 3/4", Gr 5

1шт.

103320

LOCK WASHER,5/16"

WASHER, LOCK, 5/16"

1шт.

87

19984R1

TUBE NUT,7/16"-24

NUT, 7/16-24 hi-duty tube fitting

1шт.

88

388574R1

WASHER,16.51mm ID x 82.55mm OD x 4.78mm Thk

rockshaft arm retainer, Farmall tractors 15826 up, International tractors 2412 up

2шт.

271556

WHEEL CYLINDER,Hex, 5/8" - 11 x 1 1/4", Gr 5

SCREW, 5/8-11 x 1-1/4 hex-hd. cap

2шт.

Выбрано товаров: 122