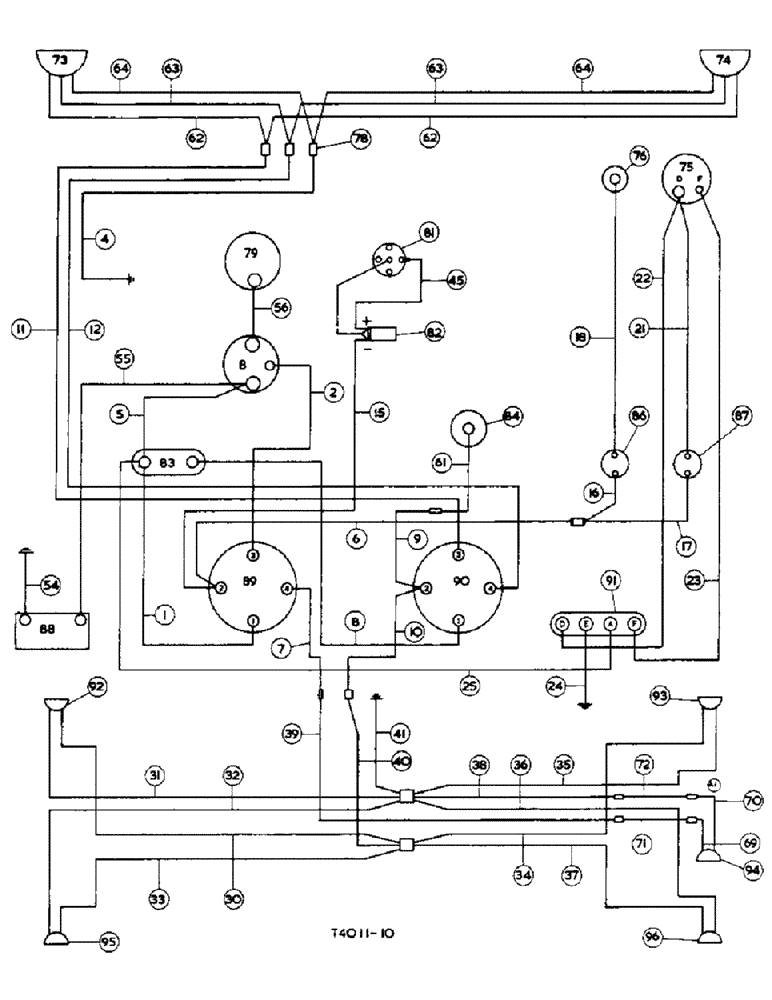
Запчасти Case IH 276 (7-18) - ELECTRICAL SYSTEM, HI-CLEAR, PETROL (04) - ELECTRICAL SYSTEMS

Схема запчастей Case IH 276 - (7-18) - ELECTRICAL SYSTEM, HI-CLEAR, PETROL (04) - ELECTRICAL SYSTEMS
10
96
78
35
36
93
11
81
8
7
4
2
54
1
24
1
15
63
2
74
37
94
56
76
3
30
75
64
3
9
81
71
25
33
63
91
16
72
34
17
39
87
79
4
12
83
90
18
31
82
41
69
4
73
6
92
70
38
32
1
59
1
45
89
8
55
62
5
88
62
95
40
84
64
21
23
22
FIT
1:1
100%

Артикул

Название

Примечание

Количество

3071192R92

HARNESS

main cable, comprising

1шт.

1

CABLE, key switch term, Serial Range: 1-rearo

1шт.

2

CABLE, key switch term, Serial Range: 3-rearo

1шт.

3

NOT USED

1шт.

4

CABLE, front conn. to earth rearo

1шт.

5

CABLE, starter sol., Serial Range: term-rearo

1шт.

6

CABLE, key switch term, Serial Range: 2-rearo

1шт.

7

CABLE, key switch term, Serial Range: 4-rearo

1шт.

8

CABLE, light switch term 1 toeylo

1шт.

9

CABLE, light switch term 2 toeylo

1шт.

10

CABLE, light switch term 2 toeylo

1шт.

11

CABLE, light switch term 3 toeylo

1шт.

12

CABLE, light switch term 4 toeylo

1шт.

13

NOT USED

1шт.

14

NOT USED

1шт.

15

CABLE, coil switch, Serial Range: term.-keylo

1шт.

16

CABLE, oil warning lamp tomp tolo

1шт.

17

CABLE, ignition warning lamp tolo

1шт.

18

CABLE, oil warning, Serial Range: lights-oilo

1шт.

19

NOT USED

1шт.

20

NOT USED

1шт.

21

CABLE, ignition warning lamp to"o

1шт.

22

CABLE, reg. "D" term to gen. "D"o

1шт.

23

CABLE, reg. "F" term to gen. "F"o

1шт.

24

CABLE, reg. "E", Serial Range: term-earthitoo

1шт.

25

CABLE, reg. "A", Serial Range: term-circuitoo

1шт.

26

NOT USED

1шт.

27

NOT USED

1шт.

28

NOT USED

1шт.

29

NOT USED

1шт.

3071676R91

HARNESS, side and rear lamps,n. too

1шт.

30

CABLE, rear lights feed conn. too

1шт.

31

CABLE, rear lights earth, Start Serial: conn.

1шт.

32

CABLE, rear lights earth, Start Serial: conn.

1шт.

33

CABLE, rear lights feed conn. too

1шт.

34

CABLE, rear lights feed conn. too

1шт.

35

CABLE, rear lights earth, Start Serial: conn.

1шт.

36

CABLE, rear lights earth, Start Serial: conn.

1шт.

37

CABLE, rear lights feed conn. too

1шт.

38

CABLE, rear lights earth, Start Serial: conn.

1шт.

39

CABLE, rear conn. to plough lampo

1шт.

40

CABLE, rear conn. to rear lightso

1шт.

41

CABLE, rear lights earth, Start Serial: conn.

1шт.

42

NOT USED

1шт.

43

NOT USED

1шт.

44

NOT USED

1шт.

45

3068975R91

CABLE

coil C.B. term toto earthng

1шт.

46

NOT USED

1шт.

47

NOT USED

1шт.

48

NOT USED

1шт.

49

NOT USED

1шт.

50

NOT USED

1шт.

51

NOT USED

1шт.

52

NOT USED

1шт.

53

NOT USED

1шт.

54

3071051R91

GROUND CABLE

CABLE, battery, Serial Range: positive-earthng

1шт.

55

3071193R91

CABLE, battery, Serial Range: negative-earthng

1шт.

56

3071191R91

CABLE, starter term to sol. termng

1шт.

57

NOT USED

1шт.

58

NOT USED

1шт.

59

NOT USED

1шт.

60

NOT USED

1шт.

61

CABLE, panel lamp, Serial Range: conn.-panelng

1шт.

62

CABLE, headlamp, Serial Range: main-fronttss,

1шт.

63

CABLE, headlamp, Serial Range: dip-frontntss,

1шт.

64

CABLE, headlamp, Serial Range: eartg-frontss,

1шт.

65

NOT USED

1шт.

66

NOT USED

1шт.

67

NOT USED

1шт.

68

NOT USEDy., plough lamp, torness

1шт.

69

CABLE, R.H. fender conn. torness

1шт.

70

CABLE, R.H. fender conn. torness

1шт.

3071675R1

CABLE, plough lamp to main harness

1шт.

71

CABLE, R.H. fender conn. todetail

1шт.

72

CABLE, R.H. fender conn. todetail

1шт.

73

HEADLAMP, w/Cable L.H.(see detail , COMPONENTS

1шт.

74

HEADLAMP, w/Cable R.H.(see detail , COMPONENTS

1шт.

75

GENERATOR (see detail list) , COMPONENTS

1шт.

76

SWITCH, oil pressure , COMPONENTS

1шт.

See Electrical Instruments

1шт.

77

NOT USED , COMPONENTS

1шт.

78

CONNECTOR, two way w/HARNESS , COMPONENTS

6шт.

79

MOTOR, starter (see detail list) , COMPONENTS

1шт.

80

SWITCH, starter solenoid , COMPONENTS

1шт.

See Electrical Instruments

1шт.

81

DISTRIBUTOR(engine) (see detailit , COMPONENTS

1шт.

82

COIL, ignition (engine) (seeonuit , COMPONENTS

1шт.

83

BREAKER, circuit , COMPONENTS

1шт.

See Electrical Instruments

1шт.

84

LAMP, panel , COMPONENTS

1шт.

See Electrical Instruments

1шт.

85

NOT USED , COMPONENTS

1шт.

86

LAMP, oil warning , COMPONENTS

1шт.

See Electrical Instruments

1шт.

87

LAMP, ignition warning red , COMPONENTS

1шт.

See Electrical Instruments

1шт.

88

BATTERY, 12 volt , COMPONENTS

1шт.

89

SWITCH, ignition , COMPONENTS

1шт.

See Electrical Instruments

1шт.

90

SWITCH, light , COMPONENTS

1шт.

See Electrical Instruments

1шт.

91

REGULATOR, 12 volt (seeLIPS onuit , COMPONENTS

1шт.

92

LAMP, side L.H. 12 V 6 W , COMPONENTS

1шт.

See Lamps, Side and Rear, Hi-Clear

1шт.

93

LAMP, side R.H. 12 V 6 W , COMPONENTS

1шт.

See Lamps, Side and Rear, Hi-Clear

1шт.

94

LAMP, plough (see detail list) , COMPONENTS

1шт.

95

LAMP, rear L.H. 12 V 6 W , COMPONENTS

1шт.

See Lamps, Side and Rear, Hi-Clear

1шт.

96

LAMP, rear R.H. 12 V 6 W , COMPONENTS

1шт.

See Lamps, Side and Rear, Hi-Clear

1шт.

97

SOCKET, power , COMPONENTS

1шт.

See Registration Lamp and Reflectors

1шт.

98

LAMP, registration , COMPONENTS

1шт.

See Registration Lamp and Reflectors

1шт.

3040886R91

CONDUIT, cable front , COMPONENTS

1шт.

3040887R1

CONDUIT, cable L.H. , COMPONENTS

1шт.

705897R1

CONNECTOR, ELEC

CONNECTOR, one way (plough lamp) , COMPONENTS

2шт.

708113R1

CLIP

cable , COMPONENTS

6шт.

708114R1

CLIP, cable , COMPONENTS

5шт.

708115R1

PLATE ASSY.

CLIP, cable , COMPONENTS

17шт.

708117R1

NO LONGER SERVICED

CLIP, cable , COMPONENTS

2шт.

3067821R1

CLIP, cable , COMPONENTS

3шт.

179793

BOLT,Hex, 1/4" - 20 x 5/8", Gr 5, Full Thd

hex-hd., 1/4" x 7/8", Components

1шт.

120375

NUT,Hex, 1/4" - 20, Gr 5

Components 1/4"-20, G5

1шт.

103319

LOCK WASHER,1/4"

WASHER, LOCK, , w/Clips onuit, components 1/4"

1шт.

NLS

NO LONGER SERVICED

hex-hd., 1/4" x 7/8" , COMPONENTS

2шт.

120375

NUT,Hex, 1/4" - 20, Gr 5

Components 1/4"-20, G5

2шт.

103380

COTTER PIN,3/32" x 2 1/2"

WASHER , COMPONENTS

1шт.

413-616

BOLT,Hex, 3/8" - 16 x 1", Gr 5

hex-hd., 1/4" x 1/2", Components

4шт.

102635

NUT,3/8"-16, G5

Components 3/8"-16, G5

1шт.

103321

LOCK WASHER,3/8"

WASHER, LOCK, (w/clips onuit, Components) 3/8"

1шт.

117974

GROMMET, 3/8" (fender) , COMPONENTS

5шт.

Выбрано товаров: 133