Запчасти Case IH 276 (5-05) - CONTROL VALVE (08) - HYDRAULICS

Схема запчастей Case IH 276 - (5-05) - CONTROL VALVE (08) - HYDRAULICS
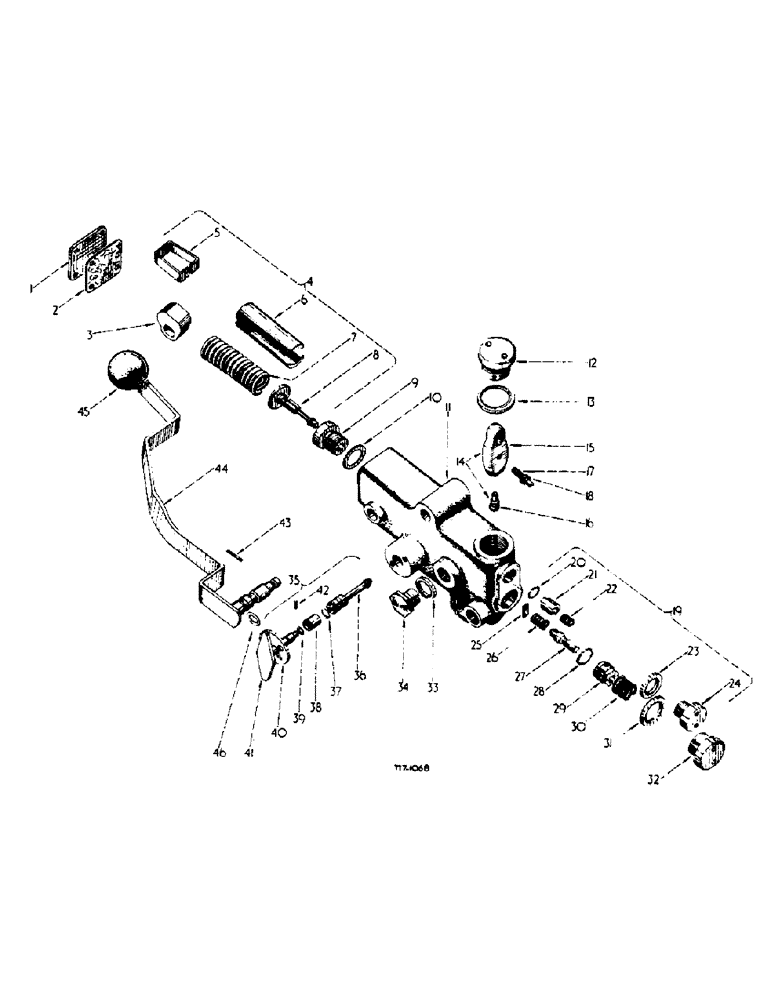
9
32
25
46
8
44
42
29
18
28
13
16
15
23
3
24
31
33
41
1
27
30
14
11
5
19
21
38
26
43
34
37
7
6
45
4
40
36
20
22
2
39
10
35
12
17
FIT
1:1
100%

Артикул

Название

Примечание

Количество

704624R93

VALVE, cpte., control

1шт.

1

706006R1

COVER

1шт.

179793

BOLT,Hex, 1/4" - 20 x 5/8", Gr 5, Full Thd

4шт.

103319

LOCK WASHER,1/4"

WASHER, LOCK, 1/4"

4шт.

2

706007R1

GASKET

1шт.

3

706002R1

CAM

1шт.

4

707330R92

VALVE

assy., relief sub., comprising

1шт.

705999R2

SPRING

1шт.

707353R1

ARM

STIRRUP

1шт.

706001R1

STIRRUP

1шт.

707352R2

VALVE

1шт.

5

706001R1

STIRRUP, cam

1шт.

6

707353R1

ARM

STIRRUP, spring

1шт.

7

705999R2

SPRING, pressure control

1шт.

8

707352R2

VALVE

relief

1шт.

9

706575R1

VALVE

SEAT, relief valve

1шт.

10

705996R1

WASHER

copper

1шт.

11

705994R1

BODY

1шт.

12

706025R1

PLUG

1шт.

13

708496R1

SEAL

WASHER (Dowty)

1шт.

14

706008R91

LEVER

w/LEVER 706009R1 and BALL 706010R1 cpte., intercouple, S.A.

1шт.

15

706009R1

LEVER, intercouple

1шт.

16

706010R1

BALL, end

1шт.

17

222449

SCREW

adjusting

1шт.

18

114492

JAM NUT,Jam, 1/4"-28, G5

1шт.

19

706011R91

LOCK VALVE

DASHPOT, S.A., comprising

1шт.

706015R1

CLIP

CIRCLIP

1шт.

706012R1

HOUSING

1шт.

706013R1

PISTON

1шт.

706014R1

SPRING

1шт.

704337R1

SEALING WASHER

WASHER

1шт.

20

706015R1

CLIP

CIRCLIP

1шт.

21

706013R1

PISTON

dashpot

1шт.

22

706014R1

SPRING

1шт.

23

704337R1

SEALING WASHER

WASHER, (Dowty)

1шт.

24

706012R1

HOUSING

dashpot

1шт.

25

706022R1

STOP

1шт.

26

706021R1

SPRING

1шт.

27

706020R1

VALVE

non-return

1шт.

28

706018R1

WASHER

copper

1шт.

29

706017R1

SEAT

non-return valve

1шт.

30

706019R1

SPRING

1шт.

31

708496R1

SEAL

WASHER, (Dowty)

1шт.

32

706025R1

PLUG

1шт.

33

706016R1

WASHER

(Dowty)

1шт.

34

706027R1

PLUG

1шт.

35

706576R91

VALVE

cpte., assy., isolating, sub., comprising

1шт.

706582R1

BUSHING

BUSH

1шт.

706585R1

RING

"O" RING

1шт.

384937R1

O-RING,0.07" Thk x 0.239" ID, -10, Cl 6, 90 Duro

"O" RING

1шт.

706583R1

STOP

PLATE

1шт.

706035R1

PLUG

1шт.

706036R1

PLUG

1шт.

706586R1

PIN

1шт.

179793

BOLT,Hex, 1/4" - 20 x 5/8", Gr 5, Full Thd

2шт.

706581R1

VALVE

1шт.

706578R91

SPINDLE

VALVE

1шт.

103319

LOCK WASHER,1/4"

WASHER, LOCK, 1/4"

2шт.

36

706581R1

VALVE

isolator

1шт.

37

706585R1

RING

"O" RING

1шт.

38

706582R1

BUSHING

BUSH

1шт.

39

384937R1

O-RING,0.07" Thk x 0.239" ID, -10, Cl 6, 90 Duro

"O" RING

1шт.

40

706583R1

STOP

PLATE, stop

1шт.

41

706583R1

STOP

VALVE, assy., spindle, isolating

1шт.

42

706586R1

PIN

mills

1шт.

43

706005R1

PIN

1шт.

44

706003R92

LEVER

SHAFT and LEVER,w/KNOB 706004R1 cpte. sub. assy.

1шт.

45

706004R1

KNOB

shaft and lever

1шт.

46

355966R1

O-RING,0.424" ID x 0.103" Width

"O" RING, 7/16" x 5/8" x3/32" (class 5)

1шт.

706035R1

PLUG

packing

1шт.

706036R1

PLUG

packing

1шт.

179793

BOLT,Hex, 1/4" - 20 x 5/8", Gr 5, Full Thd

2шт.

103319

LOCK WASHER,1/4"

WASHER, LOCK, 1/4"

2шт.

Выбрано товаров: 73