Запчасти Case IH 276 (5-33) - AUXILIARY VALVE ATTACHMENTS WITH TWO S.A. OR TWO D.A. VALVES (08) - HYDRAULICS

Схема запчастей Case IH 276 - (5-33) - AUXILIARY VALVE ATTACHMENTS WITH TWO S.A. OR TWO D.A. VALVES (08) - HYDRAULICS
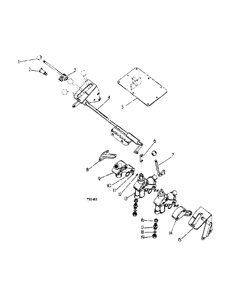
2
14
13
8
18
9
11
16
15
6
17
10
7
3
4
1
12
19
5
FIT
1:1
100%

Артикул

Название

Примечание

Количество

, Serial Range: KEY-UNITS

1шт.

3069005R91

ATTACHMENT, Single Acting Aux. Valve (Domestic) (A)

1шт.

3069006R91

ATTACHMENT, Single Acting Aux. Valve (Export) (B)

1шт.

3069007R91

ATTACHMENT, Double Acting Aux. Valve (Domestic) (C)

1шт.

3069008R91

1шт.

ATTACHMENT, Double Acting Aux. Valve (Export) (D) Units. Letters of these units correspond with those following the description of the parts in the list below and identifies the unit for which the part is used. Items without letters after the description indicates the part is used for all units.

1шт.

1

371602R1

KNOB

2шт.

2

3067252R1

SPINDLE, control lever (A.B.)

1шт.

180123

BOLT,Hex, 3/8" - 16 x 1 1/8", Gr 5, Full Thd

3/8" x 1-1/8" hex-hd. (A2.C2) cad. or zinc-pltd.

1шт.

120377

NUT,3/8" - 16, Gr 5

(A.C.) 3/8"-16, G5

1шт.

120382

LOCK WASHER,Helical Spring, 3/8"

WASHER, LOCK, (A3.C3) 3/8"

1шт.

3

3061041R11

LEVER

cpte., R.H. control

1шт.

3066427R1

PIN

5/16" x 7/8" std-hd.

1шт.

107763

COTTER PIN,1/8" x 5/8"

PIN, SPLIT (COTTER), 1/8" x 5/8"

1шт.

4

3069015R91

SHAFT, assy., cross (A.C.)

1шт.

4

3069016R91

SHAFT

assy., cross (B.D.)

1шт.

179892

BOLT,Hex, 1/2" - 13 x 2 3/4", Gr 5

1/2" x 2-3/4" hex-hd.

2шт.

102635

NUT,3/8"-16, G5

(B.D.) 3/8"-16, G5

1шт.

103323

LOCK WASHER,1/2"

WASHER, LOCK, 1/2"

2шт.

103321

LOCK WASHER,3/8"

WASHER, LOCK, (B.D.) 3/8"

1шт.

Q1505

WASHER

13/32" x 1" x 16 ga. plain (B.D.)

1шт.

5

3044366R12

PLATE

top cover welded assy.

1шт.

6

3061040R1

LINK

connecting

1шт.

3063983R1

HEADED PIN,5/16" x 1"

PIN, std-hd. 5/16" x 1"

1шт.

107763

COTTER PIN,1/8" x 5/8"

PIN, SPLIT (COTTER), 1/8" x 5/8"

1шт.

7

3061061R91

LEVER

ARM and LEVER assy., L.H.

1шт.

3063983R1

HEADED PIN,5/16" x 1"

PIN, 5/16" dia. x 1" std-hd.

1шт.

107763

COTTER PIN,1/8" x 5/8"

PIN, SPLIT (COTTER), 1/8" x 5/8"

1шт.

8

3061055R2

GASKET

1шт.

9

3069023R1

BLOCK

adaptor

1шт.

10

380794R1

O-RING,0.139" Thk x 0.984" ID, -214, Cl 6, 90 Duro

"O" RING, 1" x 1-1/4" x 1/8"

3шт.

3110297R1

RETAINER

"O" ring

3шт.

11

3067183R1

O-RING,0.103" Thk x 0.424" ID, -11, Cl 6, 90 Duro

"O" RING, 7/16" x 5/8" x 3/32"

3шт.

12

702788R1

O-RING,0.103" Thk x 0.362" ID, -110, Cl 6, 90 Duro

"O" RING, 3/8" x 9/16" x 3/32"

3шт.

13

3069019R92

LOCK VALVE

VALVE, single acting Ind. Aux. (A2.B2)

1шт.

13

3069020R92

CONTROL VALVE

VALVE, double acting Aux. (C2.D2.)

1шт.

14

3069021R1

PLATE

valve cover

1шт.

15

3069017R91

BRACKET

and CONTROL LEVER PIVOT, assy. (A.C.)

1шт.

15

3069018R91

LEVER

BRACKET and CONTROL LEVER PIVOT, assy. (B.D.)

1шт.

20507R1

BOLT,Hex, 3/8" - 16 x 6 3/4", Gr 5

3/8" x 6-3/4" hex-hd. (B2.D2)

1шт.

186290

BOLT (SPREADER)

BOLT, 3/8" x 6" hex-hd. (B.D.)

1шт.

103321

LOCK WASHER,3/8"

WASHER, LOCK, (B3.D3) 3/8"

1шт.

20506R1

BOLT,Hex, 3/8" - 16 x 6", Gr 5

3/8" x 6-3/4" hex-hd. (A.C.) cad. or zinc-pltd.

1шт.

20508R1

BOLT

3/8" x 6" hex-hd. (A2.C2.) cad. or zinc-pltd.

1шт.

120382

LOCK WASHER,Helical Spring, 3/8"

WASHER, LOCK, (A3.C3.) 3/8"

1шт.

16

704743R91

SEALING WASHER

WASHER, Dowty, (A.B.)

2шт.

17

702270R2

ADAPTER

ADAPTOR, hose (A.B.)

2шт.

18

703619R1

GASKET

blanking off nut (A.B.)

1шт.

19

703618R1

NUT

blanking off (A.B.) PRESSURE PIPES (see detail list)

1шт.

3110307R91

O-RING

PACKAGE, "O" ring service, comprising

1шт.

380794R1

O-RING,0.139" Thk x 0.984" ID, -214, Cl 6, 90 Duro

"O" RING

1шт.

3110297R1

RETAINER

1шт.

Выбрано товаров: 52