Запчасти Case IH 276 (6-70) - TRACTOR CAB ATTACHMENT (88) - ACCESSORIES

Схема запчастей Case IH 276 - (6-70) - TRACTOR CAB ATTACHMENT (88) - ACCESSORIES
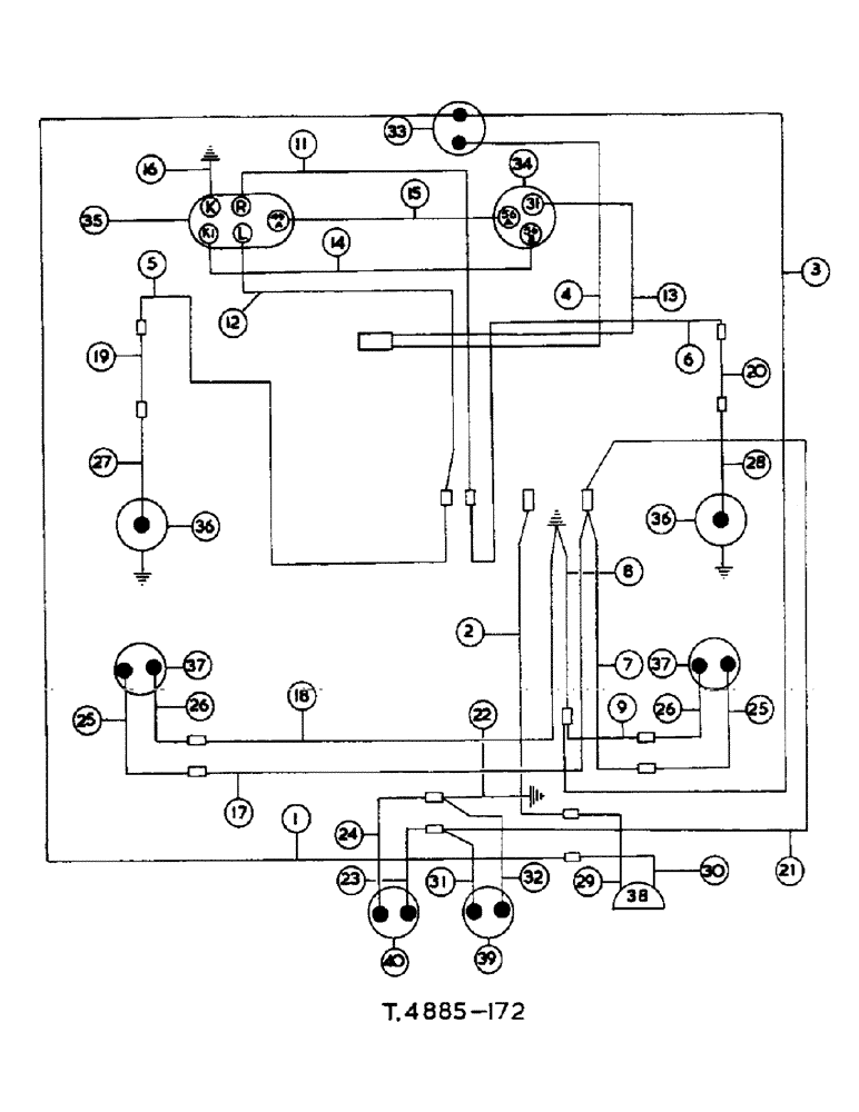
36
37
13
15
17
37
36
2
18
19
20
6
32
28
40
29
34
24
26
31
39
35
25
9
14
30
1
8
12
21
31
4
23
25
38
5
56
26
22
11
3
27
16
7
33
55
FIT
1:1
100%

Артикул

Название

Примечание

Количество

3072913R92

TRACTOR CAB 276 Diesel (A)

1шт.

Can only be used on machines fitted with Three Point Linkage Attachment 741938R92

1шт.

3072914R92

TRACTOR CAB 276 Diesel (B)

1шт.

Can only be used on machines fitted with Three Point Linkage Attachment 741938R92

1шт.

3106740R91

TRACTOR CAB 276 Petrol (C)

1шт.

Can only be used on machines fitted with Three Point Linkage Attachment 741938R92

1шт.

3106741R91

TRACTOR CAB 276 Petrol (D)

1шт.

Can only be used on machines fitted with Three Point Linkage Attachment 741938R92

1шт.

Units. Letters of these unitsg the

1шт.

ref

Part No.

English

1шт.

Supplied in flashing indicator attachment)

1шт.

3106722R1

HARNESS

cable, comprising , ELECTRICAL

1шт.

1

CABLE, plough lamp conn. to wiper , ELECTRICAL

1шт.

2

CABLE, plough lamp conn. to main. , ELECTRICAL

1шт.

3

CABLE, wiper earth to earthux..H. , ELECTRICAL

1шт.

4

CABLE, wiper feed term to Aux..H. , ELECTRICAL

1шт.

5

CABLE, L.H. flasher conn. to L.H. , ELECTRICAL

1шт.

6

CABLE, R.H. flasher conn. to R.H. , ELECTRICAL

1шт.

7

CABLE, R.H. side & tail conn. too , ELECTRICAL

1шт.

8

CABLE, earth to earth conn.n. too , ELECTRICAL

1шт.

9

CABLE, R.H. side & tail conn. too , ELECTRICAL

1шт.

10

NOT USED , ELECTRICAL

1шт.

3106735R1

HARNESS, cable, flasher att.,nn. to , ELECTRICAL

1шт.

Supplied in flashing indicator attachment)

1шт.

11

CABLE, R.H. flasher swt. conn. to , ELECTRICAL

1шт.

12

CABLE, L.H. flasher swt. conn. to , ELECTRICAL

1шт.

13

CABLE, flasher unit term. "31" to , ELECTRICAL

1шт.

14

CABLE, flasher unit term "56B" to , ELECTRICAL

1шт.

15

CABLE, flasher unit term "56A" to , ELECTRICAL

1шт.

16

CABLE, earth to flasher swt. term , ELECTRICAL

1шт.

3106723R1

LEAD, flying, comprising , ELECTRICAL

1шт.

17

CABLE, L.H. side & tail lamp tok) , ELECTRICAL

1шт.

18

CABLE, L.H. side & tail lamp tok) , ELECTRICAL

1шт.

19

3106736R1

CABLE, L.H. flasher lamp to L.H.ck) , ELECTRICAL

1шт.

Supplied in flashing indicator attachment)

1шт.

20

3106737R1

CABLE, R.H. flasher lamp to R.H.ck) , ELECTRICAL

1шт.

Supplied in flashing indicator attachment)

1шт.

21

3106732R1

CABLE, side & tail feed conn. tock) , ELECTRICAL

1шт.

22

709483R1

CABLE, earth to rear conns. (Black) , ELECTRICAL

1шт.

23

CABLE, reg. No. plate lamp toside , ELECTRICAL

1шт.

24

CABLE, reg. No. plate lamp toside , ELECTRICAL

1шт.

25

CABLE, side & tail lights to side , ELECTRICAL

1шт.

26

CABLE, side & tail lights to side , ELECTRICAL

1шт.

Supplied in flashing indicator attachment)

1шт.

CABLE, flashing indicator lamp L.H. , ELECTRICAL

1шт.

Supplied in flashing indicator attachment)

1шт.

27

CABLE, L.H. flasher conn. to L.H. , ELECTRICAL

1шт.

Supplied in flashing indicator attachment)

1шт.

28

CABLE, R.H. flasher conn. to R.H. , ELECTRICAL

1шт.

Supplied in flashing indicator attachment)

1шт.

29

CABLE, plough lamp to plough lamp , ELECTRICAL

1шт.

Supplied in flashing indicator attachment)

1шт.

30

CABLE, plough lamp to plough lamp , ELECTRICAL

1шт.

Supplied in flashing indicator attachment)

1шт.

31

CABLE, power socket to rearfrontr , ELECTRICAL

1шт.

Supplied in flashing indicator attachment)

1шт.

32

CABLE, power socket to rearfrontr , ELECTRICAL

1шт.

Supplied in flashing indicator attachment)

1шт.

33

WIPER, windscreen (see CAB - frontr , ELECTRICAL

1шт.

Supplied in flashing indicator attachment)

1шт.

34

3072071R91

FLASHER UNIT

UNIT, flasher , ELECTRICAL

1шт.

Supplied in flashing indicator attachment)

1шт.

35

3106734R91

SWITCH

flasher , ELECTRICAL

1шт.

Supplied in flashing indicator attachment)

1шт.

36

3106733R91

LIGHT, WARNING

LAMP, flasher (see detail list) , ELECTRICAL

2шт.

Supplied in flashing indicator attachment)

1шт.

3073103R1

SPACER

ELECTRICAL

2шт.

Supplied in flashing indicator attachment)

1шт.

37

3071605R91

LIGHT ASSY.

ELECTRICAL

1шт.

Supplied in flashing indicator attachment)

1шт.

38

3072921R91

LAMP, plough (see Electrical) , ELECTRICAL

1шт.

113-206

BOLT,Hex, 3/8" - 16 x 3/4", Gr 5, Full Thd

hex-hd., 3/8" x 3/4", ELECTRICAL

2шт.

Supplied in flashing indicator attachment)

1шт.

120377

NUT,3/8" - 16, Gr 5

Electrical 3/8"-16, G5

2шт.

120382

LOCK WASHER,Helical Spring, 3/8"

WASHER, LOCK, , Electrical 3/8"

2шт.

39

SOCKET, power (reference only) , ELECTRICAL

1шт.

40

LAMP, reg. no. plate (referencert.r , ELECTRICAL

1шт.

Supplied in flashing indicator attachment)

1шт.

3048461R1

BRACKET

check chain R.H. (B.D.) , ELECTRICAL

1шт.

Supplied in flashing indicator attachment)

1шт.

3048460R1

BRACKET

check chain L.H. (B.C.) , ELECTRICAL

1шт.

3106724R1

CONDUIT, cable (R.H. top rail) , ELECTRICAL

1шт.

3106725R1

CONDUIT, cable (R.H. vertical frt.r , ELECTRICAL

1шт.

3106726R1

CONDUIT, cable (Front top rail) , ELECTRICAL

1шт.

3106727R1

CONDUIT, cable (R.H. vertical frt.r , ELECTRICAL

1шт.

3106728R1

CONDUIT

cable (R.H. vertical rear) , ELECTRICAL

1шт.

3106729R1

CONDUIT, cable (R.H. side rail -for , ELECTRICAL

1шт.

436962

SCREW, No. 8 x 5/16" mach. , ELECTRICAL

2шт.

120622

NUT,#8-32

Electrical #8-32

2шт.

121841

LOCK WASHER,#8

WASHER, LOCK, , Electrical #8

2шт.

9404136

ELECTRICAL

1шт.

3106730R1

CONDUIT, cable L.H. (side lamp) , ELECTRICAL

1шт.

3106731R1

CONDUIT, cable R.H. (side lamp) , ELECTRICAL

1шт.

3106738R1

CONDUIT, cable rear top rail , ELECTRICAL

1шт.

Supplied in flashing indicator attachment)

1шт.

3106739R1

CONDUIT, cable, L.H. top rail , ELECTRICAL

1шт.

Supplied in flashing indicator attachment)

1шт.

9404136

ELECTRICAL

1шт.

Supplied in flashing indicator attachment)

1шт.

705903R1

CONNECTOR (A.B.) , ELECTRICAL

1шт.

3106658R1

CONNECTOR (C.D.) , ELECTRICAL

1шт.

705896R1

CONNECTOR, ELEC

CONNECTOR (A.B.) , ELECTRICAL

2шт.

705897R1

CONNECTOR, ELEC

CONDUIT , ELECTRICAL

2шт.

Supplied in flashing indicator attachment)

1шт.

3067821R1

CLIP, cable , ELECTRICAL

4шт.

708115R1

PLATE ASSY.

CLIP, cable , ELECTRICAL

4шт.

3073902R1

GROMMET, for use on fender , ELECTRICAL

2шт.

112734

GROMMET, , ELECTRICAL 3/8" ID x 11/16" x .062"

1шт.

Supplied in flashing indicator attachment)

1шт.

3072925R1

GROMMET, 5/16" , ELECTRICAL

3шт.

2752853R1

DECAL

PRODUCT GRAPHIC "I.H." , ELECTRICAL

1шт.

1067658R1

PRODUCT GRAPHIC, McCORMICK1/2" (for , ELECTRICAL

1шт.

1092550R1

PRODUCT GRAPHIC

PROGRAPH, "Warning" , ELECTRICAL

1шт.

3072906R91

REFLECTOR

ELECTRICAL

1шт.

17956R1

BOLT,Hex, 5/8" - 11 x 7 3/4"

hex-hd., 5/16" x 7-3/4" , ELECTRICAL

4шт.

179893

BOLT,Hex, 1/2" - 13 x 3", Gr 5

hex-hd., 1/2" x 3" , ELECTRICAL

4шт.

102637

NUT,1/2"-13, G5

(A2), Electrical 1/2"-13, G5

4шт.

103323

LOCK WASHER,1/2"

WASHER, LOCK, , Electrical 1/2"

4шт.

271558

HOOD,Hex, 5/8" - 11 x 1 1/2", Gr 5

hex-hd., 5/8" x 1-1/2" (for , ELECTRICAL

1шт.

179839

BOLT,Hex, 3/8" - 16 x 1", Gr 5

Electrical Hex, 3/8"-16 x 1", G5

4шт.

102635

NUT,3/8"-16, G5

Electrical 3/8"-16, G5

4шт.

103321

LOCK WASHER,3/8"

WASHER, LOCK, , Electrical 3/8"

1шт.

3072967R1

SPACER

handbrake lever , ELECTRICAL

1шт.

280161

BOLT,Hex, 3/8" - 16 x 3", Gr 5

Electrical Hex, 3/8"-16 x 3", G5

3шт.

102635

NUT,3/8"-16, G5

Electrical 3/8"-16, G5

3шт.

103321

LOCK WASHER,3/8"

WASHER, LOCK, , Electrical 3/8"

3шт.

ref

Part No.

English

1шт.

3073099R92

ATTACHMENT, flashing indicator

1шт.

Выбрано товаров: 128