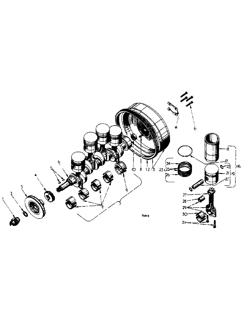
Запчасти Case IH 276 (2-07) - CRANKSHAFT, FLYWHEEL, CONNECTING RODS AND PISTON (02) - ENGINE

Схема запчастей Case IH 276 - (2-07) - CRANKSHAFT, FLYWHEEL, CONNECTING RODS AND PISTON (02) - ENGINE
18
17
1
30
8
22
23
16
27
11
20
2
5
7
31
6
3
9
10
19
14
26
13
21
4
29
28
24
12
25
15
FIT
1:1
100%

Артикул

Название

Примечание

Количество

1

3107767R1

TINE

NUT, starting crank

1шт.

2

138516

GASKET,Ext Tooth, 1"

WASHER, LOCK, Ext Tooth, 1"

1шт.

3

707327R2

PULLEY

fan drive

1шт.

4

703865R1

GEAR

PINION, crankshaft (33 teeth)

1шт.

5

218211

DRIVING SPROCKET

crankshaft pinion, Woodruff No. 91, 1/4" x 3/4"

2шт.

6

751303R51

CRANKSHAFT

std., cpte., w/BEARING 708909R93 and two PINS 24550D

1шт.

7

708912R91

CRANKSHAFT BEARING

BEARING, crankshaft (std.) w/BEARING 708910R91 and four BEARING 3064523R11

1шт.

7

708913R91

CRANKSHAFT BEARING

BEARING, crankshaft main (.030" undersize) w/BEARING 708911R91 and four BEARING 3064524R11

1шт.

7

708914R91

CRANKSHAFT BEARING

BEARING, crankshaft main (.015 undersize) w/BEARING 708915R91 and four BEARING 3064525R11

1шт.

8

3064523R11

CRANKSHAFT BEARING

BEARING, crankshaft main, front and centre, cpte., (std.)

4шт.

8

3064524R11

BEARING LINER

BEARING, crankshaft main, front and centre, cpte., (.030" undersize)

4шт.

8

3064525R11

BEARING LINER

BEARING, crankshaft main, front and centre, cpte., (.015" undersize)

4шт.

9

708910R91

BEARING ASSY

BEARING, crankshaft main, rear, cpte. (std.)

1шт.

9

708911R91

BEARING ASSY

BEARING, crankshaft main, rear, cpte. (.030" undersize)

1шт.

9

708915R91

BEARING ASSY

BEARING, crankshaft main, rear, cpte. (.015" undersize)

1шт.

10

708909R93

BALL BEARING,20 mm ID x 47 mm OD x 14"

BEARING, clutch pilot (Fischer)

1шт.

10

751846R93

BALL BEARING

clutch pilot (R&M)

1шт.

10

751847R93

BALL BEARING

clutch pilot (SKF)

1шт.

10

751848R94

BALL BEARING

BEARING, clutch pilot (Hoffman)

1шт.

11

24550D

PIN

flywheel dowel

2шт.

12

3044171R1

GEAR

flywheel ring

1шт.

13

3045513R91

FLYWHEEL, cpte., w/GEAR 3044171R1 and two PINS 141215

1шт.

141215

PIN,5/16" x 1/2"

dowel, long 5/16" x 1/2"

2шт.

14

3069118R2

SHEET

LOCK, flywheel bolt

2шт.

15

709517R1

BOLT,Hex, 7/16" - 20 x 1 3/4"

flywheel

4шт.

16

3044201R92

SLEEVE CYLINDER

SLEEVE, cyl. and piston w/four PISTON 3044202R91

1шт.

16

3044202R92

PISTON

w/SLEEVE, cpte., comprising

4шт.

3044203R91

PISTON

1шт.

704100R1

SEALING RING,5.46mm Thk x 91.06mm ID

RING

1шт.

704092R1

LINER, ENGINE CYLIND

SLEEVE

1шт.

17

704100R1

SEALING RING,5.46mm Thk x 91.06mm ID

RING, cyl., sleeve packing

4шт.

18

704092R1

LINER, ENGINE CYLIND

SLEEVE, cyl.

4шт.

19

3044203R93

PISTON

pin and rings, assy., comprising

4шт.

704094R1

LARGE PIN

PIN

1шт.

3044207R3

PISTON

1шт.

704095R1

SNAP RING,M28, Int

RETAINER

2шт.

3044204R1

PISTON RING

RING

1шт.

3044205R1

PISTON RING

RING

2шт.

705993R1

RING

1шт.

20

704094R1

LARGE PIN

PIN, piston (std.)

4шт.

20

716411R1

HUB

PIN, piston (.015" undersize)

1шт.

21

3044207R3

PISTON

4шт.

22

704095R1

SNAP RING,M28, Int

RETAINER, piston pin

8шт.

23

3044208R91

PACKAGE

RING, piston, set, w/four RING 3044204R1, four RING 705993R1 and eight RING 3044205R1

1шт.

24

3044204R1

PISTON RING

RING, piston compression, top

4шт.

25

3044205R1

PISTON RING

RING, piston compression

8шт.

26

705993R1

RING, piston, oil control

4шт.

27

3061216R91

CONNECTING ROD

ROD, connecting, cpte., w/four ROD 3061214R91

1шт.

27

704089R91

CONNECTING ROD

ROD, connecting, cpte., (order 3061216R91)

4шт.

28

711045R1

BUSHING

BUSH, piston pin (opt.)

4шт.

28

3043611R1

BUSHING

BUSH, piston pin (opt.)

4шт.

29

3061214R91

PITMAN ASSY.

ROD, connecting, assy., w/two BOLT 3043216R1, BUSH 711045R1, CAP NSS and ROD NSS

4шт.

30

3070536R11

BEARING

connecting rod, cpte., (std.) (two halves)

4шт.

30

3070537R11

BEARING

connecting rod, cpte., (.030 undersize) (two halves)

4шт.

30

3070538R11

JOURNAL

BEARING, connecting rod, cpte., (.015" undersize) (two halves)

4шт.

31

3043216R1

BOLT,3/8" - 24 x 2"

connecting rod

8шт.

3070546R91

BEARING LINER

BEARING, connecting rod, cpte., (std.) comprising four BEARING 3070536R11

1шт.

3070547R91

CRANKSHAFT BEARING

BEARING, connecting rod, cpte., (.030" undersize) comprising four BEARING 3070537R11

1шт.

3070539R91

BEARING LINER

BEARING, connecting rod, cpte., (.015" undersize) comprising four BEARING 3070538R11

1шт.

3067471R91

PACKAGE, service, undersize crankshaft, comprising

1шт.

3067472R11

CRANKSHAFT, .015 undersize, cpte., w/PIN 24550D

1шт.

24550D

PIN

dowel, flywheel

2шт.

708914R91

CRANKSHAFT BEARING

SET of crankshaft main bearings

1шт.

Выбрано товаров: 63