Запчасти Case IH 276 (3-12) - ELECTRICAL SYSTEM, PETROL (04) - ELECTRICAL SYSTEMS

Схема запчастей Case IH 276 - (3-12) - ELECTRICAL SYSTEM, PETROL (04) - ELECTRICAL SYSTEMS
78
86
4
23
17
40
30
73
7
83
92
21
82
42
27
6
22
87
69
64
25
80
2
61
79
76
91
63
26
72
39
63
54
88
11
62
10
70
33
15
74
1
41
89
34
93
77
18
55
12
8
84
5
62
56
9
32
31
24
90
15
43
71
84
FIT
1:1
100%

Артикул

Название

Примечание

Количество

3071192R92

HARNESS

main cable, comprising

1шт.

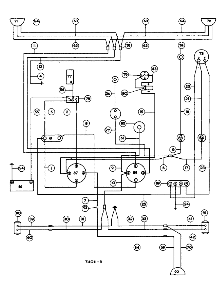
1

CABLE, key switch term., Serial Range: 1-rearar

1шт.

2

CABLE, key switch term., Serial Range: 3-rearar

1шт.

3

NOT USED

1шт.

4

CABLE, front conns. to earth rearar

1шт.

5

CABLE, starter sol., Serial Range: term.-rearar

1шт.

6

CABLE, key switch term., Serial Range: 2-rearar

1шт.

7

CABLE, key switch term., Serial Range: 4-rearar

1шт.

8

CABLE, light switch term., Serial Range: 1-rear

1шт.

9

CABLE, light switch term., Serial Range: 2-rear

1шт.

10

CABLE, light switch term., Serial Range: 2-rear

1шт.

11

CABLE, light switch term. 3 towitch

1шт.

12

CABLE, light switch term. 4 towitch

1шт.

13

NOT USED

1шт.

14

NOT USED

1шт.

15

CABLE, coil S.W. term to key switch

1шт.

16

CABLE, oil warning, Serial Range: lamp-warningg

1шт.

17

CABLE, ign. warning, Serial Range: lamp-warning

1шт.

18

CABLE, oil warning, Serial Range: lamp-oilearth

1шт.

19

NOT USED

1шт.

20

NOT USED

1шт.

21

CABLE, ign. warning lamp toto earth

1шт.

22

CABLE, regulator "D", Serial Range: term.-earth

1шт.

23

CABLE, regulator "F", Serial Range: term.-earth

1шт.

24

CABLE, regulator "E", Serial Range: term.-earth

1шт.

25

CABLE, regulator "A" term. to.atr.l

1шт.

26

CABLE, heat, Serial Range: indicator-temp.atr.l

1шт.

27

CABLE, warning lt., Serial Range: conn.-heatr.l

1шт.

28

NOT USED

1шт.

29

NOT USED

1шт.

3072987R91

HARNESS, assy., side and tail,der.l , END OF HARNESS

1шт.

30

CABLE, rear conns. to L.H. fender.l , END OF HARNESS

1шт.

31

CABLE, earth to L.H. fender conns.l , END OF HARNESS

1шт.

32

CABLE, earth to R.H. fender conns.l , END OF HARNESS

1шт.

33

CABLE, rear conns. to R.H. fenderll , END OF HARNESS

1шт.

34

CABLE, rear conns. to R.H. fenderll , END OF HARNESS

1шт.

35

NOT USED , END OF HARNESS

1шт.

36

NOT USED , END OF HARNESS

1шт.

37

NOT USED , END OF HARNESS

1шт.

38

NOT USED , END OF HARNESS

1шт.

39

CABLE, L.H. fender conns. to sidell , END OF HARNESS

1шт.

40

CABLE, L.H. fender conns. to sidell , END OF HARNESS

1шт.

41

CABLE, R.H. fender conns. to sidell , END OF HARNESS

1шт.

42

CABLE, R.H. fender conns. to sidell , END OF HARNESS

1шт.

43

CABLE, coil, CB term. to) (seeelill , END OF HARNESS

1шт.

44

NOT USED , END OF HARNESS

1шт.

45

NOT USED , END OF HARNESS

1шт.

46

NOT USED , END OF HARNESS

1шт.

47

NOT USED , END OF HARNESS

1шт.

48

NOT USED , END OF HARNESS

1шт.

49

NOT USED , END OF HARNESS

1шт.

50

NOT USED , END OF HARNESS

1шт.

51

NOT USED , END OF HARNESS

1шт.

52

NOT USED , END OF HARNESS

1шт.

53

NOT USED , END OF HARNESS

1шт.

54

371051R91

CABLE, battery to earth , END OF HARNESS

1шт.

55

3071193R91

CABLE, battery to starter solenoid , END OF HARNESS

1шт.

56

3071191R91

CABLE, starter to starter solenoid , END OF HARNESS

1шт.

57

NOT USED , END OF HARNESS

1шт.

58

NOT USED , END OF HARNESS

1шт.

59

NOT USED , END OF HARNESS

1шт.

60

NOT USED , END OF HARNESS

1шт.

61

CABLE, panel lamp conn. to panelill , END OF HARNESS

1шт.

62

CABLE, headlamp main to fronttill , END OF HARNESS

1шт.

63

CABLE, headlamp 'dip' to frontill , END OF HARNESS

1шт.

64

CABLE, headlamp earth to frontill , END OF HARNESS

1шт.

65

NOT USED , END OF HARNESS

1шт.

66

NOT USED , END OF HARNESS

1шт.

67

NOT USED , END OF HARNESS

1шт.

68

NOT USEDlough lamp assy.,ns. toaill , END OF HARNESS

1шт.

69

CABLE, R.H. fender conns. toaill , END OF HARNESS

1шт.

70

CABLE, R.H. fender conns. totaill , END OF HARNESS

1шт.

71

HEADLAMP, w/Cables L.H.(see detaill , END OF HARNESS

1шт.

72

HEADLAMP, w/Cables R.H. (see detail , END OF HARNESS

1шт.

73

GENERATOR (see detail list) , END OF HARNESS

1шт.

74

SWITCH, oil pressure , END OF HARNESS

1шт.

See Electrical Instruments, Petrol

1шт.

75

NOT USED , END OF HARNESS

1шт.

76

CONNECTOR, two-way w/Harness , END OF HARNESS

6шт.

77

MOTOR, starter (see detail list) , END OF HARNESS

1шт.

78

SWITCH, starter solenoid , END OF HARNESS

1шт.

See Electrical Instruments, Petrol

1шт.

79

DISTRIBUTOR (engine) (see detaildet , END OF HARNESS

1шт.

80

COIL, ignition (engine) (seee Sidet , END OF HARNESS

1шт.

81

BREAKER, circuit , END OF HARNESS

1шт.

See Electrical Instruments, Petrol

1шт.

82

LAMP, panel , END OF HARNESS

1шт.

See Electrical Instruments, Petrol

1шт.

83

LAMP, oil pressure warning , END OF HARNESS

1шт.

See Electrical Instruments, Petrol

1шт.

84

LAMP, ignition warning (red) , END OF HARNESS

1шт.

See Electrical Instruments, Petrol

1шт.

85

NOT USED , END OF HARNESS

1шт.

86

BATTERY, 12 volt , END OF HARNESS

1шт.

87

SWITCH, ignition , END OF HARNESS

1шт.

See Electrical Instruments, Petrol

1шт.

88

SWITCH, light , END OF HARNESS

1шт.

See Electrical Instruments, Petrol

1шт.

89

REGULATOR 12V (see Regulator) , END OF HARNESS

1шт.

90

LAMP, side and tail L.H. (see Sidet , END OF HARNESS

1шт.

91

LAMP, side and tail R.H. (see Sidet , END OF HARNESS

1шт.

92

LAMP, plough (see detail list)d.EWt , END OF HARNESS

1шт.

3040886R91

CONDUIT, cable front , END OF HARNESS

1шт.

3040887R91

CONDUIT, cable L.H. , END OF HARNESS

1шт.

3067821R1

CLIP, cable , END OF HARNESS

3шт.

708113R1

CLIP

cable , END OF HARNESS

4шт.

708114R1

CLIP, cable , END OF HARNESS

5шт.

708115R1

PLATE ASSY.

CLIP, cable , END OF HARNESS

3шт.

708117R1

NO LONGER SERVICED

CLIP, cable , END OF HARNESS

4шт.

179793

BOLT,Hex, 1/4" - 20 x 5/8", Gr 5, Full Thd

End of harness Hex, 1/4"-20 x 5/8", G5, Full Thd

1шт.

120375

NUT,Hex, 1/4" - 20, Gr 5

End of harness 1/4"-20, G5

1шт.

103319

LOCK WASHER,1/4"

WASHER, LOCK, , EWT, End of harness 1/4"

1шт.

88542

BOLT,Hex, 1/4"-20 x 1/2", Gr 5

hex-hd., 1/4" x 1/2" , END OF HARNESS

4шт.

120375

NUT,Hex, 1/4" - 20, Gr 5

End of harness 1/4"-20, G5

4шт.

492-11025

LOCK WASHER,1/4"

WASHER, LOCK, 1/4 , End of harness

1шт.

NLS

NO LONGER SERVICED

End of Harness Hex, 3/8"-16 x 1", G5

1шт.

102635

NUT,3/8"-16, G5

End of Harness 3/8"-16, G5

1шт.

103321

LOCK WASHER,3/8"

WASHER, LOCK, , w/Clips on EWT, End of harness 3/8"

1шт.

117974

GROMMET, 3/8" (fenders) , END OF HARNESS

2шт.

Выбрано товаров: 119