Запчасти Case IH 2806 (F-03) - HYDRAULIC SYSTEM, SEAT AND HYDRAULIC COMPONENT SUPPORT (07) - HYDRAULIC SYSTEM

Схема запчастей Case IH 2806 - (F-03) - HYDRAULIC SYSTEM, SEAT AND HYDRAULIC COMPONENT SUPPORT (07) - HYDRAULIC SYSTEM
9
26
38
2
11
35
24
17
7
8
45
39
25
16
36
30
23
19
10
33
12
28
42
14
3
4
31
44
37
15
22
20
6
43
13
1
21
18
41
11
5
29
34
32
40
27
FIT
1:1
100%

Артикул

Название

Примечание

Количество

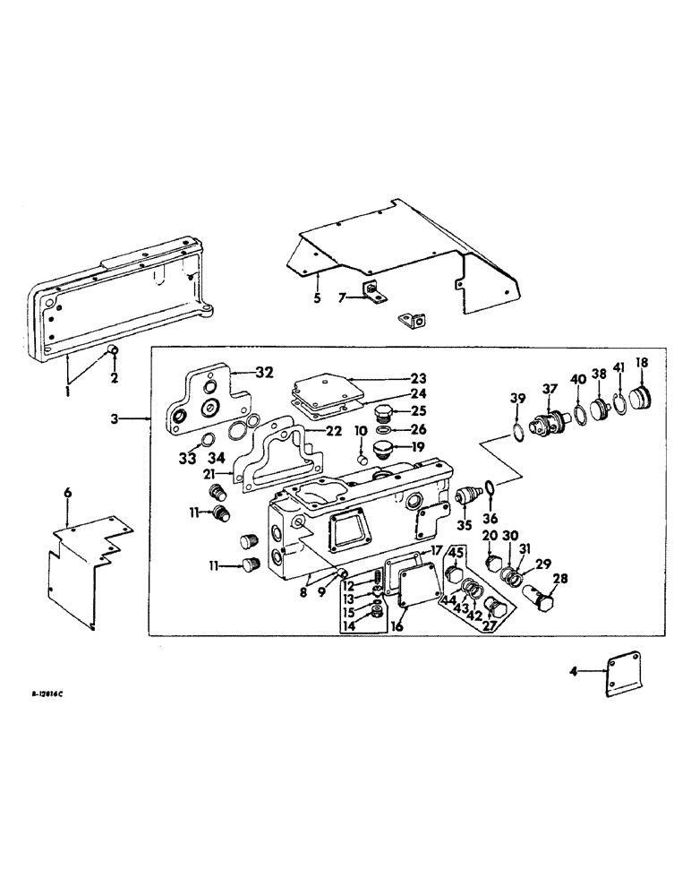
1

382912R11

SUPPORT ASSY, LH seat

1шт.

179885

BOLT,Hex, 1/2" - 13 x 1 1/2", Gr 5

2шт.

103323

LOCK WASHER,1/2"

WASHER, LOCK, 1/2"

2шт.

2

382913R1

BUSHING, seat support

1шт.

3

383141R93

SUPPORT ASSY, RH seat, tractors without draft control or auxiliary valves, composed of ref. nos. 8, 11, 16 thru 24 and attaching hardware, Farmall tractor serial no. 33162 & below, International tractor serial no. 7100 & below

1шт.

3

399603R91

SUPPORT ASSY, RH seat, tractors without draft control or auxiliary valves, will work for 391915R91, composed of ref nos. 8, 9, 16 thru 18, 20 thru 25, Farmall tractor serial no. 33163 & above, International tractor serial no. 7101 & above

1шт.

3

399600R93

SUPPORT ASSY, RH seat, tractors with draft control, will work for 383142R96, Farmall tractor serial no. 33162 & below, International tractor serial no. 7100 & below

1шт.

3

399604R91

SUPPORT ASSY, RH seat, tractors with draft control, will work for 391916R91, Farmall tractor serial no. 33163 & above, International tractor serial no. 7101 & above, composed of ref. nos. 8, 11, 16, 17, 25, 26 28 thru 37, 39, 40, 41 and attaching hardware

1шт.

3

399602R92

SUPPORT ASSY, RH seat, tractors with auxiliary valves, will work for 383143R96, composed for ref. nos. 8, 16, 17, 23 thru 26, 28 thru 31, 38, 30, 41 and attaching hardware

1шт.

279991R1

SCREW

W/PELLET INSERT, 1/2-13 x 1-1/2 hex-hd cap

1шт.

179841

BOLT,Hex, 3/8" - 16 x 1 1/4", Gr 5

3/8-16 x 1-1/4 hex-hd cap

2шт.

103321

LOCK WASHER,3/8"

WASHER, LOCK, 3/8"

2шт.

103323

LOCK WASHER,1/2"

WASHER, LOCK, 1/2"

1шт.

4

382919R1

COVER, auxiliary valve handle support pad

1шт.

179814

SPACER

3шт.

5

382922R11

COVER ASSY, seat support front

1шт.

5

383334R11

COVER ASSY, seat support front, tractors w/auxiliary valves

1шт.

120583

SCREW,Sl Rnd Hd, 1/4" - 20 x 5/8"

1/4-20 x 3/8 cd or zn-pltd hex-hd cap

8шт.

6

383175R1

COVER, seat support rear hex-hd cap

7шт.

1797789

SCREW, 1/4-20 x 3/8 cd or zn-pltd

1шт.

7

383176R11

CLIP ASSY, seat support front cover mounting

2шт.

179813

BOLT,Hex, 5/16" - 18 x 9/16", Gr 5

2шт.

8

382914R11

SUPPORT W/BUSHING, 382913R1 and plug, 444660RH seat, use w/support assy 383142R96

1шт.

8

391919R11

SUPPORT W/BUSHING, 382913R1 and plug, 444660, RH seat, use w/support assy 391916R92

1шт.

9

382913R1

BUSHING, seat support

1шт.

10

444660

DRAIN PLUG,Sq Soc, 3/8"-18 NPTF

PLUG, 3/8-18 auto sq-soc pipe

1шт.

11

1017989R1

PLUG

7/8-14 self aligning

4шт.

12

382915R1

SPRING

check valve, Farmall tractors 501 to 20564, International tractors, Serial Range: 501-5095

1шт.

13

382916R1

VALVE

POPPET, check valve, Farmall tractors 501 to 20564, International tractors, Serial Range: 501-5095

1шт.

14

382917R2

SEAT, check valve, Farmall tractors 501 to 20564, International tractors, Serial Range: 501-5095

1шт.

15

379181R1

O-RING,0.614" ID x 0.07" Width

5/8 x 3/4 x 1/16, check valve seat, Farmall tractors 501 to 20564, International tractors 501 to 5095

1шт.

16

382790R1

PLATE, access hole

1шт.

179791

BOLT,Hex, 1/4" - 20 x 1/2", Gr 5

4шт.

17

382791R1

GASKET

access hole plate

1шт.

18

1017971R1

PLUG, plastic tapered, not used on tractors with draft control or auxiliary valves

1шт.

19

383145R1

PLUG, 1-1/16, 12 self aligning, not used on tractors with draft control or auxiliary valves

1шт.

20

379144R1

PLUG, hyd transfer block, not used on tractors with draft control or auxiliary valves

1шт.

21

382920R1

COVER, auxiliary valve mounting pad, not used on tractors with draft control or auxiliary valves

1шт.

179837

BOLT,Hex, 3/8" - 16 x 3/4", Gr 5

3шт.

22

382921R1

GASKET, auxiliary valve mounting pad cover, not used on tractors with draft control or auxiliary valves

1шт.

23

382918R1

COVER, hyd quadrant support opening, not used on tractors with draft control

1шт.

179837

BOLT,Hex, 3/8" - 16 x 3/4", Gr 5

4шт.

24

382793R1

GASKET

quadrant support opening cover, not used on tractors with draft control

1шт.

25

9410361

PLUG

1-1/16-12 cd or zn-pltd str thd-o-ring boss, for 3/4 tube used on tractors with draft control or auxiliary valves

1шт.

26

368269R1

O-RING,0.116" Thk x 0.924" ID, -912, Cl 6, 90 Duro

for 3/4 OD tube, check valve port plug, used on tractors with draft control or auxiliary valves

1шт.

27

378899R1

PLUG

relief valve post, used on tractors with draft control or auxiliary valves, Farmall tractors 501 to 20564, International tractors, Serial Range: 501-5095

1шт.

28

389033R92

VALVE

ASSY, relief, used w/support, 383142R96

1шт.

28

388208R92

VALVE

ASSY, relief, used w/support, 391116R91, for components see list of parts under details of pilot relief valve, used on tractors with draft control or auxiliary valves

1шт.

29

364879R1

O-RING,0.103" Thk x 0.862" ID, -118, Cl 5, 75 Duro

7/8 x 1-1/16 x 3/32, relief valve outer, used on tractors with draft control or auxiliary valves

1шт.

30

362796R1

O-RING,0.924" ID x 0.103" Width

15/16 x 1-1/8 x 3/32, relief valve outer, used on tractors with draft control or auxiliary valves

1шт.

31

378985R2

BACK-UP RING

relief valve inner o-ring backup, used on tractors with draft control or auxiliary valves

1шт.

32

376023R4

COVER

control valve end, used on tractors with draft control or auxiliary valves

1шт.

179840

BOLT,Hex, 3/8" - 16 x 1 1/8", Gr 5

SCREW, 3/8-16 x 1-1/8 hex-hd cap

3шт.

33

381884R1

O-RING,0.103" Thk x 0.987" ID, -120, Cl 6, 90 Duro

valve end cover, small, used on tractors with draft control or auxiliary valves

2шт.

34

381885R1

O-RING,0.103" Thk x 1.362" ID, -126, Cl 6, 90 Duro

valve end cover, large, used on tractors with draft control or auxiliary valves

1шт.

35

376762R11

PISTON ASSY.

PISTON ASSY, unloading valve, used on tractors with draft control

1шт.

36

352024R2

O-RING,0.551" ID x 0.07" Width

unloading valve piston, used on tractors with draft control

1шт.

37

386907R11

VALVE

SEAT ASSY, unloading valve, used w/support assy, 383142R96

1шт.

37

391920R91

SEAT

ASSY, unloading valve, used w/support assy, 391916R92, used on tractors with draft control (Replaces 391120R91)

1шт.

38

383146R1

PLUG, regulator port, used on tractors with auxiliary valves

1шт.

39

391923R1

O-RING,0.103" Thk x 1.299" ID, -125, Cl 6, 90 Duro

1-5/16 x 1-1/2 x 3/32, carrier inner, used on tractors with draft control

1шт.

40

379141R1

O-RING,0.103" Thk x 1.362" ID, -126, Cl 5, 75 Duro

1-3/8 x 1-9/16 x 3/32, used w/support, 383142R96

1шт.

40

307915R1

O-RING,0.118" Thk x 1.475" ID, -920, Cl 6, 90 Duro

1-15/32 x 1-11/16 x 7/64, used w/support, 391116R91, carrier outer, used on tractors with draft control or auxiliary valves.

1шт.

41

299470R1

SNAP RING,1.625", Int, #162

Ring, Snap, , carrier, used on tractors with draft control or auxiliary valves 1.625", Int, #162

1шт.

42

364879R1

O-RING,0.103" Thk x 0.862" ID, -118, Cl 5, 75 Duro

7/8 x 1-1/16 x 3/32, relief valve inner, used on tractors w/draft control or auxiliary valves, Farmall tractors 501 to 20564, International tractors 501 to 5095

1шт.

43

378985R2

BACK-UP RING

relief valve inner o-ring backup, used on tractors w/draft control or auxiliary valves, Farmall tractors 501 to 20564, International tractors, Serial Range: 501-5095

1шт.

44

362796R1

O-RING,0.924" ID x 0.103" Width

15/16 x 1-1/8 x 3-32, relief valve inner, used on tractors w/draft control or auxiliary valves, Farmall tractors 501 to 20564, International tractors 501 to 5095

1шт.

45

379144R1

PLUG, hyd transfer block, not used on tractors w/draft control or auxiliary valves, Farmall tractors 501 to 20564, International tractors, Serial Range: 501-5095

1шт.

Выбрано товаров: 68