Запчасти Case IH 2826 (07-62) - DRIVE TRAIN, FOOT-N-INCH CONTROLS, HYDROSTATIC DRIVE TRACTORS (04) - Drive Train

Схема запчастей Case IH 2826 - (07-62) - DRIVE TRAIN, FOOT-N-INCH CONTROLS, HYDROSTATIC DRIVE TRACTORS (04) - Drive Train
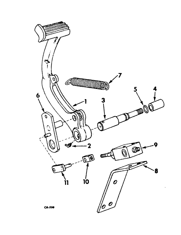
8
6
5
7
2
11
10
1
9
4
3
FIT
1:1
100%

Артикул

Название

Примечание

Количество

1

397468R1

PEDAL

foot-n-inch valve actuating

1шт.

2

219-53

LUBE NIPPLE,65 Degree Elbow, 3/16" NPTF

FITTING, 3/16 65 deg. angle drive type lub

1шт.

3

405973R1

SHAFT, foot-n-inch valve pedal

1шт.

4

364030R1

SPACER

pedal shaft

1шт.

443329

NUT, 5/8-11 hex, lock

1шт.

5

310943R1

RING

O-RING, 11/16 x 13/16 x 1/16

1шт.

6

405974R2

PLATE ASSY, pivot support

1шт.

32-1632

COTTER PIN,1/4" x 2"

PIN, SPLIT (COTTER), 1/4" x 2"

1шт.

7

533355R1

VALVE SPRING

SPRING, foot-n-inch pedal return

1шт.

8

405979R1

BRACKET, foot-n-inch valve support

1шт.

179881

BOLT,1/2" - 13 x 1", Gr 5

3шт.

9

530331R91

LOCK VALVE

VALVE ASSY, foot-n-inch w/dash pot, for components, see list of parts under details of foot-n-inch valve this section

1шт.

102635

NUT,3/8"-16, G5

2шт.

114493

JAM NUT,Jam, 5/16"-24, G5

1шт.

179850

BOLT,Hex, 3/8" - 16 x 2 3/4", Gr 5

SCREW, 3/8-16 x 2-3/4 hex-hd. cap

2шт.

103321

LOCK WASHER,3/8"

WASHER, LOCK, 3/8"

2шт.

10

398766R1

UNION

BAR, foot-n-inch valve adjusting

1шт.

11

406017R1

LINK ASSY, foot-n-inch valve

1шт.

103373

COTTER PIN,3/32" x 3/4"

Pin, Split (Cotter), 3/32" x 3/4"

2шт.

95-11034

WASHER,1/4"

11/32 x 11/16 x .065

2шт.

Выбрано товаров: 20