Запчасти Case IH 2826 (13-11) - SUPERSTRUCTURE, ADJUSTABLE SEAT BASE (05) - SUPERSTRUCTURE

Схема запчастей Case IH 2826 - (13-11) - SUPERSTRUCTURE, ADJUSTABLE SEAT BASE (05) - SUPERSTRUCTURE
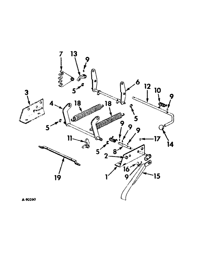
3
18
13
1
14
6
18
10
2
5
12
17
11
9
19
9
5
9
5
7
5
9
16
8
4
9
9
15
FIT
1:1
100%

Артикул

Название

Примечание

Количество

381292R93

BASE

ASSY, adjustable seat

1шт.

530336R93

BASE ASSY, adjustable seat w/stops, tractors with cab

1шт.

379273R1

BOLT,Hex, 1/2" - 13 x 1.28"

BOLT, 1/2-13 x 9/32 shoulder

1шт.

120378

NUT,Hex, 1/2" - 13, Gr 5

NUT, 1/2"-13, G5

4шт.

180174

BOLT,Hex, 1/2" - 13 x 1 1/8", Gr 5

SCREW, 1/2-13 x 1-1/8 C-Z hex-hd. cap

4шт.

120384

WASHER,1/2"

LOCK, 1/2"

8шт.

1

383292R91

ANGLE

SUPPORT, LH side

1шт.

2

384780R1

BEARING

LH side support

1шт.

3

383293R1

SUPPORT, RH side

1шт.

4

380694R1

LEVER

front

1шт.

5

373523R1

SNAP RING,#62, .480" Dia, E-Type

RING, retaining, #62, .480" Dia, E-Type

4шт.

6

383294R1

LEVER, rear

1шт.

7

380697R2

SECTOR

gear

1шт.

8

380698R2

SHAFT

lower pawl

1шт.

9

443148

GROOVED PIN,3/16" x 1", Type E

PIN, grooved, 3/16" x 1", Type E

6шт.

10

380699R1

SPRING

torsion

2шт.

11

380700R1

PAWL

lower

1шт.

12

380701R1

ROD, upper pawl release

1шт.

13

380702R1

PAWL

upper

1шт.

14

206286R1

KNOB

plastic

1шт.

15

383295R2

RELEASE, foot

1шт.

120388

7/16 x 1 x .083 C-Z

1шт.

16

380704R1

WASHER, spring wave

1шт.

17

142488

GROOVED PIN,1/8" x 1", Type A

PIN, grooved, 1/8" x 1", Type A

1шт.

18

383296R1

VALVE SPRING

SPRING, linkage main

2шт.

19

383297R1

STRAP, main spring mounting

1шт.

Выбрано товаров: 26