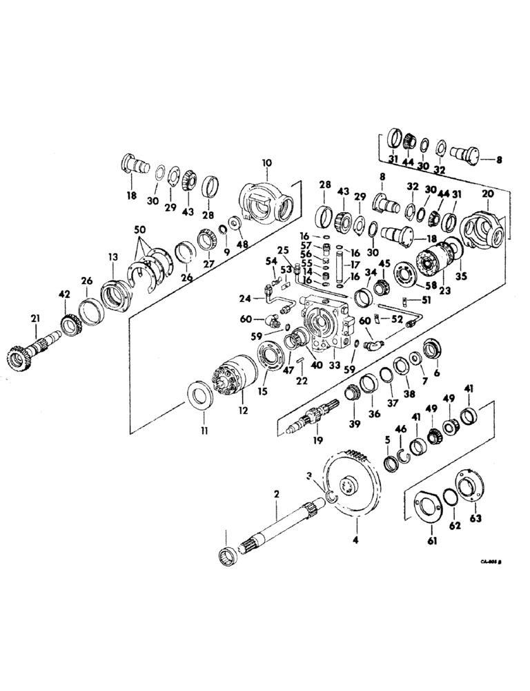
Запчасти Case IH 2826 (07-07) - DRIVE TRAIN, HYDROSTATIC DR. GEARS & SHAFTS, BEARINGS MOTOR & PUMP, CENTER SECTION, TUBES & CONNECT. (04) - Drive Train

Схема запчастей Case IH 2826 - (07-07) - DRIVE TRAIN, HYDROSTATIC DR. GEARS & SHAFTS, BEARINGS MOTOR & PUMP, CENTER SECTION, TUBES & CONNECT. (04) - Drive Train
43
38
8
10
60
30
49
45
41
37
33
23
21
54
32
24
34
6
20
59
16
57
17
35
49
27
63
31
29
47
11
29
42
44
46
41
60
30
44
30
43
16
61
12
40
56
26
25
28
51
2
13
59
48
16
16
62
4
5
58
26
50
53
15
32
22
7
1
30
16
52
19
18
8
36
18
55
28
9
3
39
31
FIT
1:1
100%

Артикул

Название

Примечание

Количество

1

876871R91

NEEDLE BEARING,1.375" ID x 1.6245" OD x 0.5"

independent PTO shaft needle

1шт.

2

406345R1

SHAFT

independent PTO driven

1шт.

17413R1

BOLT,Hex, 7/16"-14 x 3/4", G2, Full Thd

7/16 x 3/4 hex-hd. mach

1шт.

188755R1

WASHER

15/32 x 1-1/2 x 11 ga. C-Z

1шт.

3

202306R1

SNAP RING,#162, Ext

RING, snap, ., gear #162, Ext

1шт.

4

406344R1

GEAR

PTO driven, 58T

1шт.

5

406664R1

SPACER

PTO front brg

1шт.

6

406650R1

HUB

RETAINER, input shaft front bearing, oil seal

1шт.

179838

BOLT,Hex, 3/8" - 16 x 7/8", Gr 5, Full Thd

3/8-16 x 7/8 hex-hd cap

4шт.

7

406651R91

SEAL ASSY.,36.22mm ID x 57.3mm OD x 9.53mm Thk

SEAL ASSY, oil

1шт.

8

406645R1

TRUNNION

pump

2шт.

179841

BOLT,Hex, 3/8" - 16 x 1 1/4", Gr 5

3/8-16 x 1-1/4 hex-hd. cap

8шт.

9

406623R1

SNAP RING

RING, output shaft brg retaining, .156

1шт.

9

406624R1

RING

output shaft brg retaining, .159

1шт.

9

406625R1

RING

output shaft brg retaining, .162

1шт.

9

406626R1

RING

output shaft brg retaining, .165

1шт.

9

406627R1

SNAP RING

RING, output shaft brg retaining, .168

1шт.

9

406628R1

SNAP RING

RING, output shaft brg retaining, .171

1шт.

9

406629R1

RING

output shaft brg retaining, .174

1шт.

9

406630R1

RING

output shaft brg retaining, .177

1шт.

9

406631R1

SNAP RING

RING, output shaft brg retaining, .180

1шт.

9

406632R1

SNAP RING

RING, output shaft brg retaining, .183

1шт.

9

406633R1

RING

output shaft brg retaining, .186

1шт.

10

406638R1

HOUSING, motor swashplate

1шт.

11

406636R1

THRUST PLATE

1шт.

12

NSS

NOT SOLD SEPARAT

KIT, motor cylinder block, for components see list of parts under details of motor cylinder block kit listing, this section

1шт.

13

406617R1

HOUSING, ouput shaft rear brg

1шт.

217911

SCREW

3/8-16 x 7/8 hex-soc hd. cap

5шт.

14

534731R1

SLEEVE

tube connector

1шт.

15

406539R2

PLATE ASSY.

PLATE, valve, 25 series, motor

1шт.

16

393349R1

O-RING,0.07" Thk x 0.864" ID, -20, Cl 6, 90 Duro

7/8 x 1 x 1/16, charge by-pass and connector tubes

4шт.

17

406543R1

TUBE

charge

1шт.

18

406347R1

TRUNNION

motor

2шт.

179841

BOLT,Hex, 3/8" - 16 x 1 1/4", Gr 5

3/8-16 x 1-1/4 hex-hd. cap

8шт.

19

406343R1

SHAFT

input

1шт.

20

406342R1

HOUSING

pump swashplate

1шт.

21

406346R2

SHAFT, output

1шт.

22

394825R1

DOWEL

PIN, dowel

2шт.

23

NSS

NOT SOLD SEPARAT

KIT, pump cylinder block, for components see list of parts under details of pump cylinder block kit listing, this section

1шт.

24

406547R1

TUBE

ASSY, reverse pressure

1шт.

25

406545R1

TUBE

ASSY, forward pressure

1шт.

26

ST967

BEARING, CUP,2.5" ID x 4.4385" OD x 1.1955"

BEARING, output shaft rear cup

2шт.

27

ST2159

BEARING ASSY

BEARING, output shaft rear cone

1шт.

28

ST951

TAPERED BEARING,1.6255" ID x 3.376" OD x 1.202"

BEARING, motor trunnion cup

2шт.

29

406640R91

STRIPPER PACKAGE

PACKAGE, motor trunnion shim service

1шт.

30

380910R1

O-RING,0.103" Thk x 2.987" ID, -151, Cl 5, 75 Duro

3-3/16 x 3 x 3/32, trunnion sealing

4шт.

31

ST977

TAPERED BEARING,1.7715" ID x 3.277" OD x 0.9575"

BEARING, trunnion cup

2шт.

32

527403R91

STRIPPER PACKAGE

PACKAGE, trunnion shim service

1шт.

33

NSS

NOT SOLD SEPARAT

BODY ASSY, center section, for components see list of parts under details of center section body listing, this section

1шт.

20734R1

SCREW,Hex, 1/2"-13 x 2 1/2", G8

1/2-13 x 2-1/2 hex-hd. cap type 4

4шт.

24

530741R1

BEARING CUP

BERAING, input shaft rear cup

1шт.

35

400965R1

THRUST PLATE

PLATE, thrust

1шт.

36

13324D

BEARING CUP,2.391" ID x 3.001" OD x 0.952"

input shaft front cup

1шт.

37

295204R1

O-RING,0.103" Thk x 2.8" ID, -149, Cl 5, 75 Duro

2-13/16 x 3 x 3/32

1шт.

38

527404R91

STRIPPER PACKAGE

PACKAGE, retainer shim service

1шт.

39

13330DB

BEARING

input shaft front cone

1шт.

40

530745R1

BEARING, CUP

Output shaft front

1шт.

41

651817R1

BEARING CUP

BEARING, PTO front cup

2шт.

41

651817R1GV

BEARING CUP

Value, Bearing Cup

2шт.

42

ST2018A

BEARING ASSY,66.67mm ID x 30.24mm W

BEARING, output shaft rear cone

1шт.

43

ST791

TAPERED BEARING,1.6255" ID x 3.376" OD x 1.202"

BEARING, motor trunnion cone

2шт.

44

ST2118

TAPERED BEARING,1.75" ID x 3.27" OD x 0.9375"

BEARING, trunnion cone

2шт.

45

400983R91

ROLLER BEARING,1.18775" ID x 2.5317" OD x 0.8478"

BEARING, input shaft rear cone

1шт.

46

336497R1

CLIP

RING, brg. retaining

1шт.

47

406535R91

ROLLER BEARING,1.5005" ID x 3.251" OD x 1.1643, 0.9063"

BEARING, output shaft front cone

1шт.

48

406644R1

STOP

PLATE, output shaft front cone

1шт.

389259R1

BOLT,Hex, 1/2" - 20 x 1.84", Gr 4

lock plate

1шт.

49

651818R91

ROLLER BEARING,31.77 mm ID x 16.08 mm

BEARING, PTO front cone

2шт.

50

406619R91

KIT

PACKAGE, output shaft rear bearing housing shim service, consists of (3) shim (NSS) 406620R1, (3) shim (NSS) 406621R1, (1) shim (NSS) 406622R1

1шт.

51

534790R1

CLAMP

tube retaining

1шт.

357210R1

CAPSCREW,Hex, 3/8" - 16 x 3 1/4", Gr 8

CLAMP, tube retaining

1шт.

357210R1

CAPSCREW,Hex, 3/8" - 16 x 3 1/4", Gr 8

SCREW, 3/8-16 x 3-1/4 hex-hd. cap

1шт.

385190R1

WASHER

25/64 x 11/16 x .060

1шт.

614452R1

WASHER

3/8 x 1-1/4 x 11 ga. C-Z

1шт.

52

534787R1

PLATE

ASSY, tube mounting

1шт.

53

534785R1

LARGE PLATE

PLATE ASSY, tube mounting

1шт.

54

385093R1

ANCHOR

STRIP, pipe clamp

1шт.

179814

SPACER

1шт.

55

298385R1

O-RING,0.07" Thk x 0.676" ID, -17, Cl 5, 75 Duro

. 11/16 x 13/16 x 1/16

1шт.

56

534732R1

CLIP

tube retaining

1шт.

57

534730R1

TUBE

center section connector, replaces 406554R1, also order clip, 534732R1, o-ring, 298385R1 and sleeve 534731R1

1шт.

58

530739R2

PLATE

valve, 23 series, pump

1шт.

60

9410974

ELBOW,90 Degree, 7/16"-20, 37 Degree x 7/16"-20, O-Ring

7/16-20 3 deg. hyd. flare tube adj. str. thd. 90 deg.

2шт.

61

406666R1

SHIM

PTO front brg. over, .005 (or as required)

2шт.

61

406667R1

SHIM

PTO front brg. cover, .020 (or as required)

1шт.

62

379457R1

O-RING,0.103" Thk x 2.175" ID, -139, Cl 5, 75 Duro

2-3/16 x 2-3/8 x 3/32

1шт.

63

406665R1

COVER

OVER, PTO front brg.

1шт.

179838

BOLT,Hex, 3/8" - 16 x 7/8", Gr 5, Full Thd

3/8-16 x 7/8 hex-hd cap

2шт.

59

369751R1

O-RING,0.072" Thk x 0.351" ID, -904, Cl 6, 90 Duro

4-1, 90 Duro, .351" ID x .072" Thk

2шт.

Выбрано товаров: 89