Запчасти Case IH 284 (08-14) - ELECTRICAL, ALTERNATOR-GENERATOR AND CONNECTIONS, DIESEL ENGINE TRACTORS (06) - ELECTRICAL

Схема запчастей Case IH 284 - (08-14) - ELECTRICAL, ALTERNATOR-GENERATOR AND CONNECTIONS, DIESEL ENGINE TRACTORS (06) - ELECTRICAL
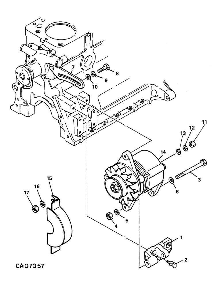
8
3
11
14
7
6
10
16
13
4
1
17
9
12
2
5
15
FIT
1:1
100%

Артикул

Название

Примечание

Количество

1

1058323C1

BRACKET

alternator generator

1шт.

2

478458C1

BOLT

M10 x 30mm

2шт.

3

1058380C1

BOLT

M10 x 120mm

1шт.

4

30168R1

NUT,M10, Cl 10

M10 PHC class 10

1шт.

5

978080C1

WASHER

M10 x M18 x M1.6

1шт.

6

1058389C1

WASHER

M10 lock

1шт.

7

1058324C1

BAR

adjusting

1шт.

8

1058412C1

BOLT

1шт.

9

1058388C1

WASHER

lock

1шт.

10

1058391C1

WASHER

1шт.

11

934871R1

NUT,M5, Cl 5

M5 class 5

2шт.

12

978125C1

WASHER

M5 lock

2шт.

13

978129C1

WASHER

1шт.

14

1058309C91

ALTERNATOR

GENERATOR ASSY, order 1430430R91, for componets see list of parts under details of alternator generator

1шт.

14

1430430R91

GENERATOR

ALTERNATOR GENERATOR ASSY

1шт.

15

1002838C3

SHIELD

COVER, alternator generator

1шт.

16

25552R1

WASHER,.344" x 1" x .098", HDN

.344 x 1.000 x .098 PHC hdn

1шт.

17

43362

NUT,M8 x 1.25, Cl 10

M8, Cl 10

1шт.

Выбрано товаров: 18