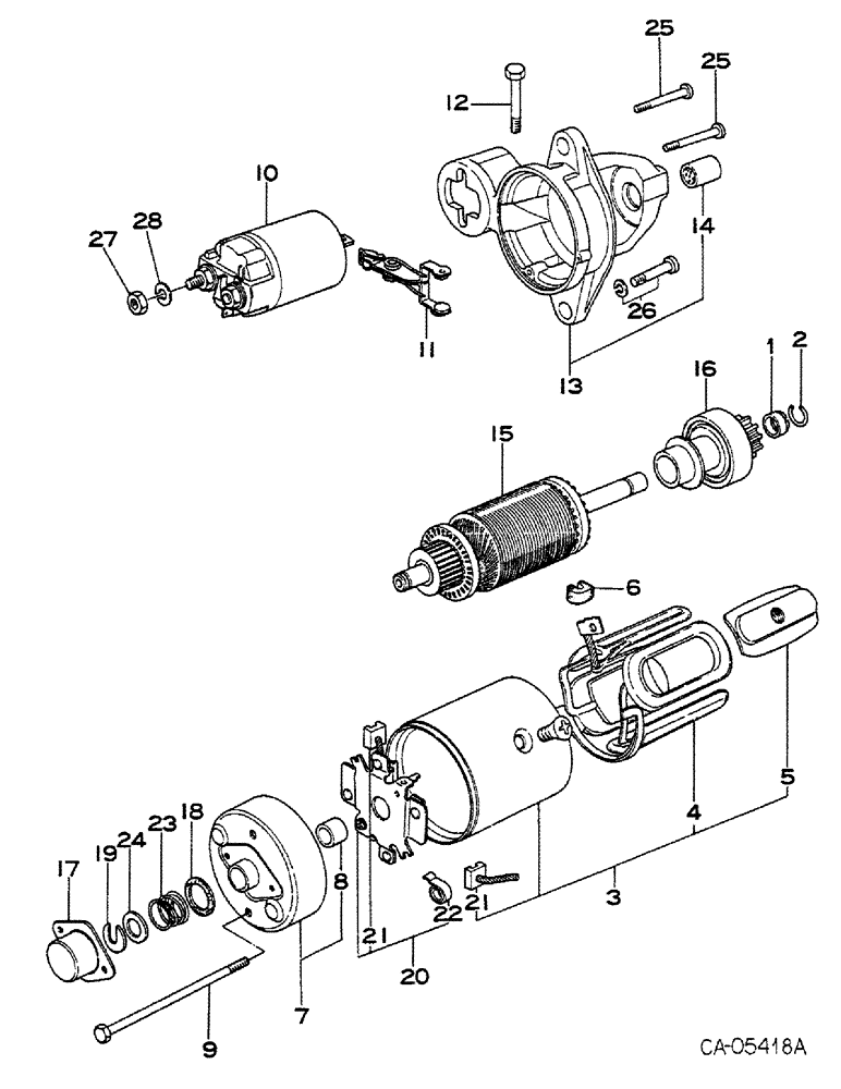
Запчасти Case IH 284 (08-18) - ELECTRICAL, CRANKING MOTOR, GASOLINE ENGINE TRACTORS (06) - ELECTRICAL

Схема запчастей Case IH 284 - (08-18) - ELECTRICAL, CRANKING MOTOR, GASOLINE ENGINE TRACTORS (06) - ELECTRICAL
11
26
24
3
19
4
1
15
27
10
5
6
8
17
16
13
20
12
21
21
7
14
22
25
9
18
25
28
23
2
FIT
1:1
100%

Артикул

Название

Примечание

Количество

1014321C91

MOTOR

ASSY, cranking

1шт.

1

1014039C1

COLLAR

clutch stop

1шт.

2

1014040C1

RING

snap

1шт.

3

1014059C1

YOKE

1шт.

4

1014060C1

COIL

field

1шт.

5

1014061C1

CORE, pole

4шт.

6

1014041C1

BRUSH, COMMUTATOR

BUSH

1шт.

7

1014047C1

FRAME

1шт.

8

1014027C1

BEARING

oil, less

1шт.

9

1014062C1

BOLT, through

2шт.

10

1014063C1

SWITCH

magnet

1шт.

11

1014064C1

LEVER, drive

1шт.

12

1014065C1

PIN, lever set

1шт.

13

1014206C1

HOUSING

drive side

1шт.

14

1014209C1

BEARING

1шт.

15

1014207C1

ARMATURE

1шт.

16

1014208C1

CLUTCH ASSEMBLY

CLUTCH, over running

1шт.

17

1014072C1

CAP, end frame

1шт.

18

1014073C1

WASHER

RUBBER PARTS

1шт.

19

1014074C1

PLATE

lock

1шт.

20

1014075C1

RING

rubber holder

1шт.

21

1014042C1

BRUSH

2шт.

22

1014043C1

VALVE SPRING

SPRING BRUSH

4шт.

23

1014076C1

SPRING

1шт.

24

1014077C1

WASHER

1шт.

25

1014078C1

SCREW

2шт.

26

1014527C1

BOLT

mounting

2шт.

1004521C1

WASHER, spring

2шт.

27

43362

NUT,M8 x 1.25, Cl 10

M8, Cl 10

1шт.

28

897948C1

WASHER

1шт.

Выбрано товаров: 30