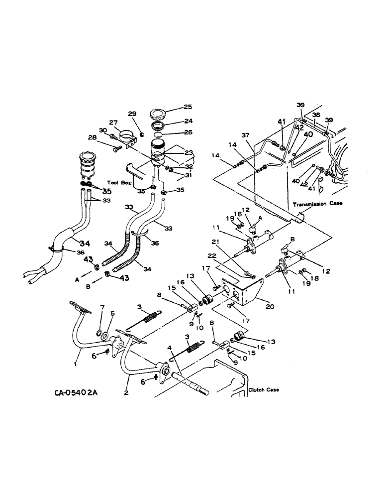
Запчасти Case IH 284 (04-02) - BRAKES, MAIN BRAKE CONTROL (5.1) - BRAKES

Схема запчастей Case IH 284 - (04-02) - BRAKES, MAIN BRAKE CONTROL (5.1) - BRAKES
19
3
11
25
37
35
39
30
15
8
2
31
18
36
36
26
40
23
11
33
20
9
18
42
12
6
39
28
32
14
29
15
1
19
34
34
9
17
13
33
17
35
41
12
10
34
21
13
6
22
27
7
4
42
35
16
43
8
40
24
43
38
5
10
3
33
14
16
8
41
FIT
1:1
100%

Артикул

Название

Примечание

Количество

1

973820C4

PEDAL

brake RH

1шт.

2

973821C4

PEDAL

brake LH

1шт.

3

973824C1

VALVE SPRING

SPRING

2шт.

4

1004953C2

SHAFT

replaces 973822C2

1шт.

5

21761R1

WASHER

.906 x 1.500 x .054

1шт.

6

1060403C1

FITTING

replaces 1014361C1

2шт.

7

933105R1

SNAP RING,M22, Ext

RING, snap

1шт.

8

1014985C1

PIN

2шт.

9

980491C1

WASHER

M8 x M16 x 1.2m

2шт.

10

PIN, 2 x 12mm pln cot., purchase locally

2шт.

973825C91

CYLINDER

ASSY, master, composed of

2шт.

11

CYLINDER (NSS)

2шт.

12

974225C1

ELBOW UNION

ELBOW

2шт.

13

973826C1

BOOT

2шт.

14

973827C1

SEAL ASSY.

SEAT

2шт.

15

974226C1

YOKE

2шт.

16

43362

NUT,M8 x 1.25, Cl 10

M8, Cl 10

2шт.

17

1014921C1

BOLT

BOLT, M8 x 30

4шт.

18

43362

NUT,M8 x 1.25, Cl 10

M8, Cl 10

4шт.

19

897948C1

WASHER

spring

4шт.

20

973828C1

BRACKET

1шт.

21

628-8020

BOLT,Hex, M8 x 20, 10.9, Full Thd

M8 x 20 class 8.8

3шт.

22

897948C1

WASHER

M8 lock

3шт.

23

1430692R1

RESERVOIR

oil, replaces 973830C2

1шт.

24

973831C1

CYLINDER END CAP

CAP, inner

1шт.

25

973832C1

CYLINDER END CAP

CAP, outer

1шт.

26

974578C1

FLOAT

1шт.

27

973833C1

BRACKET

gasoline engine tractors

1шт.

27

1062397C1

BRACKET

diesel engine tractors

1шт.

28

30003R1

BOLT,Hex, M8 x 1.25 x 25mm, Cl 10.9, Full Thd

M8 x 25 PHC class 10.9

1шт.

29

43362

NUT,M8 x 1.25, Cl 10

M8, Cl 10

1шт.

30

980495C1

SCREW

BOLT, M6 x 12mm

2шт.

31

15896221

NUT,Hex, M6, 5.20mm High, Cl 10

2шт.

32

(Not used)

1шт.

33

1014703C2

HOSE ASSY.

HOSE

2шт.

34

1004844C2

GUARD

replaces 1014705C1

1шт.

35

1060609C1

CLAMP, replaces 1014760C1

2шт.

36

976196C1

STRIP

STRAP

1шт.

37

973837C3

PIPE

RH

1шт.

38

973840C3

PIPE

LH

1шт.

39

973843C2

CLIP

2шт.

40

973827C1

SEAL ASSY.

SEAT

2шт.

41

1002979C1

ADAPTER

brake

2шт.

42

1014533C1

O-RING

2шт.

43

1060609C1

CLAMP

2шт.

Выбрано товаров: 45