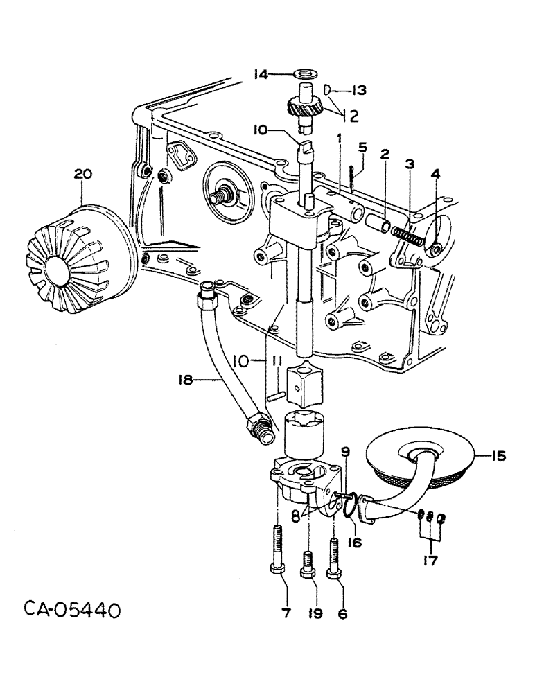
Запчасти Case IH 284 (12-14) - POWER, GASOLINE ENGINE, MAZDA, OIL PUMP AND FILTER Power

Схема запчастей Case IH 284 - (12-14) - POWER, GASOLINE ENGINE, MAZDA, OIL PUMP AND FILTER Power
8
3
18
10
1
4
6
17
11
5
19
9
10
12
15
20
7
16
13
2
14
FIT
1:1
100%

Артикул

Название

Примечание

Количество

1014135C91

PUMP

ASSY, oil (composed of reference numbers 1 - 19)

1шт.

1

BODY, oil pump (NSS)

1шт.

2

1014004C1

VALVE

PLUNGER

1шт.

3

1014005C1

SPRING

1шт.

4

1014006C1

SEAT

spring

1шт.

5

PIN, split (purchase locally)

1шт.

6

1014409C1

BOLT

1шт.

7

1014411C1

BOLT

1шт.

8

1014136C1

COVER

oil pump

1шт.

9

1014419C1

STUD

2шт.

10

1014137C1

SHAFT

oil pump

1шт.

1014046C1

ROTOR

1шт.

11

1014138C1

PIN

1шт.

12

1014139C1

SHAFT

oil pump driven gear

1шт.

13

1014248C1

KEY

1шт.

14

1014140C1

THRUST WASHER

thrust (T=2.0)

1шт.

14

1014141C1

THRUST WASHER

thrust (T=2.5)

1шт.

14

1014142C1

WASHER

SHIM, thrust (T=0.1)

3шт.

14

1014143C1

THRUST WASHER

thrust (T=2.3)

1шт.

14

1014144C1

THRUST WASHER

thrust (T=1.8)

1шт.

15

1014145C1

STRAINER, oil

1шт.

16

1014397C1

O-RING

1шт.

17

1004516C1

LOCK NUT

oil strainer

2шт.

1004517C1

WASHER, spring

2шт.

1014442C1

WASHER, flat

2шт.

18

1014146C1

PIPE

oil pump

1шт.

19

1014408C1

SCREW

2шт.

20

1014308C1

FILTER, ENGINE OIL

FILTER, oil

1шт.

Выбрано товаров: 28