Запчасти Case IH 284 (07-12) - DRIVE TRAIN,TRANSMISSION (04) - Drive Train

Схема запчастей Case IH 284 - (07-12) - DRIVE TRAIN,TRANSMISSION (04) - Drive Train
38
34
31
46
39
10
b
32
35
48
44
38
47
50
29
45
22
44
42
2
d
5
53
36
54
55
21
51
25
12
43
2
52
18
41
6
28
7
23
6
13
a
41
9
30
1
c
c
15
11
17
33
27
4
16
45
20
14
49
b
3
38
24
19
d
17
26
8
46
FIT
1:1
100%

Артикул

Название

Примечание

Количество

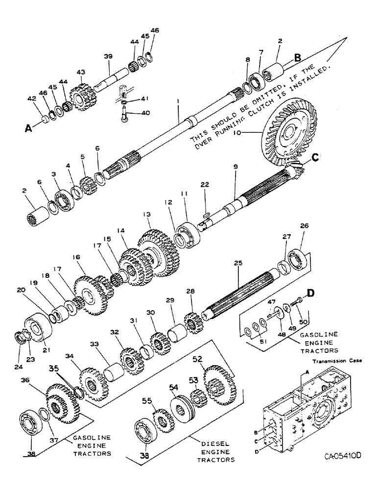
1

973591C1

SHAFT

input tractors w/o overrunning clutch

1шт.

1

1059759C1

SHAFT

input tractors w/overrunning clutch

1шт.

2

973592C2

COUPLING

one used on tractors w/over running clutch

2шт.

3

ST213

BALL BEARING,30 mm ID x 62 mm OD x 16 mm

BEARING

1шт.

4

973593C1

SPACER

1шт.

5

973594C2

GEAR

input

1шт.

6

1002932C1

RING, SNAP

2шт.

7

ST225B

BALL BEARING,25 mm ID x 52 mm OD x 13 mm

BEARING

1шт.

8

1062179C1

SNAP RING,M25, Ext

RING, snap

1шт.

973595C91

GEAR-SET

SHAFT SET, composed of

1шт.

9

SHAFT, not serviced

1шт.

10

GEAR, ring (not serviced)

1шт.

11

12331VA

BALL BEARING,1.378" ID x 2.8346" OD x 1.0625"

BEARING

1шт.

12

1002931C1

RING

snap

1шт.

13

973603C2

GEAR WHEEL

GEAR, slide 1st and 2nd

1шт.

14

973604C2

GEAR

slide 3rd and 4th

1шт.

15

973562C3

SPACER

1шт.

16

973563C3

GEAR

high-low, gasoline tractors

1шт.

16

1061193C1

GEAR WHEEL

GEAR, high-low, diesel tractors

1шт.

17

1002977C2

BEARING, NEEDLE,30mm ID x 35mm OD x 20mm

2шт.

18

973577C3

SPACER

1шт.

19

973578C1

SPACER

1шт.

20

973991C1

RING, SNAP

O-RING

1шт.

21

973579C1

BRAKE

DRUM, brake

1шт.

22

979812C1

KEY

7 x 7 x 20

1шт.

23

1014799C1

WASHER

1шт.

24

1014950C1

NUT

1шт.

25

1004858C2

SHAFT

counter gasoline engine tractors serial no. 011053 and above (replaces 973590C4) on orders for displaced shaft, gear, 1004860C1 & ring 1004860C1 must also be ordered on tractors with serial no. 011052 & below

1шт.

REF. 25A - 1004858C2 - Note is corrected to read as follows: On orders for displaced shaft 1004859C1 (gear) and 1004860C1 (ring) must also be ordered on tractors with serial no. 011052 and below.

1шт.

25

1061191C2

SHAFT

counter diesel engine tractors

1шт.

26

ST213

BALL BEARING,30 mm ID x 62 mm OD x 16 mm

BEARING

1шт.

27

973593C1

SPACER

1шт.

28

973585C3

GEAR

1st

1шт.

29

973583C2

SPACER

1шт.

30

973586C2

GEAR

2nd

1шт.

31

973580C1

SPACER

1шт.

32

973587C2

GEAR WHEEL

GEAR, 3rd

1шт.

33

973581C1

SPACER

1шт.

34

1004859C1

GEAR

4th gasoline engine tractors serial no. 011053 & above (replaces 973588C2) on orders for displaced gear, shaft 1004858C1 & ring 1004860C1 must also be ordered on tractors with serial no. 011052 & below

1шт.

34

1061192C2

GEAR

4th diesel engine tractors

1шт.

35

1004860C1

RING

split, replaces 1014982C1

2шт.

36

973589C2

GEAR

slide high-low gasoline engine tractors

1шт.

37

NOT USED

1шт.

38

ST241

BALL BEARING,30 mm ID x 72 mm OD x 19 mm

BEARING

1шт.

39

973992C1

SHAFT

reverse

1шт.

40

973993C1

BOLT,Set, Hex, M10 x 1.5 x 45mm

BOLT, set

1шт.

41

979819C1

WASHER

seal

1шт.

42

973997C1

PLUG

1шт.

43

973346C2

GEAR WHEEL

GEAR, reverse

1шт.

44

973994C1

BEARING

needle

2шт.

45

973995C2

THRUST WASHER

thrust

2шт.

46

988839C1

RING, SNAP

2шт.

47

932572R1

LOCK PIN,M4 x 12, Slotted

PIN, roll gasoline engine tractors, serial no. 012228 and below

1шт.

48

1002976C1

WASHER

gasoline engine tractors, serial no. 012228 and below

1шт.

49

1014529C1

WASHER

gasoline engine tractors, serial no. 012228 and below

1шт.

50

628-8020

BOLT,Hex, M8 x 20, 10.9, Full Thd

M8 x 20 class 8.8, Gasoline engine tractors, Serial no. 012228 and below

1шт.

51

1004824C1

SHIM

countershaft (1.0) gasoline engine tractors, serial no. 011052 and below

1шт.

51

1004825C1

SHIM

countershaft (0.5) gasoline engine tractors, serial no. 011052 and below

1шт.

51

1004826C1

SHIM

countershaft (0.1) gasoline engine tractors, serial no. 011052 and below

1шт.

51

1004827C1

SHIM

countershaft (0.05) gasoline engine tractors, serial no. 011052 and below

1шт.

52

1061195C1

GEAR WHEEL

GEAR, 39T, diesel tractors

1шт.

53

1061194C3

GEAR

25T, diesel tractors

1шт.

54

1061196C3

SLEEVE

diesel tractors

1шт.

55

1061197C2

HUB

diesel tractors

1шт.

Выбрано товаров: 64