Запчасти Case IH 284 (07-18) - DRIVE TRAIN, POWER TAKE-OFF, DUAL SPEED (04) - Drive Train

Схема запчастей Case IH 284 - (07-18) - DRIVE TRAIN, POWER TAKE-OFF, DUAL SPEED (04) - Drive Train
8
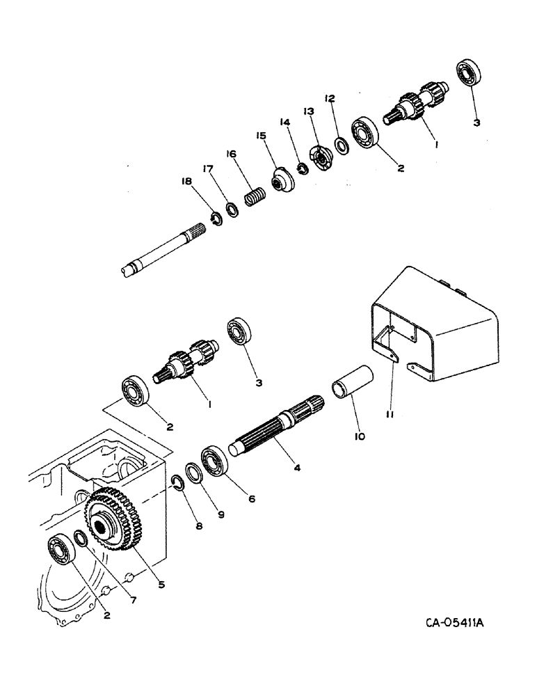
1
2
5
13
2
12
2
11
15
3
10
7
17
18
4
14
6
1
9
3
16
FIT
1:1
100%

Артикул

Название

Примечание

Количество

1

974441C5

SHAFT

input tractors w/o overrunning clutch

1шт.

1

1059758C1

SHAFT

input tractors w/overrunning clutch

1шт.

2

ST241

BALL BEARING,30 mm ID x 72 mm OD x 19 mm

BEARING

2шт.

3

ST288

BEARING, BALL,25 mm ID x 62 mm OD x 17 mm

BEARING

1шт.

4

1002788C1

SHAFT

output

1шт.

5

974435C4

GEAR

slide

1шт.

6

ST205A

BEARING, BALL,35 mm ID x 72 mm OD x 17 mm

BEARING

1шт.

7

973562C3

SPACER

1шт.

8

1004860C1

RING

snap

1шт.

9

1002795C1

WASHER

1шт.

10

393116R1

TUBE

replaces 406805R1

1шт.

11

1002945C2

SHIELD

1шт.

12

1430773R1

WASHER

tractors w/overrunning clutch

1шт.

13

1059757C2

CLUTCH ASSEMBLY

CLUTCH, rear, tractors w/overrunning clutch

1шт.

14

1062179C1

SNAP RING,M25, Ext

RING, snap, tractors w/overrunning clutch

1шт.

15

1059756C1

CLUTCH

front, tractors w/overrunning clutch

1шт.

16

1430792R1

VALVE SPRING

SPRING, tractors w/overrunning clutch

1шт.

17

1430808R1

WASHER

tractors w/overrunning clutch

1шт.

18

1062179C1

SNAP RING,M25, Ext

RING, snap, tractors w/overrunning clutch

1шт.

Выбрано товаров: 19