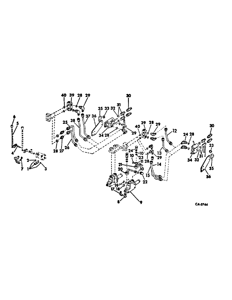
Запчасти Case IH 2856 (F-26) - HYDRAULICS SYSTEM, SECOND AUXILIARY VALVE AND TUBES WITH LEVER ACTUATE HYDRAULIC, COUPLERS (07) - HYDRAULIC SYSTEM

Схема запчастей Case IH 2856 - (F-26) - HYDRAULICS SYSTEM, SECOND AUXILIARY VALVE AND TUBES WITH LEVER ACTUATE HYDRAULIC, COUPLERS (07) - HYDRAULIC SYSTEM
28
6
10
29
37
18
35
5
30
29
32
24
20
28
21
33
10
14
9
30
36
28
40
15
11
4
39
39
29
31
31
12
13
28
8
29
35
28
27
33
34
26
32
10
40
3
22
36
38
7
17
23
28
24
34
1
2
19
25
FIT
1:1
100%

Артикул

Название

Примечание

Количество

535025R91

PARTS ACCESSORY, second auxiliary valve and manifold tubes, for tractors equipped with single auxiliary valve consists of all parts marked unit A

1шт.

536928R91

PARTS ACCESSORY, LH rear lever actuated hydraulic coupler, for use with first valve on tractors equipped w/single or double auxiliary valve and without double acting check valve, consists of all parts marked unit B

1шт.

536931R91

PARTS ACCESSORY, LH rear lever actuated hydraulic coupler, for use with first valve on tractors equipped w/single or double auxiliary valve and with double acting check valve, consists of all parts marked unit C

1шт.

539929R91

PARTS ACCESSORY, RH rear lever actuated hydraulic coupler, for use with the second valve on tractors equipped w/double auxiliary valve and without front outlet manifold or double acting check valve, consists of all parts marked unit D

1шт.

536932R91

PARTS ACCESSORY, RH rear lever actuated hydraulic coupler, for use with the second valve on tractors equipped w/double acting check valve but without front outlet manifold, consists of all parts marked unit E

1шт.

536934R91

PARTS ACCESSORY, RH rear lever actuated hydraulic coupler, for use with second, valve on tractors equipped w/double auxiliary valve and front outlet manifold but without double acting check valve, consists of all part marked unit F

1шт.

536935R91

PARTS ACCESSORY, RH rear lever actuated hydraulic coupler, for use with the second valve on tractors equipped w/double auxiliary valve, double acting check valve and front outlet manifold, consists of all parts marked unit G

1шт.

1

384111R91

SUPPORT

ASSY, double control lever tube inner, unit A

1шт.

2

383233R1

BUSHING,19.15mm ID x 20.65mm OD x 9.65mm L

control lever tube, unit A

1шт.

3

383234R1

BUSHING,11.14mm ID x 12.71mm OD x 6.35mm L

control lever shaft, unit A

1шт.

4

389166R12

BASE

ASSY, auxiliary valve outer handle, unit A

1шт.

5

389167R1

LEVER

HANDLE, auxiliary valve control outer, unit A

1шт.

179841

BOLT,Hex, 3/8" - 16 x 1 1/4", Gr 5

3/8-16 x 1-1/4 hex-hd cap

1шт.

6

389168R1

KNOB

auxiliary valve control handle, unit A

1шт.

7

20641R1

SCREW

5/16-18 x 1-3/8 hex-hd mach, adjusting screw, unit A

1шт.

114502

JAM NUT,Jam, 5/16"-18, G5

1шт.

8

384112R11

DRIVE ASSY.

ACTUATOR ASSY, valve spool, unit A

1шт.

9

529910R93

LOCK VALVE

VALVE ASSY, hydraulic control, unit A, for components see list of parts under details of hydraulic control valve

1шт.

20846R1

BOLT,Hex, 3/8" - 16 x 4 5/8", Gr 8

SCREW, 3/8-16 x 4-5/8 hex-hd cap

3шт.

10

364885R1

O-RING,0.097" Thk x 0.755" ID, -910, Cl 6, 90 Duro

3/4 x 15/16 x 3/32, 4 for unit A

1шт.

11

9410204

HYD CONNECTOR,7/8"-14, 37 Degree x 7/8"-14, O-Ring

UNION, 7/8-14 37 deg C-Z hyd flared tube short swivel, unit A

1шт.

12

535034R1

TUBE

ASSY, LH coupler upper, unit C

1шт.

13

535035R1

TUBE

ASSY, LH coupler lower, unit C

1шт.

14

535030R1

TUBE ASSY, LH coupler lower, unit B

1шт.

15

535029R1

TUBE ASSY, LH coupler upper, unit B

1шт.

16

Not used in this application

1шт.

17

383243R92

ARM

ASSY, valve operating outer, unit A

1шт.

103384

COTTER PIN,1/8" x 3/4"

Pin, Split (Cotter), 1/8" x 3/4"

1шт.

Q875

HEADED PIN,3/8" x 1 5/16"

PIN, 3/8 x 1-5/16 headed

1шт.

364436R1

PIN,3/16" x 1", Coiled

1шт.

18

381885R1

O-RING,0.103" Thk x 1.362" ID, -126, Cl 6, 90 Duro

1-3/8 x 1-9/16 x 3/32, control valve large, unit A

1шт.

19

381884R1

O-RING,0.103" Thk x 0.987" ID, -120, Cl 6, 90 Duro

1 x 1-3/16 x 3/32, control valve small, 2 for unit A

1шт.

20

398433R1

TUBE

ASSY, right rear lift, unit A

1шт.

21

398426R1

TUBE

ASSY, right rear drop, unit A

1шт.

22

9410978

ELBOW,90 Degree, 7/8"-14, 37 Degree x 7/8"-14, O-Ring

7/8-14 C-Z 37 deg hyd flared tube adj str thd 90 deg unit A

1шт.

23

384376R1

O-RING,0.07" Thk x 0.926" ID, -21, Cl 6, 90 Duro

15/16 x 1-1/16 x 1/16, 2 for unit A

1шт.

24

378169R1

SCREW,Hex, 7/8" - 14 x 1.62"

PLUG, rear tube inlet union short, 2 for unit A

1шт.

25

535039R1

TUBE ASSY, RH coupler upper, unit F

1шт.

26

535040R1

TUBE ASSY, RH coupler lower, units A and D

1шт.

26

535047R1

TUBE ASSY, RH coupler lower, unit F

1шт.

27

9410204

HYD CONNECTOR,7/8"-14, 37 Degree x 7/8"-14, O-Ring

UNION, 7/8-14 37 deg C-Z hyd flared tube short swivel, 2 for units A, D and F

1шт.

28

364885R1

O-RING,0.097" Thk x 0.755" ID, -910, Cl 6, 90 Duro

3/4 x 15/16 x 3/32, 4 for units A, B, C, D, E, F & G

1шт.

29

9410978

ELBOW,90 Degree, 7/8"-14, 37 Degree x 7/8"-14, O-Ring

7/8-14 C-Z 37 deg hyd flared tube adj str thd 90 deg, 2 for units, A, D and F, 4 for units B, C, E and G

1шт.

30

544787R91

COUPLING, BREAK AWAY

COUPLER ASSY, male, 2 for units A, B, C, D, E, F & G

1шт.

31

535789R91

PLUG ASSY, coupler dust, 2 for units A, B, C, D, E, F & G

1шт.

32

401758R1

WASHER,14.48mm ID x 38.1mm OD x 3.05mm Thk

coupler dust plug, 2 for units A, B, C, D, E, F & G

1шт.

33

25641R1

OIL SEAL

RING, retaining, units A, B, C, D, E, F & G

1шт.

34

544786R93

COUPLING

COUPLER ASSY, female, units A, B, C, D, E, F & G, for components see list of parts under details of female coupler

1шт.

35

537588R1

PLUG

BRACKET, dust plug mounting, units A, B, C, D, E, F & G

1шт.

36

535033R1

BRACKET

coupler, units A, B, C, D, E, F & G

1шт.

179880

BOLT,Hex, 1/2" - 13 x 7/8", Gr 5

SCREW, 1/2-13 x 7/8 hex-hd cap

2шт.

271556

WHEEL CYLINDER,Hex, 5/8" - 11 x 1 1/4", Gr 5

SCREW, 5/8-11 x 1-1/4 hex-hd cap, tractors without hitch or drawbar

2шт.

413-1036

BOLT,Hex, 5/8" - 11 x 2-1/4", Gr 5

SCREW, 5/8-11 x 2-1/4 hex-hd cap, tractors w/three-point hitch cross drawbar, vertical adj drawbar or heavy duty drawbar

3шт.

271565

SHIELD,Hex, 5/8" - 11 x 2 3/4", Gr 5

SCREW, 5/8-11 x 2-3/4 hex-hd cap, tractors w/two-point hitch cross drawbar

3шт.

37

535041R1

TUBE

ASSY, RH coupler upper, unit E

1шт.

37

535048R1

TUBE ASSY, RH coupler upper, unit G

1шт.

38

535042R1

TUBE

ASSY, RH coupler lower, unit E

1шт.

38

535049R1

TUBE ASSY, RH coupler lower, unit G

1шт.

39

374083R92

VALVE

ASSY, double acting check, units C, E, F and G, for components see list of parts under details of double acting check valve

1шт.

102635

NUT,3/8"-16, G5

2 for unit C 3/8"-16, G5

1шт.

179847

BOLT,Hex, 3/8" - 16 x 2", Gr 5

2 for unit E Hex, 3/8"-16 x 2", G5

1шт.

186283

BOLT,Hex, 3/8" - 16 x 3 1/2", Gr 5

SCREW, 3/8-16 x 3-1/2 hex-hd cap, 2 for unit G

1шт.

186285

BOLT,Hex, 3/8" - 16 x 4", Gr 5

2 for unit C Hex, 3/8"-16 x 4", G5

1шт.

95-11041

WASHER,3/8"

(13/32 x 13/16 x .065), 2 for unit C 3/8"

1шт.

40

379794R1

O-RING,0.103" Thk x 1.237" ID, -124, Cl 5, 75 Duro

1-1/4 x 1-7/16 x 3/32, 2 for units C, E, F and G

1шт.

Выбрано товаров: 65