Запчасти Case IH 2856 (A-04) - CHASSIS, RADIATOR AND SHEET METAL, FRONT CHANNELS AND BOLSTERS Chassis, Radiator & Sheet Metal

Схема запчастей Case IH 2856 - (A-04) - CHASSIS, RADIATOR AND SHEET METAL, FRONT CHANNELS AND BOLSTERS Chassis, Radiator & Sheet Metal
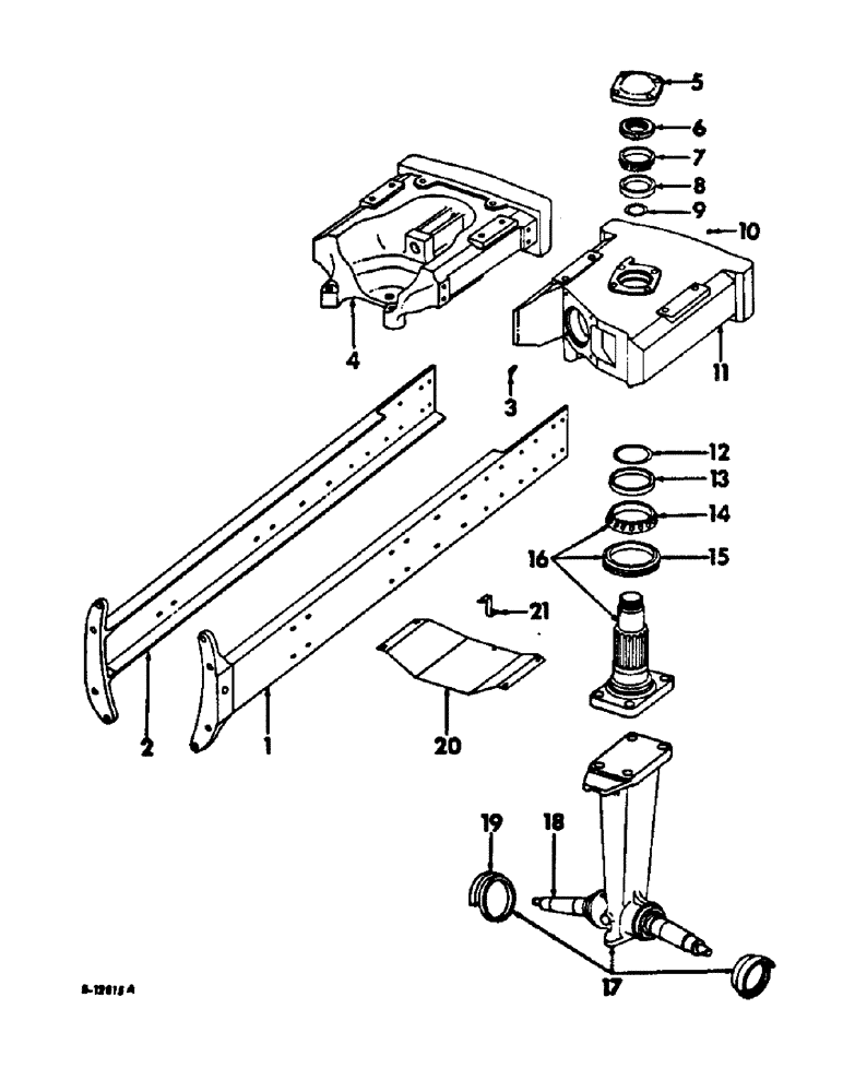
14
2
9
21
5
18
8
3
13
16
11
19
6
10
12
17
20
1
7
15
4
FIT
1:1
100%

Артикул

Название

Примечание

Количество

1

379398R11

SPARE PART CHANNEL ASSY, RH front frame, carbureted engine tractors

2шт.

525841R1

BOLT,Hex, 5/8" - 11 x 1 1/2", Gr 8

SCREW, 5/8-11 x 1-1/2 hex-hd cap

4шт.

271564

BOLT,Hex, 5/8" - 11 x 2 1/2", Gr 5

SCREW, 5/8-11 x 2-1/2 hex-hd cap, engine front cover to channel mounting

2шт.

361313R1

SPARE PART SCREW, 3/4-10 x 2-1/2 hex-hd cap

2шт.

396843R1

SCREW, 3/4-10 x 2-1/2 12 pt cap

2шт.

1

379400R11

SPARE PART CHANNEL ASSY, RH front frame, diesel engine tractors

2шт.

396383R1

SPARE PART BOLT, channel bracket

2шт.

396841R1

12 PT SCREW,Flg, 3/4" - 10 x 4"

BOLT, channel bracket

2шт.

525841R1

BOLT,Hex, 5/8" - 11 x 1 1/2", Gr 8

SCREW, 5/8-11 x 1-1/2 hex-hd cap

4шт.

20548R1

BOLT,Hex, 5/8" - 11 x 1 3/4", Gr 8

SCREW, 5/8-11 x 1-3/4 hex-hd cap type 4, engine front support to channel mounting

4шт.

2

379397R11

SPARE PART CHANNEL ASSY, LH front frame, carbureted engine tractors

1шт.

525841R1

BOLT,Hex, 5/8" - 11 x 1 1/2", Gr 8

SCREW, 5/8-11 x 1-1/2 hex-hd cap

4шт.

NLS

NO LONGER SERVICED

SCREW, 5/8-11 x 2-1/2 hex-hd cap, engine front cover to channel mounting

2шт.

361313R1

SPARE PART SCREW, 3/4-10 x 2-1/2 hex-hd cap

2шт.

396843R1

SCREW, 3/4-10 x 2-1/2 12 pt cap

2шт.

2

379399R11

SPARE PART CHANNEL ASSY, LH front frame, diesel engine tractors

1шт.

396383R1

SPARE PART BOLT, channel bracket

2шт.

396841R1

12 PT SCREW,Flg, 3/4" - 10 x 4"

BOLT, channel bracket

2шт.

525841R1

BOLT,Hex, 5/8" - 11 x 1 1/2", Gr 8

SCREW, 5/8-11 x 1-1/2, hex-hd cap

4шт.

20548R1

BOLT,Hex, 5/8" - 11 x 1 3/4", Gr 8

SCREW, 5/8-11 x 1-3/4 hex-hd cap, type 4 engine front support to channel mounting

4шт.

3

80722

LUBE NIPPLE,3/16" x .55" lg, Drive

FITTING, 3/16 straight drive type lub

1шт.

4

367057R51

SPARE PART BOLSTER W/BUSHING, 399972R1, upper, International tractors

1шт.

5

378648R1

COVER

COVER, upper bolster pivot shaft, Farmall tractors

1шт.

179883

BOLT,Hex, 1/2" - 13 x 1 1/4", Gr 5

4шт.

6

374248R1

NUT

NUT, upper bolster pivot shaft, Farmall tractors

1шт.

7

ST2086

BEARING ASSY,44.45mm ID x 29.9mm W

BEARING ASSY, upper bolster pivot shaft upper cone, Farmall tractors

1шт.

8

13207D

BEARING CUP,95.28mm OD x 22.35mm W

BEARING, upper bolster pivot shaft upper cup, Farmall tractors

1шт.

9

259246R1

O-RING,0.139" Thk x 3.859" ID, -241, Cl 5, 75 Duro

O-RING, 3-7/8 x 4-1/8 x 1/8, Farmall tractors

1шт.

10

384803R1

SPARE PART PLUG, upper bolster, Farmall tractors

1шт.

11

397478R11

SPARE PART

BOLSTER ASSY, upper, Farmall tractors composed of (1) bearing ST981, (1) bearing 13207D, (1) bolster 397478R1 (NSS), (1) plug 384803R1

1шт.

12

252734R1

O-RING,0.21" Thk x 2.725" ID, -335, Cl 5, 75 Duro

O-RING, 2-3/4 x 3-1/8 x 3/16, Farmall tractors

1шт.

13

ST981

BEARING CONE,112.71mm OD x 19.05mm W

BEARING, upper bolster pivot shaft, lower cup, Farmall tractors

1шт.

14

ST2087

TAPERED BEARING,2.7815" ID x 4.4385" OD x 1.014"

BEARING, upper bolster pivot shaft, lower cone, Farmall tractors

1шт.

15

369380R91

OIL SEAL

SEAL, upper bolster pivot shaft oil, Farmall tractors

1шт.

16

379363R21

SHAFT

SHAFT ASSY, upper bolster pivot, Farmall tractors

1шт.

17

379989R11

SPARE PART BOLSTER ASSY, lower, Farmall tractors

1шт.

384195R1

12 PT SCREW,Flg, 3/4" - 10 x 2 1/4"

SCREW, 3/4-10 x 2-1/4 12 point cap

4шт.

18

370253R1

SPARE PART AXLE, front, Farmall tractors

1шт.

19794R1

RIVET, 5/8 x 3-3/4 rd-hd

1шт.

19

48701D

SHIELD

SHIELD, front wheel dust, Farmall tractors

2шт.

20

381714R1

SHIELD

SHIELD, fan pulley, Farmall tractors

1шт.

256873

BOLT,Hex Serr, 5/16" - 18 x 1/2", 5SPL, Full Thd

4шт.

21

381715R1

SPARE PART BRACKET, fan pulley shield, Farmall tractors

1шт.

9635082

NUT,5/16" - 18, Gr 5

1шт.

369222R1

BOLT,Hex Wshr Hd, 5/16" - 18 x 5/8"

SCREW, 5/16-18, 5/8 hex-washer-hd cap

1шт.

Выбрано товаров: 45