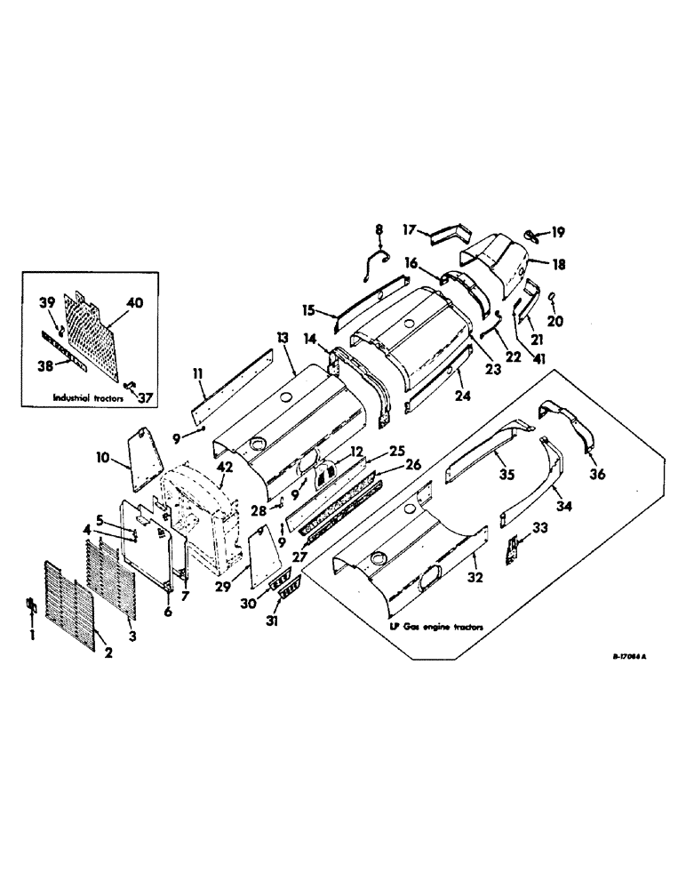
Запчасти Case IH 2856 (A-07) - CHASSIS, RADIATOR AND SHEET METAL, HOOD AND RADIATOR GRILLE Chassis, Radiator & Sheet Metal

Схема запчастей Case IH 2856 - (A-07) - CHASSIS, RADIATOR AND SHEET METAL, HOOD AND RADIATOR GRILLE Chassis, Radiator & Sheet Metal
3
27
20
17
16
42
15
9
25
21
9
35
1
33
32
13
9
31
14
39
26
23
28
19
18
30
41
2
5
29
10
22
8
6
7
24
4
40
34
37
12
11
36
38
FIT
1:1
100%

Артикул

Название

Примечание

Количество

1

2751809R1

DECAL

PRODUCT GRAPHIC, IH emblem, die casting, optional with 2751847R1

1шт.

385059R1

SCREW,Cross Flat Hd, #10 - 24 x 7/8"

SPARE PART SCREW, 10-24 x 7/8 cr-rec-flat-hd mach

2шт.

147794

SPARE PART SCREW, 10-24 x 1/2 cr-rec-rd-hd mach, Industrial tractors

2шт.

131015

WASHER

3/16 x 7/16 x .049 C-Z

2шт.

1

2751847R1

PRODUCT GRAPHIC

PRODUCT GRAPHICS, IH emblem, plastic, optional with 2751809R1

1шт.

385129R1

SCREW,Sl Rnd Hd, #10 - 16 x 3/8"

SCREW, 10-16 x 3/8 thd-cutting

2шт.

385130R1

SPARE PART SCREW, 10-16 x 9/16 thd-cutting, Industrial tractors

2шт.

2

398641R1

SPARE PART GRILLE, radiator, Farmall tractors

1шт.

3

398645R1

SPARE PART GRILLE, radiator, International tractors

1шт.

4

398639R1

SPRING

SPRING, grille latch pin

2шт.

19443R1

PIN,5/32" x 5/8", Coiled

2шт.

5

398638R1

PIN

PIN, grille latch

2шт.

159992

SPARE PART SCREW, 10-32 x 3/16 C-Z cr-rec pan-hd

2шт.

6

398644R1

GRILLE

SCREEN, radiator grille, Farmall tractors

1шт.

118279

SPARE PART PIN, no. 10 x 1/2 Escutcheon

15шт.

103337

WASHER,#6

15шт.

7

398647R1

SPARE PART SCREEN, radiator grille, International tractors

1шт.

8

399306R1

HANDLE

HANDLE, operators mounting assist RH, Farmall tractors

1шт.

21534R1

BOLT,Hex, 5/16" - 18 x 1"

SCREW, 5/16-18 x 1 CDP hex-hd cap

1шт.

21535R1

SPARE PART SCREW, 5/16-18 x 1-1/4 CDP hex-hd cap

1шт.

9

376787R1

WASHER

RETAINER, screw

6шт.

10

397926R1

SPARE PART PANEL ASSY, RH radiator support

1шт.

385157R1

SCREW,Bevel Wshr Hd, 5/16" - 18 x 5/8"

SCREW, 5/16-18 x 5/8 hex. washer hd bevel cap

2шт.

10

403446R1

SPARE PART PANEL ASSY, RH radiator support, diesel engine tractors with air conditioning

1шт.

131-883

SPRING NUT,Rtnr, 5/16" - 18

NUT, 5/16-18 floating cage

1шт.

11

399542R11

PANEL ASSY.

PANEL, RH front hood side, Farmall tractors

1шт.

11

397885R1

SPARE PART PANEL, RH front hood side, International tractors

1шт.

432327

HOLE PLUG BUTTON,1"

PLUG, 1 in. button, Farmall tractors

1шт.

389872R1

THUMB SCREW,Knurled Head, 5/16"-18 x 3/4"

SCREW, Front hood side panel thumb

2шт.

12

397881R1

GRILLE

COVER, front hood access

1шт.

389872R1

THUMB SCREW,Knurled Head, 5/16"-18 x 3/4"

SCREW, front hood access cover thumb

2шт.

13

397875R91

SPARE PART HOOD ASSY, front, gasoline

1шт.

13

397877R91

SPARE PART HOOD ASSY, front, diesel

1шт.

389427R91

CAPTIVE WASHER SCREW,Hex, 5/16" - 18 x 3/4"

SCREW, 5/16-18 x 3/4 hex-hd cap w/washer

8шт.

369222R1

BOLT,Hex Wshr Hd, 5/16" - 18 x 5/8"

SCREW, 5/16-18 x 5/8 hex. washer hd cap

2шт.

131-883

SPRING NUT,Rtnr, 5/16" - 18

NUT, 5/16-18 floating cage

4шт.

14

395280R92

REINFORCEMENT

REINFORCEMENT ASSY, rear hood front

1шт.

131-883

SPRING NUT,Rtnr, 5/16" - 18

NUT, 5/16-18 floating cage

6шт.

13-510

BOLT,Hex, 5/16" - 18 x 5/8", Gr 5, Full Thd

4шт.

15

378639R1

SPARE PART PANEL, RH rear hood side, Farmall tractors w/side headlights

1шт.

15

378671R1

PANEL

PANEL, RH rear hood side, all International tractors w/flat top deluxe fenders & adj headlights, Farmall diesel custom fenders or protective frame

1шт.

385157R1

SCREW,Bevel Wshr Hd, 5/16" - 18 x 5/8"

SCREW, 5/16-18 x 1/2 hex. washer hd bevel cap

2шт.

16

378640R11

SPARE PART REINFORCEMENT ASSY, rear hood rear

1шт.

131-883

SPRING NUT,Rtnr, 5/16" - 18

NUT, 5/16-18 floating cage

2шт.

88574

BOLT,Hex, 5/16" - 18 x 1/2", Gr 5, Full Thd

SCREW, 5/16-18 x 1/2 hex-hd cap

4шт.

17

397887R1

SPARE PART HOUSING, steering support lower RH, carbureted engine tractors

1шт.

17

527261R1

SPARE PART HOUSING, lower RH support, diesel engine tractors

1шт.

432478

HOLE PLUG BUTTON,5/8"

PLUG, 5/8 C-Z button

1шт.

385157R1

SCREW,Bevel Wshr Hd, 5/16" - 18 x 5/8"

SCREW, 5/16-18 x 5/8 hex, washer hd bevel cap

1шт.

18

397889R1

SPARE PART HOUSING, steering & gear selector support

1шт.

18

398619R1

SPARE PART HOUSING, steering & gear selector support, all wheel drive tractors

1шт.

385157R1

SCREW,Bevel Wshr Hd, 5/16" - 18 x 5/8"

SCREW, 5/16-18 x 5/8 hex, washer hd bevel cap

8шт.

18

401546R1

SPARE PART HOUSING, steering and gear selector support, tractors with cab

1шт.

385157R1

SCREW,Bevel Wshr Hd, 5/16" - 18 x 5/8"

SCREW, 5/16-18 x 5/8 hex. washer hd bevel cap

10шт.

19

397888R1

SPARE PART BRACKET, support housing mounting

1шт.

NLS

NO LONGER SERVICED

2шт.

20

187758

PLUG,2 1/2"

PLUG, torque amplifier opening button

1шт.

21

397886R1

SPARE PART HOUSING, steering support lower LH

1шт.

385157R1

SCREW,Bevel Wshr Hd, 5/16" - 18 x 5/8"

SCREW, 5/16-18 x 5/8 hex. washer hd bevel cap

1шт.

22

397890R1

HANDLE

HANDLE, operators mounting assist LH

1шт.

21534R1

BOLT,Hex, 5/16" - 18 x 1"

SCREW, 5/16-18 x 1 CDP hex-hd cap

1шт.

21535R1

SPARE PART SCREW, 5/16-18 x 1-1/4 CDP hex-hd cap

1шт.

23

381412R1

HOOD

HOOD, rear

1шт.

23

378637R1

HOOD

HOOD, rear, Farmall custom tractors

1шт.

385157R1

SCREW,Bevel Wshr Hd, 5/16" - 18 x 5/8"

SCREW, 5/16-18 x 5/8 hex. washer hd

1шт.

24

378638R1

SPARE PART PANEL, LH rear hood side, Farmall tractors w/side headlights

1шт.

24

378670R1

SPARE PART PANEL, LH rear hood side, all International tractors and Farmall tractors w/flat top deluxe fenders & adj headlights, Farmall diesel custom tractors w/flat top deluxe fenders or protective frame

1шт.

385157R1

SCREW,Bevel Wshr Hd, 5/16" - 18 x 5/8"

SCREW, 5/16-18 x 5/8 hex. washer hd bevel cap

2шт.

25

399541R11

SPARE PART PANEL, LH front hood side, Farmall tractors

1шт.

25

397884R1

PANEL ASSY.

PANEL, LH front hood side, International tractors

1шт.

432327

HOLE PLUG BUTTON,1"

PLUG, 1 in. button, Farmall tractors

1шт.

389872R1

THUMB SCREW,Knurled Head, 5/16"-18 x 3/4"

SCREW, front hood side panel thumb

2шт.

26

2753920R1

PRODUCT GRAPHIC

PLATE, International name

2шт.

370786R1

FASTENER

FASTENER, tubular clip

14шт.

27

2753917R1

SPARE PART PLATE, MC Cormick Farmall name

2шт.

27

2753918R1

PRODUCT GRAPHIC

PLATE, MC Cormick International name

2шт.

370786R1

FASTENER

FASTENER, tubular clip

14шт.

28

369173R1

SPRING

SPRING, hood panel

5шт.

110633

NUT,#10-24

5шт.

29

397925R1

SPARE PART PANEL ASSY, LH radiator support

1шт.

385157R1

SCREW,Bevel Wshr Hd, 5/16" - 18 x 5/8"

SCREW, 5/16-18 x 5/8 hex. washer hd bevel cap

2шт.

30

2753967R1

SPARE PART PLATE, 856 model symbol, Farmall tractors

2шт.

30

2753912R1

PRODUCT GRAPHIC

PLATE, 856 model symbol, International tractors

2шт.

370786R1

FASTENER

FASTENER, tubular clip

4шт.

31

2753913R1

SPARE PART PLATE, 2856 model symbol

2шт.

370786R1

FASTENER

FASTENER, tubular clip

4шт.

32

397894R91

SPARE PART HOOD ASSY, front

1шт.

131-883

SPRING NUT,Rtnr, 5/16" - 18

NUT, 5/16-18 floating cage

2шт.

385157R1

SCREW,Bevel Wshr Hd, 5/16" - 18 x 5/8"

SCREW, 5/16-18 x 5/8 hex. washer hd bevel cap, used only with .437 dia round holes in hood

8шт.

389427R91

CAPTIVE WASHER SCREW,Hex, 5/16" - 18 x 3/4"

SCREW, 5/16-18 x 3/4 hex-hd cap w/washer

8шт.

33

380423R11

SPARE PART SUPPORT ASSY, rear hood front

2шт.

131-883

SPRING NUT,Rtnr, 5/16" - 18

NUT, 5/16-18 floating cage

6шт.

13-510

BOLT,Hex, 5/16" - 18 x 5/8", Gr 5, Full Thd

4шт.

34

383840R1

SPARE PART HOOD, LH rear

1шт.

35

383841R1

SPARE PART HOOD, RH rear

1шт.

36

380431R11

SPARE PART REINFORCEMENT ASSY, rear hood, rear

1шт.

131-883

SPRING NUT,Rtnr, 5/16" - 18

NUT, 5/16-18 floating cage

2шт.

179812

GEAR

SCREW, 5/16-18 x 1/2 hex-hd cap

4шт.

37

384428R11

SPARE PART BRACKET ASSY, radiator guard grille LH, 2856 tractors

1шт.

179838

BOLT,Hex, 3/8" - 16 x 7/8", Gr 5, Full Thd

1шт.

38

384422R1

SPARE PART PRODUCT GRAPHICS, Industrial name plate, 2856 tractors

1шт.

166645

SHEAVE

SCREW, 10-24 x 3/8 rd-hd-cr-rec tapping, type D

3шт.

B32120

WASHER

WASHER, name plate retaining

3шт.

39

384427R11

SPARE PART BRACKET ASSY, radiator guard grille, RH, 2856 tractors

1шт.

179838

BOLT,Hex, 3/8" - 16 x 7/8", Gr 5, Full Thd

1шт.

40

387745R21

SPARE PART GRILLE ASSY, radiator guard, 2856 tractors

1шт.

386451R1

SCREW,Hex Wshr Hd, 5/16" - 18 x 1"

SCREW, 5/16-18 x 1 hex, washer hd cap

4шт.

41

184338R1

SPARE PART PRODUCT GRAPHIC, all wheel drive emblem

2шт.

370786R1

FASTENER

FASTENER, tubular clip

4шт.

42

SUPPORT, radiator, see list of parts under details radiator and connections

1шт.

529055R1

SPARE PART PRODUCT GRAPHIC, custom

2шт.

370786R1

FASTENER

FASTENER, tubular clip

4шт.

Выбрано товаров: 112