Запчасти Case IH 3220 (2-044) - VALVE MECHANISM (02) - ENGINE

Схема запчастей Case IH 3220 - (2-044) - VALVE MECHANISM (02) - ENGINE
7
17
5
16
17
2
15
10
5
13
14
6
11
6
4
9
1
3
FIT
1:1
100%

Артикул

Название

Примечание

Количество

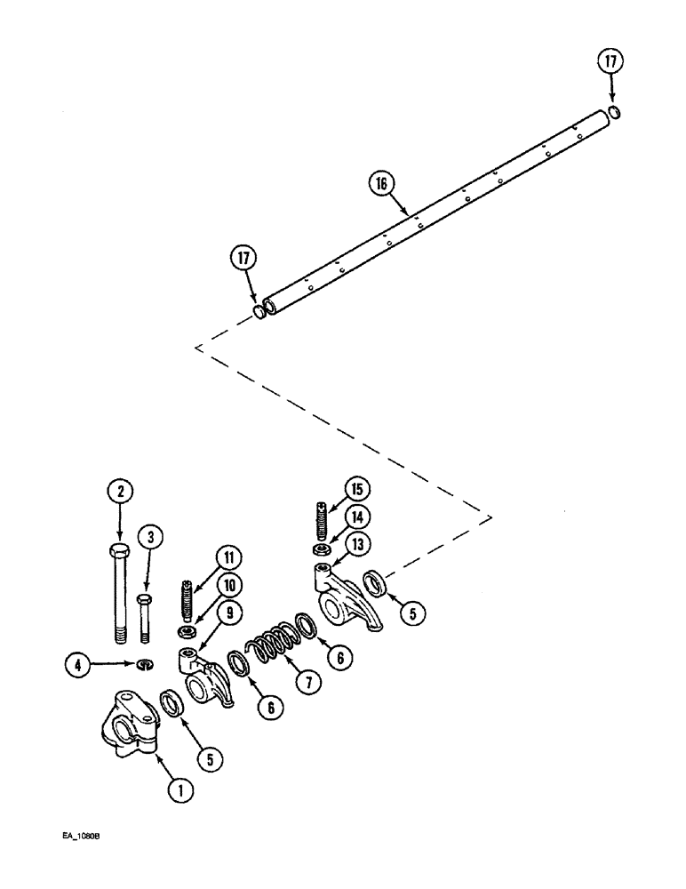
1

3055077R6

SUPPORT

BRACKET rocker shaft

5шт.

2

413-852

BOLT,Hex, 1/2" - 13 x 3-1/4", Gr 5

hex, 1/2 NC x 3-1/4 inch

5шт.

3

413-524

BOLT,Hex, 5/16" - 18 x 1-1/2", Gr 5

- hex, 5/16 NC x 1-1/2 inch

5шт.

4

492-11031

LOCK WASHER,5/16"

WASHER, LOCK, 5/16"

5шт.

5

3055068R1

BUSHING,22mm ID x 30mm OD x 6.8mm L

spacer

7шт.

6

3055669R1

THRUST WASHER

thrust

8шт.

7

3055075R2

SPRING

rocker arm

4шт.

3132293R92

ROCKER

KIT arm, exhaust rocker, Includes Ref. 9, 10 and 11

4шт.

9

NSS

NOT SOLD SEPARAT

ARM rocker, exhaust

1шт.

10

829-1410

NUT,M10 x 1.5, Cl 10.9

1шт.

11

3132137R1

ADJUSTMENT SCREW

Rocker arm

1шт.

3132292R92

ROCKER

KIT arm, intake rocker, Includes Ref. 13, 14 and 15

4шт.

13

NSS

NOT SOLD SEPARAT

ARM rocker, intake

1шт.

14

829-1410

NUT,M10 x 1.5, Cl 10.9

1шт.

15

3132137R1

ADJUSTMENT SCREW

Rocker arm

1шт.

16

3055069R31

SHAFT

rocker arm, 3220

1шт.

16

3055070R31

SHAFT

rocker arm, 3230, Includes Ref. 17

1шт.

17

933565R1

PLUG,M14, Conical

cup

2шт.

Выбрано товаров: 18