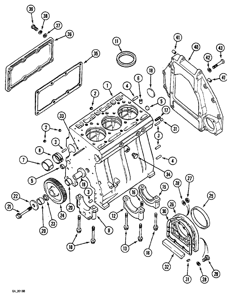
Запчасти Case IH 3220 (2-052) - CYLINDER BLOCK, SIDE COVER AND FLYWHEEL HOUSING, (3220) (02) - ENGINE

Схема запчастей Case IH 3220 - (2-052) - CYLINDER BLOCK, SIDE COVER AND FLYWHEEL HOUSING, (3220) (02) - ENGINE
35
25
5
21
16
43
31
3
36
24
32
12
3
7
19
15
23
20
28
6
1
40
5
20
37
16
41
2
27
38
10
33
41
4
22
17
26
29
30
9
13
2
39
3
4
11
18
34
8
42
28
31
FIT
1:1
100%

Артикул

Название

Примечание

Количество

1

3055001R37

CRANKCASE

CYLINDER BLOCK cylinder, Includes Ref. 2 - 10

1шт.

2

221-841

PLUG

hex socket, 1/4 inch PT

3шт.

3

141242

DOWEL

PIN dowel, 3/8 x 7/8 inch

4шт.

4

141284

PIN,25.4mm OD x 31.75mm L

Pin 1/2" x 1 1/8"

2шт.

5

30591R1

PLUG,M25, Tapered

tapered cup, 25 mm OD

2шт.

6

3055007R1

BUSHING

dowel

2шт.

7

3055008R2

CRANKSHAFT BEARING,57.56mm ID x 63.1mm OD x 30mm W

BEARING camshaft

1шт.

7

257780A1

CAMSHAFT BEARING

camshaft front, 64 mm OD

1шт.

7

257782A1

CAMSHAFT BEARING

camshaft front, 65 mm OD

1шт.

8

1806820C1

CAMSHAFT BEARING,57.98mm ID x 63mm OD x 18mm W

BEARING camshaft, 63 mm OD

3шт.

8

257779A1

CAMSHAFT BEARING

camshaft, 64 mm OD

2шт.

8

257781A1

CAMSHAFT BEARING,65 mm OD x 18 mm

camshaft, 65 mm OD

2шт.

9

NSS

NOT SOLD SEPARAT

CAP front crankshaft bearing

1шт.

10

3138580R1

BOLT,Hex Flg, 9/16" - 12 x 120.70mm, 12.9

Cap

2шт.

11

3218538R1

SHIM

cylinder sleeve, 0.05 mm thick

1шт.

11

3218539R1

SHIM

cylinder sleeve, 0.10 mm thick

1шт.

11

3218540R1

SHIM,112.06mm ID x 118.6mm OD x 0.25mm Thk

cylinder sleeve, 0.25 mm thick

1шт.

11

3218541R1

SHIM

cylinder sleeve, 0.50 mm thick

1шт.

11

3218542R1

SHIM

cylinder sleeve, 0.80 mm thick, Includes Ref. 12 - 18

1шт.

3144438R91

BEARING ASSY

KIT bearing cap, Includes Ref. 12 and 13

2шт.

12

NSS

NOT SOLD SEPARAT

CAP crankshaft bearing

1шт.

13

3138580R1

BOLT,Hex Flg, 9/16" - 12 x 120.70mm, 12.9

Cap

2шт.

3144436R91

CRANKSHAFT BEARING

KIT bearing cap, Includes Ref. 15 and 16

1шт.

15

NSS

NOT SOLD SEPARAT

CAP rear crankshaft bearing

1шт.

16

3138580R1

BOLT,Hex Flg, 9/16" - 12 x 120.70mm, 12.9

Cap

2шт.

17

3055270R1

STUD

rear

1шт.

18

41-3044

PLUG,Exp, 2 3/4"

1шт.

19

3055373R1

CARRIER

gear

1шт.

20

3058816R91

NEEDLE BEARING CAGE,35mm ID x 42mm OD x 17.8mm W

BEARING needle

2шт.

21

3055374R2

BOLT

BOLT gear carrier

1шт.

22

3055372R1

DISC

RING wear

1шт.

23

787656R1

SPACER,35.5mm ID x 41mm OD x 4mm L

RING spacer

1шт.

24

3055043R3

PINION

GEAR idler

1шт.

25

3138701R91

SEAL

SEAL oil

1шт.

26

3055216R1

RETAINER

oil seal

1шт.

27

425-105

NUT,5/16"-18, G5

- hex, 5/16 inch NC

1шт.

28

3218395R1

BELLEVILLE WASHER,8.199mm ID x 16mm OD x 0.9mm Thk

Lock (5/16") M8.2 ID x 16 OD x .9 Thk

9шт.

29

413-512

BOLT,Hex, 5/16" - 18 x 3/4", Gr 5

hex, 5/16 NC x 3/4 inch

8шт.

30

3055215R3

GASKET

crankcase oil seal retainer

1шт.

31

714868R1

SEALING STRIP

sealing

2шт.

32

3055214R1

SUPPORT

STRIP sealing

1шт.

33

3055989R2

STUD

crankcase front

1шт.

34

217-87

PLUG,Hex Hd, 3/8"-18 NPTF, Brass

hex, 3/8 inch PT

1шт.

35

3055394R3

GASKET

side cover

1шт.

36

3132815R2

COVER

cylinder block side

1шт.

37

3055574R1

WASHER,8.5mm ID x 19mm OD x 2.5mm Thk

flat, 5/16 inch

8шт.

38

492-11031

LOCK WASHER,5/16"

WASHER, LOCK, 5/16"

8шт.

39

413-510

BOLT,Hex, 5/16" - 18 x 5/8", Gr 5

hex, 5/16 NC x 5/8 inch

8шт.

40

3136059R22

PLATE ASSY.

HOUSING flywheel, Includes Ref. 41

1шт.

41

3136060R2

BUSHING

flywheel housing

2шт.

42

80679

LOCK WASHER,1/20.507 CST ZND

WASHER, LOCK, 1/2"

4шт.

43

413-824

BOLT,Hex, 1/2" - 13 x 1-1/2", Gr 5

4шт.

Выбрано товаров: 52