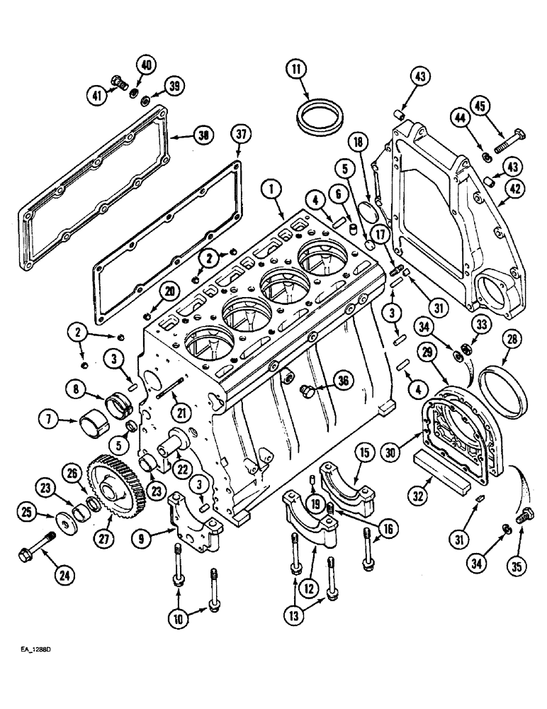
Запчасти Case IH 3220 (2-056) - CYLINDER BLOCK, SIDE COVER AND FLYWHEEL HOUSING, (3230) (02) - ENGINE

Схема запчастей Case IH 3220 - (2-056) - CYLINDER BLOCK, SIDE COVER AND FLYWHEEL HOUSING, (3230) (02) - ENGINE
26
18
39
31
21
13
33
36
20
32
8
29
42
16
23
9
30
31
38
5
6
5
2
12
43
3
45
23
11
34
10
17
27
41
44
4
2
19
35
34
3
15
43
22
37
38
25
40
1
24
4
3
7
FIT
1:1
100%

Артикул

Название

Примечание

Количество

3144742R94

CRANKCASE

BLOCK ASSEMBLY cylinder, Includes Ref. 1 - 20

1шт.

1

NSS

NOT SOLD SEPARAT

BLOCK cylinder

1шт.

2

221-841

PLUG

hex socket, 1/4 inch PT

4шт.

3

37-2614

DOWEL,3/8" x 7/8"

PIN dowel, 3/8 x 7/8 inch

4шт.

4

141284

PIN,25.4mm OD x 31.75mm L

Pin 1/2" x 1 1/8"

2шт.

5

30591R1

PLUG,M25, Tapered

tapered cup, 25 mm OD

4шт.

6

3055007R1

BUSHING

dowel

2шт.

7

257780A1

CAMSHAFT BEARING

camshaft front, 64 mm OD

1шт.

7

257782A1

CAMSHAFT BEARING

camshaft front, 65 mm OD

1шт.

7

3055008R2

CRANKSHAFT BEARING,57.56mm ID x 63.1mm OD x 30mm W

BEARING camshaft

1шт.

8

257779A1

CAMSHAFT BEARING

camshaft, 64 mm OD

2шт.

8

257781A1

CAMSHAFT BEARING,65 mm OD x 18 mm

camshaft, 65 mm OD

2шт.

8

1806820C1

CAMSHAFT BEARING,57.98mm ID x 63mm OD x 18mm W

BEARING camshaft

2шт.

9

NSS

NOT SOLD SEPARAT

CAP front bearing

1шт.

10

3138885R1

SCREW

BOLT crankshaft bearing cap

2шт.

11

3218538R1

SHIM

cylinder sleeve, 0.05 mm thick

1шт.

11

3218539R1

SHIM

cylinder sleeve, 0.10 mm thick

1шт.

11

3218540R1

SHIM,112.06mm ID x 118.6mm OD x 0.25mm Thk

cylinder sleeve, 0.25 mm thick

1шт.

11

3218541R1

SHIM

cylinder sleeve, 0.50 mm thick

1шт.

11

3218542R1

SHIM

cylinder sleeve, 0.80 mm thick

1шт.

3144440R91

BEARING ASSY

KIT service, Includes Ref. 12 and 13

3шт.

12

NSS

NOT SOLD SEPARAT

CAP crankshaft bearing

1шт.

13

3138885R1

SCREW

BOLT crankshaft bearing cap

2шт.

3144434R91

CRANKSHAFT BEARING

KIT service, Includes Ref. 15 and 16

1шт.

15

NSS

NOT SOLD SEPARAT

CAP rear bearing

1шт.

16

3138885R1

SCREW

BOLT crankshaft bearing cap

2шт.

17

3055270R1

STUD

rear

1шт.

18

41-3044

PLUG,Exp, 2 3/4"

1шт.

19

3055173R1

PLUG

dowel

1шт.

20

3136004R1

COVER

PLUG cup, 10 mm

1шт.

21

3055989R2

STUD

crankcase front

1шт.

22

3055373R1

CARRIER

gear

1шт.

23

3058816R91

NEEDLE BEARING CAGE,35mm ID x 42mm OD x 17.8mm W

BEARING needle

2шт.

24

3055374R2

BOLT

BOLT gear carrier

1шт.

25

3055372R1

DISC

RING wear

1шт.

26

787656R1

SPACER,35.5mm ID x 41mm OD x 4mm L

RING spacer

1шт.

27

3055043R3

PINION

GEAR idler

1шт.

28

3138701R91

SEAL

SEAL oil

1шт.

29

3055216R1

RETAINER

oil seal

1шт.

30

3055215R3

GASKET

crankcase oil seal retainer

1шт.

31

714868R1

SEALING STRIP

sealing

2шт.

32

3055214R1

SUPPORT

STRIP sealing

1шт.

33

329-105

NUT,5/16"-18, G8

1шт.

34

3218395R1

BELLEVILLE WASHER,8.199mm ID x 16mm OD x 0.9mm Thk

Lock (5/16") M8.2 ID x 16 OD x .9 Thk

9шт.

35

413-512

BOLT,Hex, 5/16" - 18 x 3/4", Gr 5

hex, 5/16 NC x 3/4 inch

8шт.

36

217-87

PLUG,Hex Hd, 3/8"-18 NPTF, Brass

hex, 3/8 inch PT

1шт.

37

3055393R4

GASKET,1.5mm Thk

side cover

1шт.

38

3132155R2

COVER

crankcase side

1шт.

39

3055574R1

WASHER,8.5mm ID x 19mm OD x 2.5mm Thk

flat, 5/16 inch

10шт.

40

492-11031

LOCK WASHER,5/16"

WASHER, LOCK, 5/16"

10шт.

41

413-510

BOLT,Hex, 5/16" - 18 x 5/8", Gr 5

hex, 5/16 NC x 5/8 inch

10шт.

42

3136059R22

PLATE ASSY.

HOUSING flywheel, Includes Ref. 43

1шт.

43

3136060R2

BUSHING

flywheel housing

2шт.

44

3050128R1

LOCK WASHER

Lock

4шт.

45

413-824

BOLT,Hex, 1/2" - 13 x 1-1/2", Gr 5

4шт.

Выбрано товаров: 55