Запчасти Case IH 3220 (3-010) - FUEL INJECTION PUMP, (3220) (03) - FUEL SYSTEM

Схема запчастей Case IH 3220 - (3-010) - FUEL INJECTION PUMP, (3220) (03) - FUEL SYSTEM
13
4
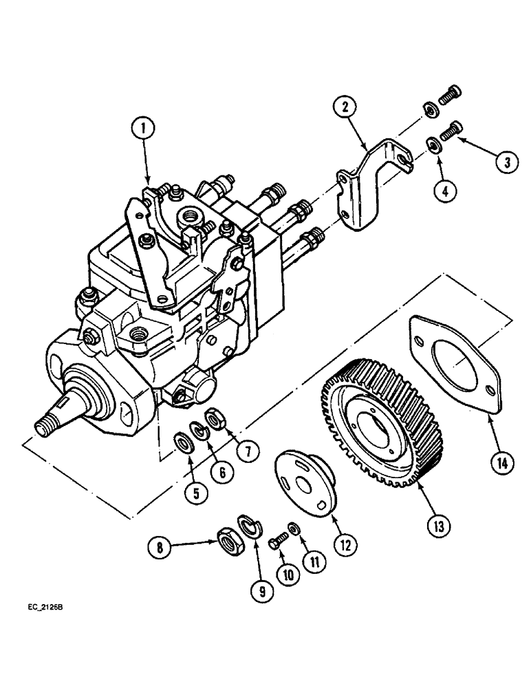
1
5
11
2
12
6
14
9
7
10
3
8
FIT
1:1
100%

Артикул

Название

Примечание

Количество

1

1329100C91

PUMP, FUEL INJECTION

PUMP fuel injection, VE 3/10F 1090 R276/2

1шт.

3079101R1

WOODRUFF KEY

KEY Woodruff, not shown

1шт.

2

3218939R1

BRACKET

support, fuel shut-off cable

1шт.

3

930679R1

HEX SOC SCREW,M6 x 25mm, Cl 8.8

hex socket, 6 mm - 1.00 x 25 mm, class 8.8

2шт.

4

905176R1

WAVE WASHER,M6.4 ID x 11 OD x .5 Thk

- spring bent M6.4 ID x 11 OD x .5 Thk

2шт.

5

3055574R1

WASHER,8.5mm ID x 19mm OD x 2.5mm Thk

flat, 5/16 inch

2шт.

6

492-11031

LOCK WASHER,5/16"

WASHER, LOCK, 5/16"

2шт.

7

425-105

NUT,5/16"-18, G5

- hex, 5/16 inch NC

2шт.

8

933981R1

NUT,M12 x 1.75, Cl 5

Hex M12 x 1.75, Cl 5

1шт.

9

892-10012

LOCK WASHER,M12

WASHER lock, 12 mm

1шт.

10

326-512

BOLT,Hex, 5/16" - 18 x 3/4", Gr 8

3шт.

11

896-11008

WASHER,9mm ID x 17mm OD x 2mm Thk

flat

3шт.

12

3055067R2

HUB

injection pump gear

1шт.

13

3056885R3

PINION

GEAR injection pump

1шт.

14

3055384R2

GASKET

fuel injection pump

1шт.

Выбрано товаров: 0