Запчасти Case IH 3230 (6-038) - REAR FRAME, TOP COVER (06) - POWER TRAIN

Схема запчастей Case IH 3230 - (6-038) - REAR FRAME, TOP COVER (06) - POWER TRAIN
5
4
19
13
15
30
18
14
23
21
12
1
15
9
4
16
10
24
7
21
26
25
20
27
29
8
22
11
14
6
21
28
17
19
21
4
FIT
1:1
100%

Артикул

Название

Примечание

Количество

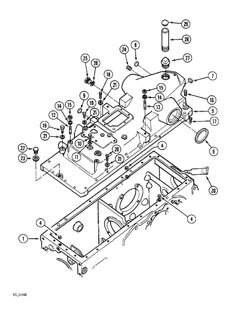
1

116633A1

HOUSING

FRAME ASSEMBLY rear, See figure 6-030, Serial Range: -JJE0908036

1шт.

1

194201A2

HOUSING

FRAME ASSEMBLY rear, See figure 6-030, Start Serial: JJE098037

1шт.

4

238-6110

O-RING,0.103" Thk x 0.362" ID, -110, Cl 6, 90 Duro

2шт.

4

238-6112

O-RING,0.103" Thk x 0.487" ID, -112, Cl 6, 90 Duro

1шт.

5

117573A1

HOUSING ASSY.

HOUSING ASSEMBLY hydraulic unit, with draft control

1шт.

5

144274A2

HOUSING ASSY.

COVER ASSEMBLY rear frame, without draft control, Includes Ref. 6 - 13

1шт.

6

41-1052

PLUG,Cup, 3 1/4"

cup, 3-1/4 inch diameter

2шт.

7

41-1614

PLUG,Cup, 7/8", Stainless

cup, 3/4 inch

1шт.

8

41-1612

PLUG,Cup, 3/4", Stainless

1шт.

9

41-1618

PLUG,Cup, 1 1/8", Stainless

cup, 1-1/8 inch diameter

1шт.

10

413-820

BOLT,Hex, 1/2" - 13 x 1-1/4", Gr 5

hex, 1/2 NC x 1-1/4 inch

3шт.

11

231-1408

LOCK NUT,1/2"-13, GB

NUT hex, self-locking, 1/2 inch NC

3шт.

12

531144R1

STUD

top cover

2шт.

13

531143R2

STUD

top cover

2шт.

14

492-11038

LOCK WASHER,3/8"

4шт.

15

425-106

NUT,3/8"-16, Cl 5

4шт.

16

413-830

BOLT,Hex, 1/2" - 13 x 1-7/8", Gr 5

hex, 1/2 NC x 1-7/8 inch

4шт.

17

413-826

BOLT,Hex, 1/2" - 13 x 1-5/8", Gr 5

hex, 1/2 NC x 1-5/8 inch

2шт.

18

413-632

BOLT,Hex, 3/8" - 16 x 2", Gr 5

- hex, 3/8 NC x 2 inch

1шт.

19

413-644

BOLT,Hex, 3/8" - 16 x 2-3/4", Gr 5

2шт.

20

413-630

BOLT,Hex, 3/8" - 16 x 1-7/8", Gr 5

hex, 3/8 NC x 1-7/8 inch

11шт.

21

92-11038

LOCK WASHER,3/8"

WASHER, LOCK, 3/8"

14шт.

22

536855R1

PLUG

hex, 3/4 inch NF

1шт.

23

237-6008

O-RING,0.087" Thk x 0.644" ID, -908, Cl 6, 90 Duro

8-1, 90 Duro, .644" ID x .087" Thk

1шт.

24

217-435

PLUG,Hex Soc, 3/8" - 18 NPTF

hex socket, 3/8 inch PT

1шт.

25

214389

PLUG,3/4" - 16 ORB

Includes Ref. 26 Hex Hd, 3/4"-16 ORB

1шт.

26

237-6008

O-RING,0.087" Thk x 0.644" ID, -908, Cl 6, 90 Duro

8-1, 90 Duro, .644" ID x .087" Thk

1шт.

27

1537543C1

ADAPTER

PLUG square head, 1-1/4 inch PT with breather

1шт.

28

28747R1

PIPE,Nipple, 1 1/4" NPT x 7"

filler extension, 1-1/4 x 7 inch

1шт.

29

141286A1

CAP

pipe, 1-1/4 inch diameter

1шт.

30

B17555

LOCTITE

SEALANT gasket eliminator No. 515, 50 ml tube

1шт.

Выбрано товаров: 31