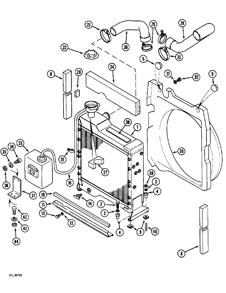
Запчасти Case IH 3230 (2-004) - RADIATOR AND CONNECTIONS, - JJE0910719 (02) - ENGINE

Схема запчастей Case IH 3230 - (2-004) - RADIATOR AND CONNECTIONS, - JJE0910719 (02) - ENGINE
44
29
38
35
10
42
33
39
12
2
37
40
15
3
8
26
4
25
1
22
43
24
5
30
34
13
4
16
28
5
14
32
36
25
27
11
25
3
8
9
31
FIT
1:1
100%

Артикул

Название

Примечание

Количество

1

136838A1

RADIATOR

ASSEMBLY engine coolant

1шт.

2

413-628

BOLT,Hex, 3/8" - 16 x 1-3/4", Gr 5

4шт.

3

495-81296

WASHER,0.41" ID x 1.12" OD x 0.07" Thk

flat

4шт.

4

D52276

ISOLATOR,10.16mm ID x 28.07mm OD x mm L

INSULATOR rubber

4шт.

5

353-411

PLUG,Dome, 1.000" hole, Nylon

2шт.

8

138579A1

SEAL

SEAL foam, side

2шт.

9

84525C1

SPACER

rear mounting

1шт.

10

NSS

NOT SOLD SEPARAT

SEAL foam, 480 mm, Order 2 x 73212C1 and, Serial Range: cut-length

2шт.

73212C1

GASKET

SEAL foam, 1 foot length

1шт.

11

98958C2

BAFFLE

lower air

1шт.

12

413-48

BOLT,Hex, 1/4" - 20 x 1/2", Gr 5

hex, 1/4 NC x 1/2 inch

2шт.

13

495-11028

WASHER,1/4", SAE

(flat, 9/32 x 5/8 x 1/16") 1/4", SAE

2шт.

14

217-103

COCK, DRAIN

VALVE, 1/4 inch PT

1шт.

15

163135H1

CLAMP,7/16", 3/8" Bolt

hose, expansion

1шт.

16

84515C3

HOSE

overflow

1шт.

22

1500626C91

PLUG

CAP radiator

1шт.

24

137665A2

SEAL

PLATE reinforcement, mud guard

1шт.

25

214-1436

HOSE CLAMP,#36, 1.81" - 2.75", Type F Worm

CLAMP, HOSE, #36, 1.81/2.75 Type F Worm

1шт.

26

84496C1

RADIATOR HOSE,44.00 mm ID, 49.00 mm ID x 270,190 mm, SAE 20R4 CLASS D1

Upper, 3230 44.00 mm ID, 49.00 mm ID x 270,190 mm, SAE 20R4 CLASS D1

1шт.

26

1536489C1

LARGE HOSE,44.00 mm ID, 50.00 mm ID x 239.00 mm, SAE 20R4 CLASS D1

RADIATOR HOSE, , Upper (3230) 44.00 mm ID, 50.00 mm ID x 239.00 mm, SAE 20R4 CLASS D1

1шт.

27

140587A1

SEAL

STRIP filling

1шт.

28

84497C2

RADIATOR HOSE,50.00 mm ID, 57.00 mm ID x 275,203,180 mm, SAE 20 R4 CLASS D1

Lower 50.00 mm ID, 57.00 mm ID x 275,203,180 mm, SAE 20 R4 CLASS D1

1шт.

29

140589A1

SEAL

STRIP filling

1шт.

30

136843A3

GUARD

SHROUD radiator, 450 mm

1шт.

31

495-11028

WASHER,1/4", SAE

(flat, 9/32 x 5/8 x 1/16") 1/4", SAE

4шт.

32

413-48

BOLT,Hex, 1/4" - 20 x 1/2", Gr 5

hex, 1/4 NC x 1/2 inch

4шт.

33

1502360C2

CONTAINER

radiator, expansion, if equipped

1шт.

34

470-1108

SCREW,Slotted Pan Hd, #10-24 x 1/2"

machine, pan head slotted, No. 10 NC x 1/2 inch

2шт.

35

492-11010

LOCK WASHER,#10

WASHER, LOCK, #10

2шт.

36

225-14110

NUT,#10-24

2шт.

37

1537013C1

SUPPORT

BRACKET container, mounting, if equipped

1шт.

38

138580A1

SEAL

SEAL foam, radiator top

1шт.

39

425-106

NUT,3/8"-16, Cl 5

2шт.

40

99688C1

STUD

3/8 inch NC x 47 mm

2шт.

42

413-510

BOLT,Hex, 5/16" - 18 x 5/8", Gr 5

hex, 5/16 NC x 5/8 inch

2шт.

43

492-11025

LOCK WASHER,1/4"

WASHER, LOCK, 1/4"

2шт.

44

425-104

NUT,1/4"-20, Cl 5

hex, 1/4 inch NC

2шт.

Выбрано товаров: 37