Запчасти Case IH 3230 (2-006) - RADIATOR AND CONNECTIONS, JJE0910720 - (02) - ENGINE

Схема запчастей Case IH 3230 - (2-006) - RADIATOR AND CONNECTIONS, JJE0910720 - (02) - ENGINE
26
9
8
28
12
4
24
15
1
29
3
3
48
4
44
11
31
36
49
25
46
29
14
45
38
32
27
8
34
22
35
33
39
10
25
43
37
47
2
40
30
25
13
42
16
FIT
1:1
100%

Артикул

Название

Примечание

Количество

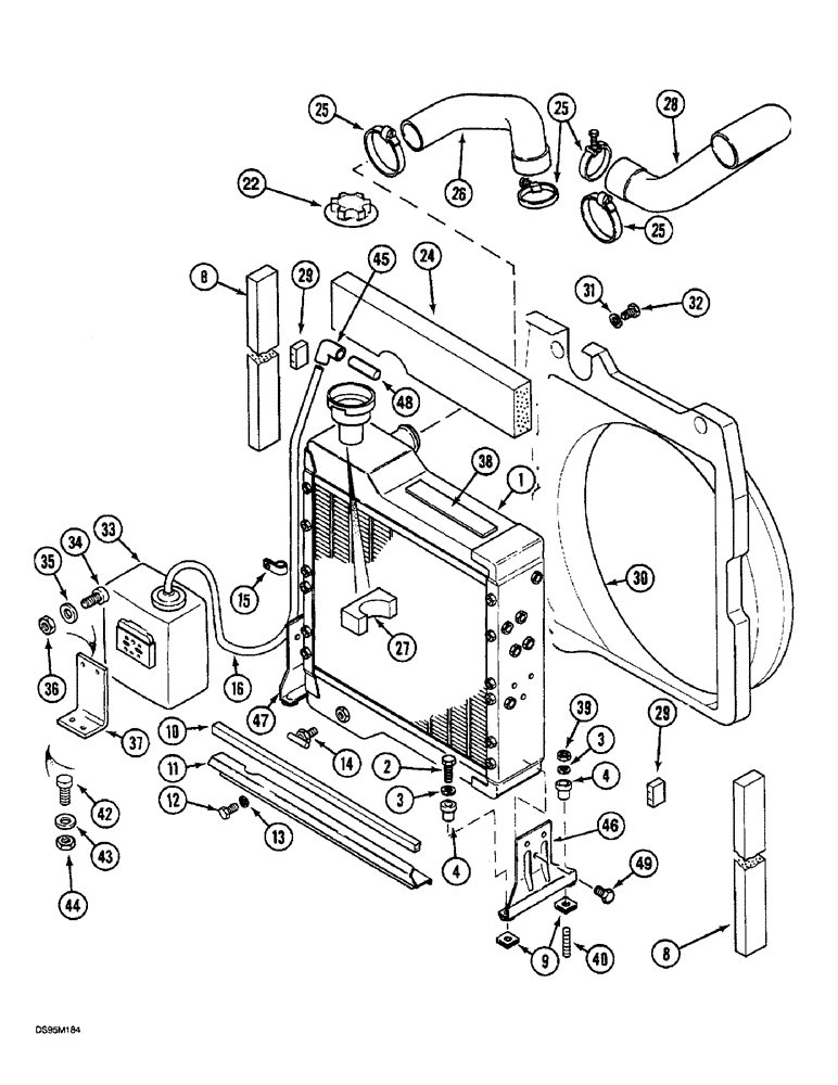
1

REF

INSTRUCTION

RADIATOR ASSEMBLY engine coolant, See figure: 2-008

1шт.

2

413-628

BOLT,Hex, 3/8" - 16 x 1-3/4", Gr 5

4шт.

3

495-81296

WASHER,0.41" ID x 1.12" OD x 0.07" Thk

flat

4шт.

4

D52276

ISOLATOR,10.16mm ID x 28.07mm OD x mm L

INSULATOR rubber

4шт.

8

138579A1

SEAL

SEAL foam, side

2шт.

9

84525C1

SPACER

rear mounting

1шт.

10

NSS

NOT SOLD SEPARAT

SEAL foam, 480 mm, Order 2 x 73212C1 and, Serial Range: cut-length

2шт.

73212C1

GASKET

SEAL foam, 1 foot length

1шт.

11

98958C2

BAFFLE

lower air

1шт.

12

413-48

BOLT,Hex, 1/4" - 20 x 1/2", Gr 5

hex, 1/4 NC x 1/2 inch

2шт.

13

495-11028

WASHER,1/4", SAE

(flat, 9/32 x 5/8 x 1/16") 1/4", SAE

2шт.

14

217-92

COCK

VALVE, 1/4 inch PT

1шт.

15

163135H1

CLAMP,7/16", 3/8" Bolt

hose, expansion

1шт.

16

84515C3

HOSE

overflow

1шт.

22

1500626C92

FILLER CAP

CAP radiator

1шт.

24

137665A2

SEAL

PLATE reinforcement, mud guard

1шт.

25

214-1436

HOSE CLAMP,#36, 1.81" - 2.75", Type F Worm

CLAMP, HOSE, #36, 1.81/2.75 Type F Worm

1шт.

26

180503A1

LARGE HOSE,43.20 mm ID, 49.00 mm ID x 255.00 mm, SAE 20R4 Class D1

RADIATOR HOSE, , Upper, 3230 43.20 mm ID, 49.00 mm ID x 255.00 mm, SAE 20R4 Class D1

1шт.

26

180502A1

LARGE HOSE,43.20 mm ID, 50.00 mm ID x 218.00 mm, SAE 20R4 Class D1

HOSE radiator upper, 3220

1шт.

27

140587A2

SEAL

STRIP filling

1шт.

28

180501A3

LARGE HOSE,50.00 mm ID, 56.20 mm ID x 263.00 mm, SAE 20R4 Class D1

RADIATOR HOSE, , Lower 50.00 mm ID, 56.20 mm ID x 263.00 mm, SAE 20R4 Class D1

1шт.

29

140589A1

SEAL

STRIP filling

3шт.

30

136843A3

GUARD

SHROUD radiator, 450 mm

1шт.

31

895-11008

WASHER,9mm ID x 16mm OD x 1.6mm Thk

flat, 9 x 17 x 1.6 mm

4шт.

32

614-8020

BOLT,Hex, M8 x 1.25 x 20mm

hex, full threads, 8 - 1.25 x 20 mm

4шт.

33

1502360C2

CONTAINER

radiator, expansion, if equipped

1шт.

34

470-1108

SCREW,Slotted Pan Hd, #10-24 x 1/2"

machine, pan head slotted, No. 10 NC x 1/2 inch, if equipped

2шт.

35

495-31022

WASHER,#10

If equipped #10

2шт.

36

225-14110

NUT,#10-24

If equipped #10-24

2шт.

37

226681A1

SUPPORT

BRACKET container, mounting, if equipped

1шт.

38

138580A2

SEAL

foam, radiator top

1шт.

39

425-106

NUT,3/8"-16, Cl 5

If equipped 3/8"-16, G5

2шт.

40

99688C1

STUD

3/8 inch NC x 47 mm, if equipped

2шт.

42

413-410

BOLT,Hex, 1/4" - 20 x 5/8", Gr 5

hex, 1/4 NC x 5/8 inch, if equipped

2шт.

43

495-11028

WASHER,1/4", SAE

(flat, 9/32 x 5/8 x 1/16"), If equipped 1/4", SAE

2шт.

44

425-104

NUT,1/4"-20, Cl 5

hex, 1/4 inch NC, if equipped

2шт.

45

193539A1

ELBOW

overflow pipe

1шт.

46

195386A1

SUPPORT

BRACKET radiator mounting, left

1шт.

47

195387A1

SUPPORT

BRACKET radiator mounting, right

1шт.

48

193541A1

TUBE ASSY.

HOSE overflow

1шт.

49

844-8016

BOLT,Hex, M8 x 16mm, Cl 8.8

6шт.

Выбрано товаров: 41