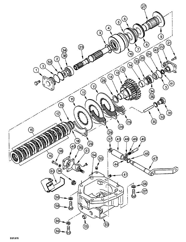
Запчасти Case IH 3230 (6-104) - MECHANICAL FRONT DRIVE, TRANSFER GEARBOX (06) - POWER TRAIN

Схема запчастей Case IH 3230 - (6-104) - MECHANICAL FRONT DRIVE, TRANSFER GEARBOX (06) - POWER TRAIN
22
42
35
30
5
56
32
15
41
23
57
13
56
40
58
45
29
28
59
26
28
48
9
21
46
37
43
38
11
39
36
3
1
16
24
34
11
27
19
55
54
33
6
11
4
56
53
20
14
18
3
10
14
49
52
12
51
8
47
34
17
50
31
35
3
29
44
60
61
7
2
FIT
1:1
100%

Артикул

Название

Примечание

Количество

116624A5

TRANSFER BOX

HOUSING ASSEMBLY transfer gear, Includes Ref. 1 - 37

1шт.

1

100757A1

COVER

front

1шт.

2

100752A1

SEALING RING,32mm ID x 50mm OD x 14mm Thk

RING spacer, oil

1шт.

3

238-5138

O-RING,0.103" Thk x 2.112" ID, -138, Cl 5, 75 Duro

3шт.

4

139268A1

HOUSING

piston

1шт.

5

800-1155

RETAINER,55mm ID

RING snap, 55 mm

2шт.

6

238-5156

O-RING,0.103" Thk x 4.237" ID, -156, Cl 5, 75 Duro

1шт.

7

139269A1

PISTON

clutch, Serial Range: -JJE0926261

1шт.

7

239195A1

PISTON

clutch, Start Serial: JJE0926262

1шт.

8

139271A1

BELLEVILLE SPRING

SPRING Belleville

2шт.

9

139272A1

CLUTCH DISC

PLATE clutch

1шт.

10

139313A1

CIRCLIP

RING retaining

1шт.

11

139273A1

PLATE

brake, separator

3шт.

139275A1

SPROCKET ASSY.

GEAR ASSEMBLY driven, Includes Ref. 12 and 13

1шт.

12

NSS

NOT SOLD SEPARAT

GEAR driven, Order 139275A1

1шт.

13

NSS

NOT SOLD SEPARAT

HOUSING clutch, Order 139275A1

1шт.

14

139279A1

BRONZE BUSHING

BUSHING bronze

2шт.

15

139280A1

CLUTCH DISC

PLATE clutch, friction

9шт.

16

139281A1

DISC

PLATE clutch, separation

14шт.

17

139282A1

LARGE PLATE

PLATE reaction

1шт.

18

139283A1

SHIM

0.50 mm

1шт.

18

139284A1

SHIM

0.20 mm

1шт.

18

139285A1

SHIM,65.2mm ID x 74.8mm OD x 0.1mm Thk

0.10 mm

1шт.

18

139286A1

SHIM

2.00 mm

1шт.

19

800-1165

SNAP RING,M65, Ext

RING retaining, 65 mm

1шт.

20

139287A1

OIL SEAL

SEAL oil, Serial Range: -JJE0926261

1шт.

21

614-8022

BOLT,Hex, M8 x 1.25 x 22mm, Cl 8.8, Full Thd

- hex, full threads, 8 - 1.25 x 22 mm

8шт.

22

140759A1

COVER ASSY

COVER rear, Serial Range: -JJE0926261

1шт.

22

239198A1

COVER ASSY

COVER intermediate, Start Serial: JJE0926262

1шт.

23

139289A1

DRIVE SHAFT

SHAFT main, Serial Range: -JJE0926261

1шт.

23

239199A1

DRIVE SHAFT

SHAFT main, Start Serial: JJE0926262

1шт.

26

139309A1

THRUST WASHER

WASHER thrust

1шт.

27

139291A1

COUNTERSHAFT

SHAFT intermediate, Serial Range: -JJE0926261

1шт.

27

239196A1

COUNTERSHAFT

SHAFT intermediate

1шт.

28

139292A1

BRAKE PAD

PAD brake, internal

2шт.

29

139293A1

BRAKE PAD

PAD brake, external

2шт.

30

139294A1

GUIDE

PIN guide

2шт.

31

139295A1

PLUG

pin, retaining

2шт.

32

139310A1

SEALING WASHER

O-RING seal

2шт.

33

139296A1

THRUST WASHER

WASHER thrust

2шт.

100742A1

BEARING ASSY

BEARING ball, Includes Ref. 34 and 35

2шт.

34

NSS

NOT SOLD SEPARAT

BEARING cup, Order 100742A1

1шт.

35

NSS

NOT SOLD SEPARAT

BEARING cone, Order 100742A1

1шт.

36

100557A1

PLUG, DRAIN,M30 x 2

PLUG drain

1шт.

37

800-5125

CIRCLIP,M25, External

RING retaining external, 25 mm

1шт.

116624A5

TRANSFER BOX

HOUSING ASSEMBLY transfer gear, Includes Ref. 38 - 55

1шт.

38

614-6010

BOLT,Hex, M6 x 1 x 10mm, Cl 8.8, Full Thd

4шт.

39

100759A1

GASKET

side cover, solenoid

1шт.

40

100758A1

COVER

side plate, solenoid

1шт.

41

139312A1

PLUG,Expansion, 6mm OD

6 mm

2шт.

42

238-5014

O-RING,0.07" Thk x 0.489" ID, -14, Cl 5, 75 Duro

-014, 70 Duro, .489" ID x .070" Thk

1шт.

43

139298A1

SHAFT

cam

1шт.

44

139300A1

SPRING

1шт.

45

139301A1

PIN

actuating

2шт.

46

238-5122

O-RING,0.103" Thk x 1.11" ID, -122, Cl 5, 75 Duro

1шт.

47

139302A1

BRAKE LEVER

LEVER ASSEMBLY brake

1шт.

48

800-1114

SNAP RING,M14, Ext

RING snap, 14 mm

2шт.

49

139306A1

SPRING LOCK

SPRING pin, return

2шт.

50

K395020

PLUG

2шт.

51

100739A1

SOLENOID

VALVE solenoid

1шт.

52

100754A1

SHIM

0.10 mm

1шт.

52

139308A1

SHIM

0.15 mm

1шт.

52

100755A1

SHIM

0.30 mm

1шт.

52

100756A1

SHIM

0.50 mm

1шт.

53

140758A2

HOUSING ASSY.

HOUSING ASSEMBLY main, Includes Ref. 54 and 55

1шт.

54

37-1816

DOWEL,1/2" x 1"

PIN dowel, 1/2 x 1 inch, hardened

2шт.

55

641-3020

PLUG,M20, Conical

cup, 20 mm

2шт.

56

396-21053

WASHER,17/32" x 1 1/16" x .134"

9шт.

57

61-35052

HEX SOC SCREW,1/2"-13 x 3 1/4"

SCREW, 1/2 x 3-1/4 inch

3шт.

58

326-820

BOLT,Hex, 1/2" - 13 x 1-1/4", Gr 8

1шт.

59

326-868

BOLT,Hex, 1/2" - 13 x 4-1/4", Gr 8

hex, 1/2 x 4-1/4 inch

4шт.

59

326-864

BOLT,Hex, 1/2" - 13 x 4", Gr 8

1шт.

60

141894A2

GUARD

SHIELD tube, MFD, attached to housing with 61-35052 allen screw and 396-21053 washer

1шт.

61

239197A1

OIL SEAL

SEAL oil, Start Serial: JJE0926262

1шт.

Выбрано товаров: 74