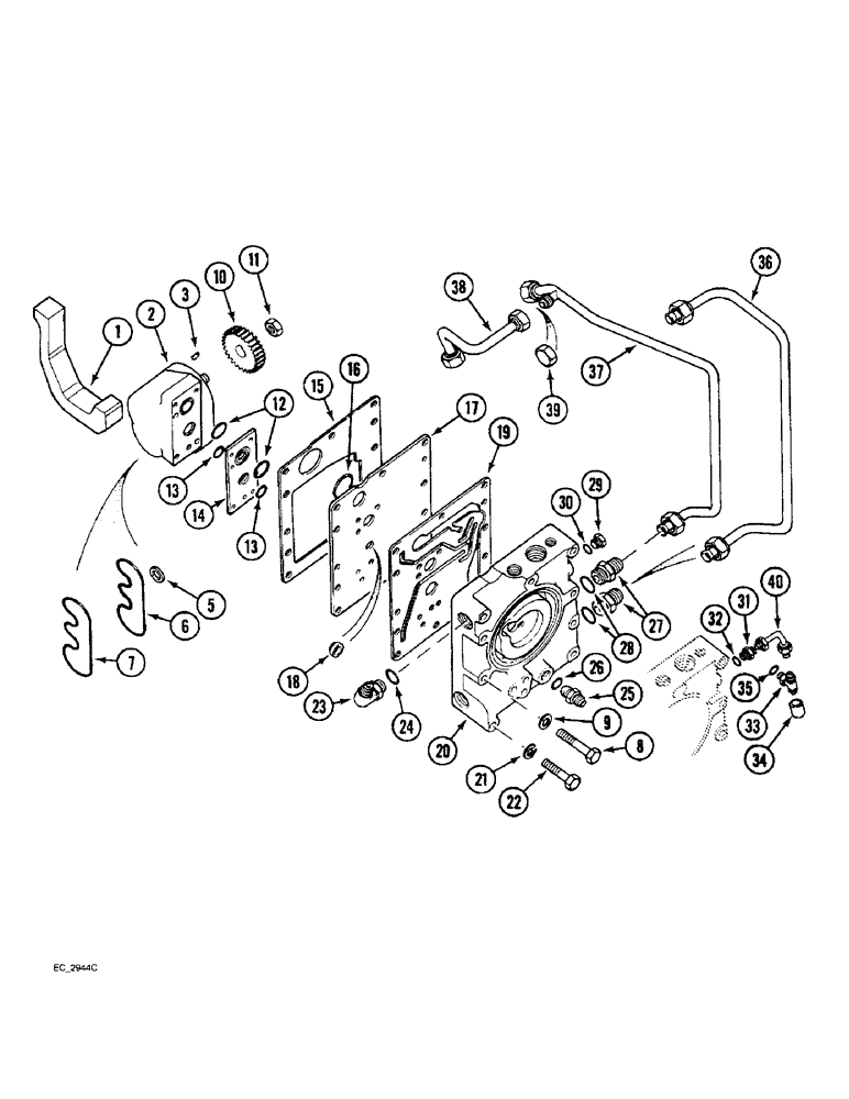
Запчасти Case IH 3230 (8-008) - HYDRAULIC POWER SUPPLY, MULTIPLE CONTROL VALVE AND TUBES (08) - HYDRAULICS

Схема запчастей Case IH 3230 - (8-008) - HYDRAULIC POWER SUPPLY, MULTIPLE CONTROL VALVE AND TUBES (08) - HYDRAULICS
24
26
20
33
11
14
15
27
18
6
35
17
29
25
12
31
3
21
13
2
37
19
5
32
9
39
34
28
1
30
22
10
7
36
16
40
23
8
13
38
FIT
1:1
100%

Артикул

Название

Примечание

Количество

1

69352C1

SEAL

hydraulic pump

1шт.

2

93835C92

PUMP, HYDRAULIC

PUMP ASSEMBLY hydraulic gear, Includes Ref. 3 - 7

1шт.

2

84573150R

REMAN-HYD PUMP

3220 (AFTER S/N 11070000), 3230, Both CASE IH TRACTOR (NORTH AMERICA), PUMP ASSEMBLY hydraulic gear (1/94-12/98), Reman for New PN 93835C92

1шт.

2

84573150C

CORE-HYDRAULIC PUMP

Return Number

1шт.

3

126-112

WOODRUFF KEY,#6, 5/32" x 5/8", HT

1шт.

1502030C1

SEAL KIT

KIT service, seals, Includes Ref. 5, 6 and 7

1шт.

5

NSS

NOT SOLD SEPARAT

SEAL pump shaft, Order kit 1502030C1

1шт.

6

NSS

NOT SOLD SEPARAT

RING pressure loading, Order kit 1502030C1

2шт.

7

NSS

NOT SOLD SEPARAT

RING back-up, Order kit 1502030C1

2шт.

8

413-548

BOLT,Hex, 5/16" - 18 x 3", Gr 5

14.4/15.8 Gpm pumps Hex, 5/16"-18 x 3", G5

4шт.

8

13-550

BOLT,Hex, 5/16" - 18 x 3-1/8", Gr 5

16.9/17.7 Gpm pumps Hex, 5/16"-18 x 3 1/8", G5

4шт.

9

382331R1

SEALING WASHER,8.33mm ID x 12.7mm OD x 0.79mm Thk

pump mounting bolt

4шт.

10

114578A1

PINION

GEAR driven, 20 teeth, 14.4 Gpm pump

1шт.

10

59369C1

GEAR

driven, 23 teeth, 15.8 Gpm pump

1шт.

10

114579A1

PINION

GEAR driven, 17 teeth, 16.9 Gpm pump

1шт.

10

94181C1

GEAR

driven, 20 teeth, 17.7 Gpm pump

1шт.

11

131-58

LOCK NUT,1/2"-20, G5

NUT light hex, self-locking, 1/2 inch NF

1шт.

12

238-5121

O-RING,0.103" Thk x 1.049" ID, -121, Cl 5, 75 Duro

2шт.

13

238-6115

O-RING,0.103" Thk x 0.674" ID, -115, Cl 6, 90 Duro

2шт.

14

59370C1

LARGE PLATE

PLATE pump mounting, 15.8 Gpm pump

1шт.

14

544909R2

LARGE PLATE

PLATE pump mounting, 17.7 Gpm pump

1шт.

15

401736R3

GASKET

multiple control valve HV

1шт.

16

238-5222

O-RING,0.139" Thk x 1.48" ID, -222, Cl 5, 75 Duro

1шт.

17

405458R2

LARGE PLATE

PLATE multiple control valve

1шт.

18

1970904C1

RING,19.51mm ID x 24.84mm OD x 3.54mm Thk

rectangular

1шт.

19

1970903C3

GASKET

multiple control valve

1шт.

ONLY USE GASKET 1970903C3 IN SERVICE WHEN COMBINED WITH VALVE 94281C. DO NOT USE WITH VALVE 253545A.

1шт.

20

REF

INSTRUCTION

VALVE ASSEMBLY multiple control, See figure 8-010

1шт.

21

92-11038

LOCK WASHER,3/8"

WASHER, LOCK, 3/8"

10шт.

22

413-648

BOLT,Hex, 3/8" - 16 x 3", Gr 5

with 2 wheel drive Hex, 3/8"-16 x 3", G5

10шт.

22

413-648

BOLT,Hex, 3/8" - 16 x 3", Gr 5

with MFD Hex, 3/8"-16 x 3", G5

9шт.

22

413-652

BOLT,Hex, 3/8" - 16 x 3-1/4", Gr 5

with MFD Hex, 3/8"-16 x 3 1/4", G5

1шт.

23

218-5106

90 ELBOW,90 Degree Elbow, 3/4" - 16 Male JIC x 3/4" - 16 Male ORB

90 degree, 3/4-16 inch flare x adj o-ring boss, Includes Ref. 24

1шт.

24

237-6008

O-RING,0.087" Thk x 0.644" ID, -908, Cl 6, 90 Duro

8-1, 90 Duro, .644" ID x .087" Thk

1шт.

27

218-5059

HYD CONNECTOR,3/4"-16, 37 Degree x 3/4"-16, O-Ring

ADAPTER straight, 3/4 inch NF flare x o-ring boss, Incl. Ref 26

1шт.

26

237-6008

O-RING,0.087" Thk x 0.644" ID, -908, Cl 6, 90 Duro

8-1, 90 Duro, .644" ID x .087" Thk

1шт.

29

218-5062

HYD CONNECTOR,7/8"-14, 37 Degree x 7/8"-14, O-Ring

ADAPTER straight, 7/8-14 inch flare x o-ring boss, Includes Ref. 28

2шт.

28

237-6010

O-RING,0.097" Thk x 0.755" ID, -910, Cl 6, 90 Duro

10-1, 90 Duro, .755" ID x .097" Thk

1шт.

29

9672438

PLUG,7/16" - 20 ORB

Incl. Ref. 30 Hex Hd, 7/16"-20 ORB

1шт.

30

237-6004

O-RING,0.072" Thk x 0.351" ID, -904, Cl 6, 90 Duro

4-1, 90 Duro, .351" ID x .072" Thk

1шт.

31

218-5053

HYD CONNECTOR,7/16" - 20 JIC x 7/16" - 20 ORB

ADAPTER straight, 7/16-20 inch flare x o-ring boss, Incl. Ref. 30

1шт.

30

237-6004

O-RING,0.072" Thk x 0.351" ID, -904, Cl 6, 90 Duro

4-1, 90 Duro, .351" ID x .072" Thk

1шт.

33

218-5180

TEE,7/16" - 20 Male JIC x 7/16" - 20 Male JIC x 7/16" - 20 Male ORB

adjustable, 7/16-20 inch adj o-ring boss x flare x flare

1шт.

34

218-752

CAP,37 Degree, 7/16"-20

Hex, Tube, 1/4 inch, IPTO 37º, 7/16"-20

1шт.

35

237-6004

O-RING,0.072" Thk x 0.351" ID, -904, Cl 6, 90 Duro

4-1, 90 Duro, .351" ID x .072" Thk

1шт.

36

66764C1

PIPE

TUBE ASSEMBLY multiple control valve by-pass

1шт.

37

1956744C1

HYD TUBE

TUBE ASSEMBLY draft control return, without cab

1шт.

37

99655C1

PIPE

TUBE ASSEMBLY draft control return, with cab

1шт.

38

1956743C1

HYD TUBE,0.625" OD

TUBE ASSEMBLY auxiliary valve return, without cab

1шт.

38

99530C1

PIPE ASSY.

TUBE ASSEMBLY auxiliary valve return, with cab

1шт.

39

218-756

CAP,37 Degree, 7/8"-14

Tube 37º, 7/8"-14

1шт.

40

539835R2

TUBE ASSY.

TUBE IPTO pressure

1шт.

Выбрано товаров: 52