Запчасти Case IH 3230 (8-012) - REGULATOR VALVE MOUNTING PLATE, 2 SPEED POWER SHIFT (08) - HYDRAULICS

Схема запчастей Case IH 3230 - (8-012) - REGULATOR VALVE MOUNTING PLATE, 2 SPEED POWER SHIFT (08) - HYDRAULICS
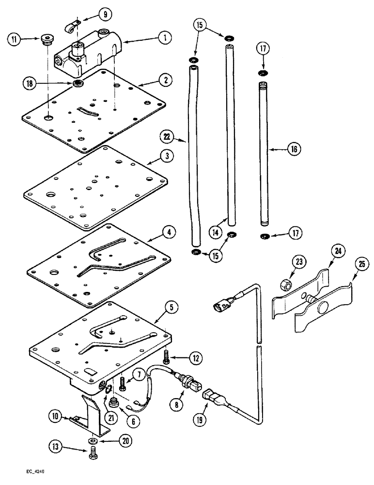
14
16
13
9
12
17
17
11
15
6
19
23
2
3
21
10
4
15
20
7
1
18
25
5
8
24
22
FIT
1:1
100%

Артикул

Название

Примечание

Количество

1

REF

INSTRUCTION

VALVE ASSEMBLY pressure regulator, See figure 8-020

1шт.

2

83009C3

GASKET

separator plate

1шт.

3

83010C2

PLATE

separator

1шт.

4

110316A1

GASKET

core plate

1шт.

5

110317A1

PLATE

core, with pressure regulator valve

1шт.

6

86258C1

PLUG,M12 x 1.5

12 mm - 1.75

1шт.

7

615-8030

BOLT,Hex, M8 x 1.25 x 30mm, Cl 8.8, Full Thd

hex, 8 - 1.25 x 30 mm

5шт.

8

99990C1

HARNESS

CABLE solenoid

1шт.

9

92071C1

CLAMP

CLIP solenoid cable

1шт.

10

99952C2

SHIELD

solenoid cable

1шт.

11

87953C1

PLUG

22 mm - 2.50

1шт.

12

413-620

BOLT,Hex, 3/8" - 16 x 1-1/4", Gr 5

hex, 3/8 NC x 1-1/4 inch

9шт.

13

413-632

BOLT,Hex, 3/8" - 16 x 2", Gr 5

- hex, 3/8 NC x 2 inch

2шт.

14

402545R1

PRESSURE PIPE

TUBE pump pressure

2шт.

15

238-5112

O-RING,0.103" Thk x 0.487" ID, -112, Cl 5, 75 Duro

4шт.

16

83401C1

PIPE

TUBE oil inlet

1шт.

17

238-6014

O-RING,0.07" Thk x 0.489" ID, -14, Cl 6, 90 Duro

2шт.

18

386073R91

SCREEN

ASSEMBLY pilot relief

1шт.

19

99992C2

CABLE

two speed power shift, without cab

1шт.

19

99991C1

CABLE

two speed power shift, with cab

1шт.

20

496-31041

WASHER,13/32" x 13/16" x .134", HDN

flat

2шт.

22

115976A1

PIPE,12 mm OD, 370.25 mm Length

TUBE pump pressure

1шт.

23

231-1444

NUT,1/4"-20, GB

NUT, 1/4"-20, GB

1шт.

24

118974A1

SHIN

CLAMP tube, tube

1шт.

25

119218A2

SHIN

CLAMP ASSEMBLY tube

1шт.

21

237-6005

O-RING,0.072" Thk x 0.414" ID, -905, Cl 6, 90 Duro

5-1, 90 Duro, .414" ID x .072" Thk

1шт.

Выбрано товаров: 26