Запчасти Case IH 3230 (8-046) - DRAFT CONTROL, CYLINDER AND VALVE ASSEMBLY (08) - HYDRAULICS

Схема запчастей Case IH 3230 - (8-046) - DRAFT CONTROL, CYLINDER AND VALVE ASSEMBLY (08) - HYDRAULICS
11
32
20
35
9
31
23
7
33
5
40
14
11
8
3
39
6
30
27
38
4
22
25
37
28
10
41
21
26
2
29
17
16
13
24
6
19
15
36
34
FIT
1:1
100%

Артикул

Название

Примечание

Количество

NSS

NOT SOLD SEPARAT

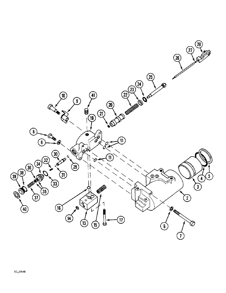
CYLINDER ASSEMBLY draft control, with valve, Order components, Includes Ref. 2 - 41

1шт.

399885R21

CYLINDER ASSY.

CYLINDER ASSEMBLY draft control, Includes Ref. 2 - 5

1шт.

2

NSS

NOT SOLD SEPARAT

CYLINDER draft control, Order 399885R21

1шт.

3

399886R1

PISTON ASSY.,88.87mm Bore, 43.78mm Rod, 71.12mm W

PISTON ASSEMBLY draft control cylinder

1шт.

4

238-6338

O-RING,0.21" Thk x 3.1" ID, -338, Cl 6, 90 Duro

1шт.

5

375936R1

BACK-UP RING

RING backup

1шт.

6

92-11038

LOCK WASHER,3/8"

WASHER, LOCK, 3/8"

3шт.

7

413-672

BOLT,Hex, 3/8" - 16 x 4-1/2", Gr 5

hex, 3/8 NC x 4-1/2 inch

2шт.

8

413-620

BOLT,Hex, 3/8" - 16 x 1-1/4", Gr 5

hex, 3/8 NC x 1-1/4 inch

1шт.

9

399889R1

ARM ASSY.

ARM draft retarding

1шт.

10

399892R1

BOLT,Shldr, Hex, 3/8" - 16 x 2.25"

- Retarding arm shoulder

1шт.

11

238-6113

O-RING,0.103" Thk x 0.549" ID, -113, Cl 6, 90 Duro

3шт.

60651C91

VALVE

ASSEMBLY action control, Includes Ref. 13, 14 and 15

1шт.

13

NSS

NOT SOLD SEPARAT

BODY action control valve, Order valve assembly 60651C91

1шт.

14

100-3431

SNAP RING,#31, Ext, E-Type

Ring, Retaining, #31, Ext, E-Type

1шт.

15

547499R1

SPRING

spool return

1шт.

16

238-6014

O-RING,0.07" Thk x 0.489" ID, -14, Cl 6, 90 Duro

1шт.

17

413-432

BOLT,Hex, 1/4" - 20 x 2", Gr 5

2шт.

399893R92

VALVE

ASSEMBLY draft control, Includes Ref. 19 - 40

1шт.

19

399894R1

BODY

ASSEMBLY draft control valve, Includes Ref. 20

1шт.

20

NSS

NOT SOLD SEPARAT

SPOOL main control, Order body assembly 399894R1

1шт.

21

376771R1

RING, SNAP

RING retaining

1шт.

22

395005R2

SPRING

main valve

1шт.

23

376759R1

RETAINER

main valve spring

1шт.

24

100-21100

SNAP RING,1.00", Int, #100

Ring, Snap, 1.00", Int, #100

1шт.

25

376756R12

HYD CYL SLEEVE

TUBE ASSEMBLY main valve actuating

1шт.

26

376763R1

ROD

drop valve actuating

1шт.

27

178-897

SET SCREW,Hex Soc, #8-36 x 1/4"

SCREW drop valve adjusting

1шт.

28

527617R1

ARM ASSY.

ARM ASSEMBLY main valve

1шт.

29

406183R1

O-RING,0.07" Thk x 0.301" ID, -11, 80 Duro

5/16 x 7/16 x 1/16 inch

1шт.

30

392041R2

VALVE

drop valve adjusting

1шт.

31

211-1006

BALL,3/16" Dia

chrome alloy steel, 3/16 inch, grade 24

1шт.

32

376765R1

SPRING

pilot valve

1шт.

33

406184R1

O-RING,0.139" Thk x 0.984" ID, -214, 70 Duro

1 x 1-1/4 x 1/8 inch

1шт.

34

376766R1

VALVE POPPET

VALVE drop poppet

1шт.

35

376767R1

BACK-UP RING,9.91mm ID x 12.5mm OD x 1.32mm Thk

RING backup

2шт.

36

406182R1

O-RING,1.78mm Thk x 9.25mm ID, 80 Duro

3/8 x 1/2 x 1/16 inch

1шт.

37

376768R1

SPRING

drop poppet valve

1шт.

38

238-6024

O-RING,0.07" Thk x 1.114" ID, -24, Cl 6, 90 Duro

1шт.

39

376770R1

PLUG

drop poppet valve

1шт.

40

100-21131

SNAP RING,1.312", Int, #131

Ring, Snap, 1.312", Int, #131

1шт.

41

217-436

PLUG,Hex Soc, 3/8" - 18 NPTF

hex socket, 3/8 inch PT

1шт.

Выбрано товаров: 42