Запчасти Case IH 3230 (8-048) - DROP RESPONSE CONTROL, TRACTOR WITH CAB, - JJE0927762 (08) - HYDRAULICS

Схема запчастей Case IH 3230 - (8-048) - DROP RESPONSE CONTROL, TRACTOR WITH CAB, - JJE0927762 (08) - HYDRAULICS
16
12
14
21
5
22
15
2
26
9
7
11
3
20
24
25
8
23
10
19
28
13
20
27
10
22
17
11
4
6
18
21
1
6
FIT
1:1
100%

Артикул

Название

Примечание

Количество

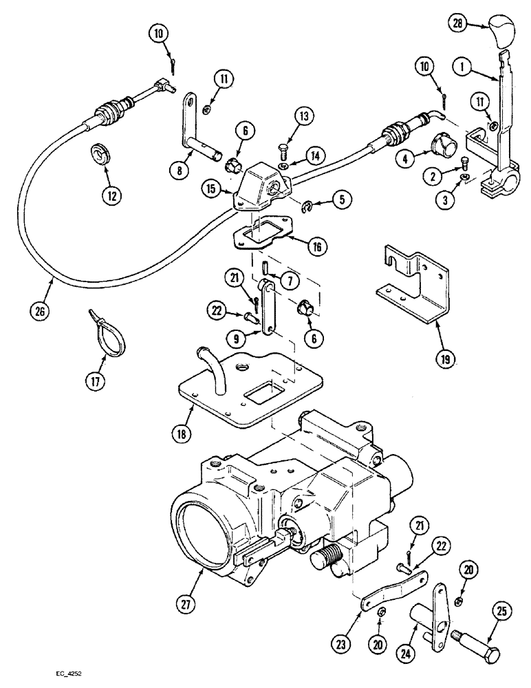
1

128226A2

LEVER ASSY.

LEVER ASSEMBLY control

1шт.

2

864-4012

HEX SOC SCREW,M4 x 12mm, Cl 8.8

Use with Ref. 3 Hex Soc Hd, M4 x 12, 8.8

1шт.

2

614-5020

BOLT,Hex, M5 x 0.8 x 20mm, Cl 8.8, Full Thd

(Use with Ref. 29) Hex, M5 x 20, 8.8, Full Thd

1шт.

3

493-41014

LOCK WASHER,Ext, #6

Washer, Ext, #6

1шт.

4

117467A2

BUSHING

nylon

1шт.

5

100-3337

SNAP RING,E-Type, 0.3" OD

Ring, Retaining, #37, .300" Dia, E-Type

1шт.

6

117595A1

BUSHING

nylon

2шт.

7

38-2810

PIN,1/8" x 5/8", Coiled

1шт.

8

117330A1

LEVER ASSY.

LEVER ASSEMBLY control

1шт.

9

117319A1

LEVER ASSY.

LEVER ASSEMBLY control, upper

1шт.

10

432-48

COTTER PIN,1/16" x 1/2"

PIN, SPLIT (COTTER), 1/16" x 1/2"

2шт.

11

95-81060

WASHER,5.56mm ID x 14.28mm OD x 1.7mm Thk

flat, 7/32 x 9/16 x 1/16 inch

2шт.

12

248-2177

GROMMET,11/16" ID x 1" Groove Dia

cable

1шт.

13

614-6012

BOLT,Hex, M6 x 1 x 12mm, Cl 8.8, Full Thd

2шт.

14

895-10006

WASHER,6.6mm ID x 12mm OD x 1.6mm Thk

flat, 6.6 x 12.5 x 1.6 mm

2шт.

15

117325A1

COVER

lever

1шт.

16

117315A1

GASKET

cover

1шт.

17

306132C1

CABLE TIE,14.5" L

STRAP tie 14 in

1шт.

18

125075A1

COVER ASSY

COVER drop response

1шт.

19

124606A2

SUPPORT

BRACKET cable

1шт.

20

895-11005

WASHER,5.5mm ID x 10mm OD x 1mm Thk

1шт.

21

733-2012

COTTER PIN,M2 x 12

PIN, SPLIT (COTTER), M2 x 12

1шт.

22

117317A1

PIN

2шт.

23

117323A1

LINK

lever

1шт.

24

117326A1

LEVER ASSY.

LEVER valve

1шт.

25

117324A1

BOLT

BOLT special, lever mounting

1шт.

26

125786A1

CABLE

ASSEMBLY drop response

1шт.

27

REF

INSTRUCTION

VALVE ASSEMBLY drop response, See figure 8-046

1шт.

28

117114A1

BUTTON

KNOB response control lever

1шт.

29

832-10405

NUT,M5 x .8, Cl 8

NUT, LOCK, M5 x .8, Cl 8

1шт.

Выбрано товаров: 30