Запчасти Case IH 3230 (9-030) - CAB, FRAME (09) - CHASSIS/ATTACHMENTS

Схема запчастей Case IH 3230 - (9-030) - CAB, FRAME (09) - CHASSIS/ATTACHMENTS
9
38
22
24
35
33
40
20
36
1
26
39
4
28
25
44
5
21
28
8
12
36
17
20
31
34
10
37
42
18
27
7
14
13
37
37
2
11
23
41
45
43
32
19
16
15
29
FIT
1:1
100%

Артикул

Название

Примечание

Количество

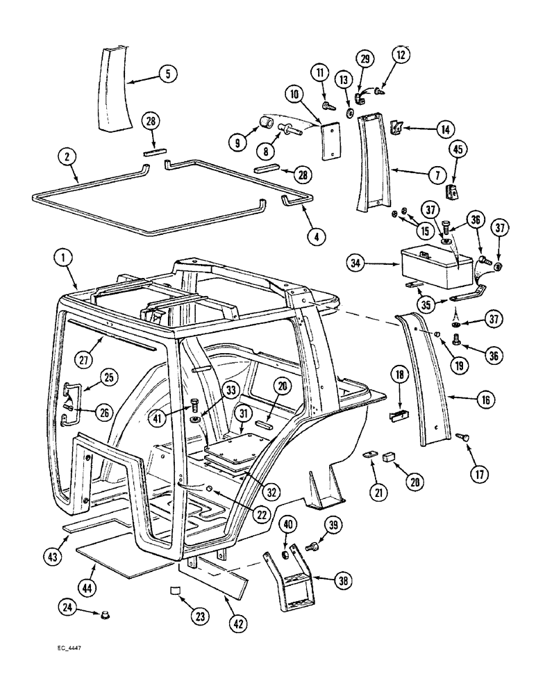
116702A2

CAB

complete with trim, with air conditioning

1шт.

116773A1

CAB

complete with trim, without air conditioning, Includes Ref. 1 - 29

1шт.

1

NSS

NOT SOLD SEPARAT

FRAME ASSEMBLY cab

1шт.

2

NSS

NOT SOLD SEPARAT

SEAL foam, 3000 mm, Order 3 x 1280449C2

1шт.

4

NSS

NOT SOLD SEPARAT

SEAL foam, 1730 mm, Order 2 x 1280449C2

1шт.

1280449C2

SEALING STRIP

foam, 3000 mm

1шт.

5

133011A1

LINING

COVER ASSEMBLY insulator, right post

1шт.

133009A1

LINING

COVER ASSEMBLY insulator, left post, Includes Ref. 7 - 10

1шт.

7

NSS

NOT SOLD SEPARAT

COVER insulator, left post, Order 133009A1

1шт.

8

1332221C1

RIVET

split, blind

2шт.

9

1332222C1

DOOR COVER

CAP rivet

2шт.

10

1330748C2

LARGE PLATE

PLATE warning decal

1шт.

11

765-14322

SELF-TAP SCREW,Oval Hd, M4.2 x 22

SCREW - tapping, oval cross recess, 4.2 x 22 mm

6шт.

12

761-14322

SELF-TAP SCREW,Pan Hd, M4.2 x 22

SCREW tapping, round cross recess, 4.2 x 22 mm

2шт.

13

3234052R1

WASHER

cup, 6 mm

6шт.

14

3234042R1

SPRING NUT

spring, 4.2 mm, push-on

8шт.

15

3234234R1

WASHER

cover

4шт.

16

3233551R5

COVER

SHROUD left

1шт.

16

3233552R5

COVER

SHROUD right

1шт.

17

774-17532

SELF-TAP SCREW,Pozidrive, Pan HD, M5.5 x 1.8 x 32mm

SCREW tapping, countersunk, cross recess, 5.5 x 32 mm

4шт.

18

3404795R1

NUT

NUT spring, 5.6 mm

4шт.

19

3233690R2

PLUG

shroud

2шт.

20

NSS

NOT SOLD SEPARAT

STRIP filling 30 mm, Order 146793C1 and, Serial Range: cut-length

5шт.

21

NSS

NOT SOLD SEPARAT

STRIP filling 30 mm, Order 146793C1 and, Serial Range: cut-length

1шт.

146793C1

SEAL

STRIP filling, bulk length

1шт.

22

128157

GROMMET,3/8" ID x 27/32" x .062", Diag Cut

rubber, 3/8 x 27/32 x 5/16 inch

2шт.

23

1280244C1

SEAL

front pillar

2шт.

24

3399850R2

PLUG

10.5 OD x 6 mm

1шт.

24

3399851R1

PLUG

13.5 OD x 8 mm

2шт.

24

84200C1

PLUG

17.1 OD x 8 mm

5шт.

24

84199C1

PLUG

18.8 OD x 10 mm

4шт.

24

3233767R1

PLUG

21.2 OD x 7.5 mm

11шт.

24

3404078R1

PLUG

pin, 6 OD x 13.5 mm

8шт.

25

3234179R1

HANDLE

right pillar

2шт.

26

543-706

SCREW,Hex Flat Hd, M6 x 16, 4.8

countersunk 6 x 16 mm

8шт.

27

NSS

NOT SOLD SEPARAT

SEAL foam, 1340 mm, Order 73220C1 and, Serial Range: cut-length

1шт.

73220C1

FILLING STRIP

SEAL bulk, adhesive-backed, 13 x 19 x 1219 mm long

1шт.

28

NSS

NOT SOLD SEPARAT

STRIP filling, 80 mm, Order 146793C1 and, Serial Range: cut-length

2шт.

146793C1

SEAL

STRIP filling, bulk length

1шт.

29

3234176R1

COAT HOOK

HOOK coat

2шт.

1536044C1

PANEL ASSY.

PANEL ASSEMBLY seat deck, Includes Ref. 31 and 32

1шт.

31

NSS

NOT SOLD SEPARAT

PANEL seat deck

1шт.

32

1536045C1

INSULATOR

panel

1шт.

33

895-11008

WASHER,9mm ID x 16mm OD x 1.6mm Thk

flat, 9 x 17 x 1.6 mm

4шт.

34

1536072C1

BOX, TOOL

BOX tool

1шт.

35

88015C1

SUPPORT

BRACKET toolbox mounting

2шт.

36

615-6020

BOLT,Hex, M6 x 1 x 20mm, Cl 8.8, Full Thd

hex, 6 - 1 x 20 mm

6шт.

37

895-10006

WASHER,6.6mm ID x 12mm OD x 1.6mm Thk

flat, 6.6 x 12.5 x 1.6 mm

6шт.

38

82973C2

STEP

ASSEMBLY right

1шт.

38

82972C2

STEP

ASSEMBLY left

1шт.

39

3404199R1

BOLT

BOLT hex, 10 mm - 1.5 x 27 mm

8шт.

40

825-1410

NUT,M10, Cl 8

8шт.

41

614-8016

BOLT,Hex, M8 x 1.25 x 16mm, Cl 8.8, Full Thd

hex, full threads, 8 - 1.25 x 16 mm

4шт.

42

133527A2

LINING

INSULATOR heelboard

1шт.

43

1536050C2

LINING

INSULATOR footwell side, left

1шт.

43

1536051C2

LINING

INSULATOR footwell side, right

1шт.

44

1536049C2

LINING

INSULATOR footwell center, 363 x 403 mm

1шт.

44

187736A1

PADDING

INSULATOR footwell center, 328 x 398 mm

1шт.

45

3234185R1

THREADED INSERT

INSERT push type, monitor bracket

2шт.

Выбрано товаров: 59