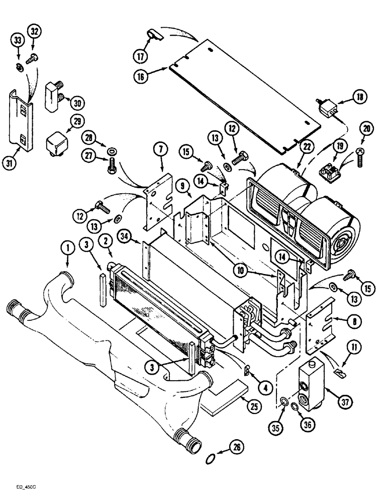
Запчасти Case IH 3230 (9-062) - CAB, AIR CONDITIONING BLOWER ASSEMBLY (09) - CHASSIS/ATTACHMENTS

Схема запчастей Case IH 3230 - (9-062) - CAB, AIR CONDITIONING BLOWER ASSEMBLY (09) - CHASSIS/ATTACHMENTS
11
1
13
14
19
27
17
13
9
14
12
36
15
28
16
32
15
4
30
22
10
7
12
20
3
2
29
3
35
37
8
33
26
25
31
34
18
13
FIT
1:1
100%

Артикул

Название

Примечание

Количество

137071A1

BLOWER ASSY.

BLOWER ASSEMBLY air conditioning, Includes Ref. 1 - 25

1шт.

1

1280277C2

MANIFOLD

DEFLECTOR blower

1шт.

2

3233586R91

HEAT-EXCHANGER

ELEMENT ASSEMBLY heat exchanger, Includes Ref. 3 and 4

1шт.

3

1283288C1

GASKET

foam

2шт.

4

3233660R1

SPRING NUT

spring

4шт.

7

1280281C1

SUPPORT

BRACKET drain pan side

1шт.

8

1280280C1

SUPPORT

BRACKET drain pan side

1шт.

9

1280254C2

HOUSING

PAN evaporator drain

1шт.

10

1280480C1

SUPPORT

BRACKET drain pan

2шт.

11

3233707R1

SPRING NUT

spring

2шт.

12

615-6016

BOLT,Hex, M6 x 1 x 16mm, Cl 8.8, Full Thd

hex, full threads, 6 - 1.0 x 16 mm

6шт.

13

895-11006

WASHER,6.6mm ID x 12mm OD x 1.6mm Thk

10шт.

14

1280253C1

SUPPORT

BRACKET drain pan

2шт.

15

760-14416

SELF-TAP SCREW,Pan Hd, M4.8 x 16

SCREW pan head, 4.8 x 16 mm

4шт.

16

1280282C1

COVER

drain pan

1шт.

17

143382C1

CLIP

spring

4шт.

18

109268C2

SWITCH

thermostat

1шт.

19

1343938C1

RESISTOR

blower

1шт.

20

760-14416

SELF-TAP SCREW,Pan Hd, M4.8 x 16

SCREW pan head, 4.8 x 16 mm

2шт.

22

REF

INSTRUCTION

BLOWER air Aurora, See figure 9-070

1шт.

25

1280252C2

INSULATOR

evaporator

1шт.

26

1280297C1

O-RING,45mm OD x 5.5mm Width

deflector

2шт.

27

614-6016

BOLT,Hex, M6 x 1 x 16mm, Cl 8.8, Full Thd

6шт.

28

895-11006

WASHER,6.6mm ID x 12mm OD x 1.6mm Thk

6шт.

29

1983394C2

RELAY

electrical, 30 amp

3шт.

30

245763C1

CIRCUIT-BREAKER,20A

BREAKER circuit, 20 ampere

1шт.

30

245765C1

CIRCUIT-BREAKER,30A

BREAKER circuit, 30 ampere

1шт.

30

403069R1

CIRCUIT-BREAKER,30A

BREAKER circuit, 30 ampere

1шт.

31

20-1171T1

SUPPORT

BRACKET mounting, circuit breaker, not used with 403069R1

1шт.

32

30880R1

SELF-TAP SCREW,Pan Hd, M4.8 x 13

SCREW tapping, 4.2 x 13 mm

1шт.

33

892-11005

LOCK WASHER,M5

WASHER, LOCK, M5

1шт.

130451A2

RADIATOR

CORE ASSEMBLY evaporator, Includes Ref. 34 - 37

1шт.

34

NSS

NOT SOLD SEPARAT

CORE evaporator, Order 130451A1

1шт.

35

128484A1

O-RING,0.07" Thk x 0.426" ID, -13, Cl 5, 70 Duro

10.82 mm ID

1шт.

36

128485A1

O-RING,1.78mm Thk x 14mm ID, 70 Duro

14.0 mm ID

1шт.

37

1990756C2

VALVE

expansion, compatible with R12 and 134A

1шт.

Выбрано товаров: 36