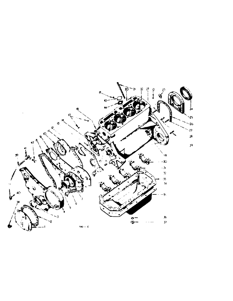
Запчасти Case IH 354 (1-05) - DIESEL ENGINE, CRANKCASE, FRONT COVER AND OIL PAN (01) - ENGINE

Схема запчастей Case IH 354 - (1-05) - DIESEL ENGINE, CRANKCASE, FRONT COVER AND OIL PAN (01) - ENGINE
8
17
9
36
34
3
25
10
22
26
24
31
5
27
20
13
12
30
6
28
33
42
35
32
2
4
21
11
18
19
27
17
40
41
14
7
29
37
1
FIT
1:1
100%

Артикул

Название

Примечание

Количество

1

709904R2

COVER

inj. pump gear

1шт.

179816

BOLT,Hex, 5/16" - 18 x 3/4", Gr 5

1шт.

179828

BOLT,Hex, 5/16" - 18 x 2 1/2", Gr 5

6шт.

9635082

NUT,5/16" - 18, Gr 5

hex 5/16"

4шт.

103320

LOCK WASHER,5/16"

WASHER, LOCK, 5/16"

7шт.

2

703849R1

GASKET

inj. pump gear cover

1шт.

3

3108650R91

SEAL

OIL SEAL, crankshaft, front

1шт.

4

708284R41

COVER

front crankcase cpte., w/oil seal 3108650R91, optional

1шт.

4

3042069R21

COVER

front crankcase cpte. w/oil seal 3108650R91, optional

1шт.

179818

BOLT,Hex, 5/16" - 18 x 1", Gr 5

5шт.

179825

BOLT,Hex, 5/16" - 18 x 1 7/8", Gr 5

3шт.

103320

LOCK WASHER,5/16"

WASHER, LOCK, 5/16"

8шт.

5

181434

BOLT,Hex, 1/2" - 20 x 1 7/8", Gr 5

hex-hd 1/2" UNF x 1-7/8"

1шт.

6

703853R11

SHAFT

idler gear, cpte., w/pin 932039R1

1шт.

932039R1

LOCK PIN,M3 x 16, Slotted

PIN, roll, 3 mm x 16 mm

1шт.

7

703852R1

GEAR

idler

1шт.

8

708285R1

GASKET

crankcase front cover

1шт.

9

709901R11

PLATE

front, crankcase, cpte.

1шт.

179816

BOLT,Hex, 5/16" - 18 x 3/4", Gr 5

1шт.

3047230R1

SCREW

mach.

2шт.

703636R1

WASHER

tab, front plate bolt

1шт.

10

703851R1

GASKET

hyd. pump opening cover

1шт.

11

703850R1

COVER

hyd. pump opening

1шт.

179825

BOLT,Hex, 5/16" - 18 x 1 7/8", Gr 5

3шт.

13-534

BOLT,Hex, 5/16" - 18 x 2-1/8", Gr 5

hex hd. 5/16" x 2-1/8'

1шт.

9635082

NUT,5/16" - 18, Gr 5

hex 5/16"

4шт.

103320

LOCK WASHER,5/16"

WASHER, LOCK, 5/16"

4шт.

Q397

WASHER

plain 3/4" x 11/32" x 16 ga.

1шт.

12

709903R2

GASKET

crankcase front plate

1шт.

13

444691

PLUG

pipe

2шт.

14

703827R1

CAMSHAFT BEARING

BUSHING, camshaft, front

1шт.

14

703828R1

CAMSHAFT BEARING

BUSHING, camshaft, center

1шт.

14

703829R1

CAMSHAFT BEARING

BUSHING, camshaft, rear

1шт.

15

37-1616

DOWEL,3/8" x 1"

PIN, dowel (crankshaft front)

2шт.

16

751610R1

INSERT

lock, idler gear bolt screw (1/2" UNF x 1/2")

1шт.

17

103883

PIPE PLUG,Slotted, Headless, 1/8" NPT

PLUG, PIPE, Slotted, Headless, 1/8" NPT

3шт.

18

703832R1

STUD

water pump

4шт.

19

106794

VALVE

TAP, water drain, optional

1шт.

19

707888R92

COCK

TAP, water drain, optional

1шт.

19

103647

VALVE

TAP, water drain, optional

1шт.

20

3040912R41

CRANKCASE

cpte. comprising: 10 bolt 3061211R1, 1 bush 703827R1, 1 bush 703828R1, 1 bush 703829R1, X cap 706491R2, X cap 708902R2, 16 insert 751834R1, 1 insert 751610R1, 2 pin 141223, 2 pin 141244, 2 pin 141287, 1 plug 172578, 3 plug 103883, 2 plug 444691

1шт.

21

751826R1

TUBE,0.375" OD, 5.75" Length

dipstick

1шт.

22

751834R1

INSERT

thread, 7/16" -14 heli-coil

16шт.

23

172578

PLUG,Exp, 1 3/4"

expansion (type 1, 1-3/4")

1шт.

24

3072092R91

OIL SEAL

OIL SEAL, crankshaft, rear

1шт.

25

708904R1

RETAINER

crankshaft rear oil seal, optional

1шт.

708905R1

RETAINER

crankshaft rear oil seal, optional

1шт.

706732R1

BOLT,Hex, 5/16" - 18 x 1 1/8"

crankshft rear oil seal retainer

7шт.

103320

LOCK WASHER,5/16"

WASHER, LOCK, 5/16"

7шт.

26

708907R2

OIL SEAL

crankshaft rear oil seal retainer

1шт.

27

141223

DOWEL,5/16" x 1"

PIN, dowel, crankshaft rear oil seal retainer

2шт.

28

141287

DOWEL,1/2" x 1 1/2"

PIN, dowel, (crankshaft rear)

2шт.

29

703877R1

STUD

starter motor

1шт.

30

708902R2

BEARING CAP,2.273" ID x 1.1013"

CAP, crankshaft bearing, rear

1шт.

31

706491R2

CAP

crankshaft bearing

1шт.

32

3061325R1

WASHER

crankshaft bearing cap bolt

10шт.

33

703840R1

GASKET

crankshaft pan

1шт.

34

3061211R1

BOLT,1/2" - 13 x 2.875"

crankshaft bearing

10шт.

35

3064063R11

SUMP

PAN, oil, crankcase, cpte.

1шт.

179817

BOLT,Hex, 5/16" - 18 x 7/8", Gr 5, Full Thd

14шт.

103320

LOCK WASHER,5/16"

WASHER, LOCK, 5/16"

14шт.

36

3405H

GASKET

crankcase pan drain plug, optional

1шт.

36

3043644R1

WASHER

GASKET, crankcase pan drain plug, optional

1шт.

37

445096

PLUG

drain, crankcase pan

1шт.

38

3110596R1

ELBOW

breather pipe (inj. pump gear cover end)

1шт.

39

3043654R92

HOSE

PIPE, crankcase breather

1шт.

40

700153R11

NUT

connector, crankcase breather pipe cpte., optional

1шт.

40

222-504

TUBE NUT,9/16"-20

NUT, connector, crankcase breather pipe cpte., optional

1шт.

41

708297R1

GASKET

WASHER, breather pipe, banjo bolt

2шт.

42

708296R1

CONNECTOR, ELEC

BOLT, banjo, breather pipe, optional

1шт.

42

3070324R1

BOLT,1/2" - 20 x 1.067"

banjo, breather pipe, optional

1шт.

43

NSS

NOT SOLD SEPARAT

NOT APPLICABLE

1шт.

44

3042467R1

GASKET

hourmeter drive opening

1шт.

Выбрано товаров: 73