Запчасти Case IH 364 (3-23) - ELECTRICAL, ELECTRICAL SYSTEM (06) - ELECTRICAL SYSTEMS

Схема запчастей Case IH 364 - (3-23) - ELECTRICAL, ELECTRICAL SYSTEM (06) - ELECTRICAL SYSTEMS
FIT
1:1
100%

Артикул

Название

Примечание

Количество

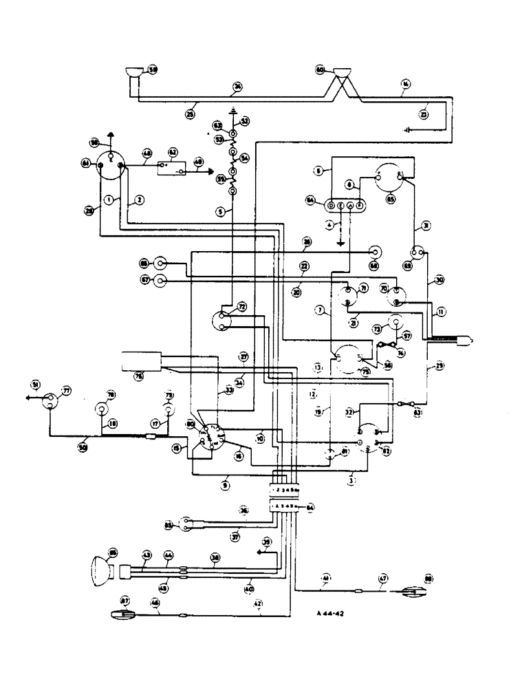
3112769R92

WIRE HARNESS

HARNESS, main cable, Includes: Ref. 1 - 35

1шт.

1

NSS

NOT SOLD SEPARAT

CABLE, starter motor "B" to key switch term. 1, red

1шт.

2

NSS

NOT SOLD SEPARAT

CABLE, starter motor "B" to ammeter "+" term., red

1шт.

3

NSS

NOT SOLD SEPARAT

CABLE, rear connections "2" to key switch term "4", red/black

1шт.

4

NSS

NOT SOLD SEPARAT

CABLE, regulator "E" to earth, black

1шт.

5

NSS

NOT SOLD SEPARAT

CABLE, no. 4. glow plug to indicator resistor, black

1шт.

6

NSS

NOT SOLD SEPARAT

CABLE, regulator "D" to generator "D", brown/yellow

1шт.

7

NSS

NOT SOLD SEPARAT

CABLE, regulator "A" to ammeter, term, brown/white

1шт.

8

NSS

NOT SOLD SEPARAT

CABLE, regulator "F" to generator "F", brown/green

1шт.

9

NSS

NOT SOLD SEPARAT

CABLE, light switch term "RL" to rear connections "4", red/white

1шт.

10

NSS

NOT SOLD SEPARAT

CABLE, light switch term "TL" to rear connections "8", red

1шт.

11

NSS

NOT SOLD SEPARAT

CABLE, splice ferrule to heat indicator term "B", green

1шт.

12

NSS

NOT SOLD SEPARAT

CABLE, key switch term "5" indicator resistor, green/yellow

1шт.

13

NSS

NOT SOLD SEPARAT

CABLE, key switch term "3" indicator resistor, brown

1шт.

14

NSS

NOT SOLD SEPARAT

CABLE, light switch term "HL" to RH headlamp feed, blue/red

1шт.

15

NSS

NOT SOLD SEPARAT

CABLE, light switch term "Inst" to panel light conn., red/blue

1шт.

16

NSS

NOT SOLD SEPARAT

CABLE, light switch term "Bat" to aux. fuse, purple

1шт.

17

NSS

NOT SOLD SEPARAT

CABLE, panel light holder "2" to panel light conn., red/blue

1шт.

18

NSS

NOT SOLD SEPARAT

CABLE, panel light holder no. 1. to panel light conn., red/blue

1шт.

19

NSS

NOT SOLD SEPARAT

CABLE, aux. fuse supply to ammeter, term, brown/blue

1шт.

20

NSS

NOT SOLD SEPARAT

CABLE, fuel gauge term "T" to transmitter, green/black

1шт.

21

NSS

NOT SOLD SEPARAT

CABLE, fuel gauge term "B" to splice ferrule, green

1шт.

22

NSS

NOT SOLD SEPARAT

CABLE, heat indicator term "T" to transmitter, green/blue

1шт.

23

NSS

NOT SOLD SEPARAT

CABLE, RH headlamp earth to earth, black

1шт.

24

NSS

NOT SOLD SEPARAT

CABLE, RH headlamp feed to LH headlamp feed, blue/red

1шт.

25

NSS

NOT SOLD SEPARAT

CABLE, RH headlamp earth to LH headlamp earth, black

1шт.

26

NSS

NOT SOLD SEPARAT

CABLE, light switch term "HL" to headlamp warning light, blue/red

1шт.

27

NSS

NOT SOLD SEPARAT

CABLE, flasher unit to rear connections "6", brown

1шт.

28

NSS

NOT SOLD SEPARAT

CABLE, rear connections "1" to starter motor "Sol" term., white/red

1шт.

29

NSS

NOT SOLD SEPARAT

CABLE, line fuse to splice ferrule, green

1шт.

30

NSS

NOT SOLD SEPARAT

CABLE, generator warning light to splice ferrule, green

1шт.

31

NSS

NOT SOLD SEPARAT

CABLE, generator warning light to generator "D" term, brown/yellow

1шт.

32

NSS

NOT SOLD SEPARAT

CABLE, key switch term "2" to line fuse, white

1шт.

33

NSS

NOT SOLD SEPARAT

CABLE, flasher unit to light switch term "TL", red

1шт.

34

NSS

NOT SOLD SEPARAT

CABLE, flasher unit to rear connections "5", brown

1шт.

35

NSS

NOT SOLD SEPARAT

(Not used)

1шт.

3112761R91

HARNESS

rear cable, Includes: Ref. 36 - 42

1шт.

36

NSS

NOT SOLD SEPARAT

CABLE, safety start switch to rear connections "1", red/black

1шт.

37

NSS

NOT SOLD SEPARAT

CABLE, safety start switch to rear connections "2", white/red

1шт.

38

NSS

NOT SOLD SEPARAT

CABLE, rear connections "3" to LH fender conns., red

1шт.

39

NSS

NOT SOLD SEPARAT

CABLE, LH fender conns to earth, black

1шт.

40

NSS

NOT SOLD SEPARAT

CABLE, rear conns "4" to LH fender conns., red/white

1шт.

41

NSS

NOT SOLD SEPARAT

CABLE, rear conns. "6" to RH fender conns., brown

1шт.

42

NSS

NOT SOLD SEPARAT

CABLE, rear conns. "5" to LH fender conns., brown

1шт.

3112762R91

HARNESS

plough light, Includes: Ref. 43 - 45

1шт.

43

NSS

NOT SOLD SEPARAT

CABLE, LH fender conns to combination light adaptor, black

1шт.

44

NSS

NOT SOLD SEPARAT

CABLE, LH fender conns to combination light adaptor, red

1шт.

45

NSS

NOT SOLD SEPARAT

CABLE, LH fender conns to combination light adaptor, red/white

1шт.

NSS

NOT SOLD SEPARAT

CABLE, assy., flasher lamp, Includes: Ref. 46 and 47

1шт.

46

NSS

NOT SOLD SEPARAT

CABLE, LH flasher lamp to connector, black

1шт.

47

NSS

NOT SOLD SEPARAT

CABLE, RH flasher lamp to connector, black

1шт.

48

3112297R92

CABLE

battery positive to starter motor term "B", black PVC sheath

1шт.

49

3112292R91

CABLE

battery negative to earth, black PVC sheath

1шт.

NSS

NOT SOLD SEPARAT

CABLE, assy., tractormeter light, Includes: Ref. 50 and 51

1шт.

50

NSS

NOT SOLD SEPARAT

CABLE, tractormeter light to connector, red

1шт.

51

NSS

NOT SOLD SEPARAT

CABLE, tractormeter light to earth, black

1шт.

52

NSS

NOT SOLD SEPARAT

CABLE, earth to no. 1. glow plug, nichrome wire

1шт.

53

NSS

NOT SOLD SEPARAT

CABLE, no.1. glow plug to no. 2. glow plug, nichrome wire

1шт.

54

NSS

NOT SOLD SEPARAT

CABLE, no. 2. glow plug to no. 3. glow plug, nichrome wire

1шт.

55

NSS

NOT SOLD SEPARAT

CABLE, no. 3. glow plug to no. 4. glow plug, nichrome wire

1шт.

NSS

NOT SOLD SEPARAT

CABLE, assy. cigar lighter, Includes: Ref. 56 and 57

1шт.

56

NSS

NOT SOLD SEPARAT

CABLE, ammeter - term to in-line fuse, white/green

1шт.

57

NSS

NOT SOLD SEPARAT

CABLE, cigar lighter to in-line fuse, white/green

1шт.

58

3061346R91

CABLE, starter "E" term to earth, tinned copper braid

1шт.

59

NSS

NOT SOLD SEPARAT

HEADLAMP LH, see detail list

1шт.

60

NSS

NOT SOLD SEPARAT

HEADLAMP RH, see detail list

1шт.

61

NSS

NOT SOLD SEPARAT

MOTOR, starter, see detail list

1шт.

62

NSS

NOT SOLD SEPARAT

BATTERY

1шт.

63

NSS

NOT SOLD SEPARAT

PLUG, assy., glow

4шт.

64

NSS

NOT SOLD SEPARAT

REGULATOR, see regulator and heat shield

1шт.

65

NSS

NOT SOLD SEPARAT

GENERATOR, see detail list

1шт.

66

NSS

NOT SOLD SEPARAT

TRANSMITTER, heat indicator

1шт.

See Electrical Instruments

1шт.

67

NSS

NOT SOLD SEPARAT

TRANSMITTER, fuel

1шт.

See Electrical Instruments

1шт.

68

NSS

NOT SOLD SEPARAT

LIGHT, headlamp warning

1шт.

See Electrical Instruments

1шт.

69

NSS

NOT SOLD SEPARAT

LIGHT, generator warning

1шт.

See Electrical Instruments

1шт.

70

NSS

NOT SOLD SEPARAT

GAUGE, fuel

1шт.

See Electrical Instruments

1шт.

72

NSS

NOT SOLD SEPARAT

RESISTOR, indicator

1шт.

See Electrical Instruments

1шт.

73

NSS

NOT SOLD SEPARAT

LIGHTERm cigar

1шт.

74

NSS

NOT SOLD SEPARAT

FUSE, in-line

1шт.

75

NSS

NOT SOLD SEPARAT

AMMETER

1шт.

See Electrical Instruments

1шт.

76

NSS

NOT SOLD SEPARAT

UNIT, flasher

1шт.

See Electrical Instruments

1шт.

77

NSS

NOT SOLD SEPARAT

LIGHT, tractormeter

1шт.

See Electrical Instruments

1шт.

78

NSS

NOT SOLD SEPARAT

LIGHT, panel no. 1.

1шт.

79

NSS

NOT SOLD SEPARAT

LIGHT, panel no. 2.

1шт.

80

NSS

NOT SOLD SEPARAT

SWITCH, light

1шт.

See Electrical Instruments

1шт.

81

700166R1

FUSE

auxiliary, opt.

1шт.

707887R1

NO LONGER SERVICED

FUSE, auxiliary, opt.

1шт.

82

NSS

NOT SOLD SEPARAT

SWITCH, key

1шт.

See Electrical Instruments

1шт.

83

NSS

NOT SOLD SEPARAT

FUSE, line

1шт.

84

NSS

NOT SOLD SEPARAT

CONNECTOR, 6 way

1шт.

85

NSS

NOT SOLD SEPARAT

SWITCH, safety start

1шт.

See Electrical Instruments

1шт.

86

NSS

NOT SOLD SEPARAT

LAMP, plough and tail, see sealed beam combination and rear lamp

1шт.

87

NSS

NOT SOLD SEPARAT

LAMP, flasher LH, see flasher light

1шт.

88

NSS

NOT SOLD SEPARAT

LAMP, flasher RH, see flasher light

1шт.

NSS

NOT SOLD SEPARAT

HARDWARE attaching, for clips on rear hyd. lift housing, next 20 Refs.

1шт.

708113R1

CLIP

cable

1шт.

17406R1

SCREW,Hex, 1/4" - 20 x 5/8"

BOLT, hex. hd. 1/4-20

2шт.

219420

NUT, hex. 1/4-20

2шт.

103319

LOCK WASHER,1/4"

WASHER, LOCK, 1/4"

1шт.

708114R1

CLIP, cable

4шт.

708115R1

PLATE ASSY.

CLIP, cable

7шт.

708117R1

NO LONGER SERVICED

CLIP, cable

3шт.

537025R1

CLIP

panel harness

1шт.

3066369R1

STUD

nylon

3шт.

3040887R91

CONDUIT, CPTE., cable L.H.

1шт.

3112300R2

CONDUIT, CPTE., cable front

1шт.

179837

BOLT,Hex, 3/8" - 16 x 3/4", Gr 5

1шт.

102635

NUT,3/8"-16, G5

1шт.

103321

LOCK WASHER,3/8"

WASHER, LOCK, 3/8"

1шт.

117974

GROMMET, 3/8 fender, cable entry

2шт.

704694R1

GROMMET

fuel spill rail

1шт.

117959

GROMMET,5/16" ID x .719" x .062"

fender

1шт.

3114086R1

GROMMET

main harness

1шт.

180122

BOLT,Hex, 3/8" - 16 x 1", Gr 5

hex. hd. 3/8 x 1" )

2шт.

120382

LOCK WASHER,Helical Spring, 3/8"

WASHER, LOCK, 3/8"

2шт.

Выбрано товаров: 127