Запчасти Case IH 364 (4-04) - CHASSIS, HOOD AND INSTRUMENT PANEL SUPPORTS (12) - CHASSIS

Схема запчастей Case IH 364 - (4-04) - CHASSIS, HOOD AND INSTRUMENT PANEL SUPPORTS (12) - CHASSIS
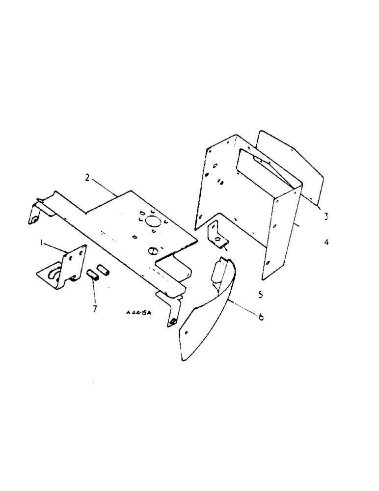
1
7
2
4
6
5
3
FIT
1:1
100%

Артикул

Название

Примечание

Количество

1

3114772R1

BRACKET

friction governor control

1шт.

179793

BOLT,Hex, 1/4" - 20 x 5/8", Gr 5, Full Thd

2шт.

103319

LOCK WASHER,1/4"

WASHER, LOCK, 1/4"

2шт.

118773

WASHER,0.28" ID x 0.62" OD x 0.07" Thk

plain .281 x .625 x .051 PHC

2шт.

2

3114269R1

SUPPORT

CPTE., instrument panel, export-diesel 000925/up, domestic-diesel 000604/up, Canada-diesel 000718/up, Canada/petrol 000663/up, domestic-diesel 2350/000513/up

1шт.

2

3112176R2

SUPPORT

CPTE., instrument panel, export-diesel up to /000924, domestic-diesel up to /000608, Canada-diesel up to /000717 Canada-petrol up to /000632, domestic-diesel, Serial Range: up-/2350/000512

1шт.

181313

BOLT,Hex, 1/4" - 28 x 3/4", Gr 5

hex hd 1/4 x 3/4

4шт.

103319

LOCK WASHER,1/4"

WASHER, LOCK, 1/4"

4шт.

3

3112185R1

COVER

inspection

1шт.

24402R1

SCREW, pan hd 12-14 x 1/2

3шт.

4

3114121R2

SUPPORT

rear CPTE., Austrian market and deluxe lighting, for machines with flat top fenders only

1шт.

For machines w/flat top fenders only

1шт.

4

3112172R2

BRACKET

SUPPORT, rear CPTE. hood and instrument

1шт.

On orders for 3114121R1 furnish 1 off 3114121R2 w/ 1 off 3114772R1, 2 off 179792, 2 off 103319, and 2 off 118773

1шт.

179838

BOLT,Hex, 3/8" - 16 x 7/8", Gr 5, Full Thd

2шт.

On order for 3112074R1 or 3112075R1 furnish 3112074R2 and 3112075R2 together with pin 17054R1

1шт.

172837

BOLT, hex hd 3/8 x 3/4

1шт.

102635

NUT,3/8"-16, G5

1шт.

103321

LOCK WASHER,3/8"

WASHER, LOCK, 3/8"

3шт.

5

3112175R1

BRACKET, support mounting

1шт.

271554

GREASE,Hex, 5/8" - 11 x 1", Gr 5

hex hd 5/8 x 1

1шт.

103325

LOCK WASHER,5/8"

WASHER, LOCK, 5/8"

1шт.

6

3112168R1

PANEL

side L.H.

1шт.

3112169R1

PANEL

side R.H.

1шт.

7

3114771R1

SPACER, instrument panel support mounting

2шт.

179803

BOLT,1/4" - 20 x 1 3/4", Gr 5

2шт.

103319

LOCK WASHER,1/4"

WASHER, LOCK, 1/4"

2шт.

Выбрано товаров: 27