Запчасти Case IH 364 (4-17) - CHASSIS, CLUTCH HOUSING AND CONNECTIONS (12) - CHASSIS

Схема запчастей Case IH 364 - (4-17) - CHASSIS, CLUTCH HOUSING AND CONNECTIONS (12) - CHASSIS
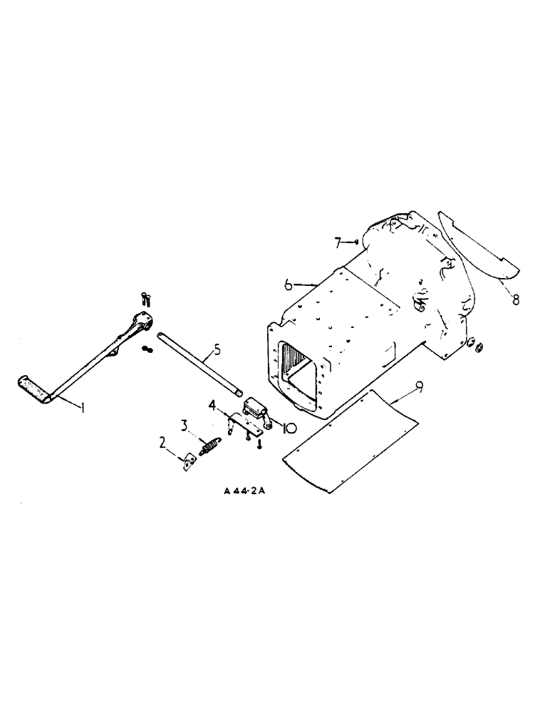
5
2
9
1
6
8
4
7
3
FIT
1:1
100%

Артикул

Название

Примечание

Количество

1

3120484R1

PEDAL

clutch, used w/safety cab

1шт.

1

751050R2

PEDAL

clutch

1шт.

751399R1

BOLT,Hex, 5/16" - 18 x 1 1/2", Full Thd

clutch pedal

1шт.

181379

BOLT,Hex, 3/8" - 24 x 2", Gr 5

hex. hd. 3/8 UNF x 2"

2шт.

114502

JAM NUT,Jam, 5/16"-18, G5

1шт.

751872R1

NUT

hex. 3/8" UNF

2шт.

103321

LOCK WASHER,3/8"

WASHER, LOCK, 3/8"

2шт.

49405H

WASHER

spacing, clutch pedal

2шт.

2

3112574R1

BRACKET

clutch pedal return spring

1шт.

9635082

NUT,5/16" - 18, Gr 5

5/16" hex.

2шт.

103320

LOCK WASHER,5/16"

WASHER, LOCK, 5/16"

2шт.

3

703943R3

SPRING

clutch pedal return

1шт.

4

3114164R1

LEVER

clutch pedal return

1шт.

24642R1

BOLT,5/16" x 1 1/4", Gr 8

5/16" x 1-1/4" hex. hd.

2шт.

3047229R1

WASHER

KEY, clutch release shaft

1шт.

5

3071270R1

SHAFT

clutch release

1шт.

3109744R1

RETAINER

CIRCLIP

1шт.

49405H

WASHER

plain 17/32" x 1-1/4" x 16 ga.

1шт.

6

3044011R21

HOUSING

clutch CPTE., w/two lubricators 109462

1шт.

20549R1

BOLT,Hex, 1/2" - 13 x 1 7/8", Gr 8

hex. hd. 1/2" x 1-7/8"

7шт.

340340R1

BOLT,Hex, 1/2" - 13 x 1 1/2", Gr 8

hex. hd. 1/2" x 1-1/2"

8шт.

17158R1

LOCK PIN,1/2" x 1 1/4", Slotted

PIN, 1/2" x 1 1/4", Slotted

2шт.

115551

LOCK WASHER,Int Tooth, 1/2"

WASHER, LOCK, Int Tooth, 1/2"

15шт.

7

332040

LUBE NIPPLE,90 Degree, 1/8" NPT x .84" lg

LUBRICATOR, angle, 1/8" PT, 90 deg., opt.

2шт.

332040

LUBE NIPPLE,90 Degree, 1/8" NPT x .84" lg

LUBRICATOR, angle, 1/8" PT, 90 deg., opt.

2шт.

8

703957R11

COVER

dust, clutch housing, w/strip 3068216R1

1шт.

179791

BOLT,Hex, 1/4" - 20 x 1/2", Gr 5

2шт.

103319

LOCK WASHER,1/4"

WASHER, LOCK, 1/4"

2шт.

9

708652R1

COVER

hand hole, clutch housing

1шт.

179837

BOLT,Hex, 3/8" - 16 x 3/4", Gr 5

6шт.

10

751049R2

FORK

clutch release

1шт.

103320

LOCK WASHER,5/16"

WASHER, LOCK, 5/16"

2шт.

443090

STUD

drive, no. 6. x 3/8" long grooved, used with tractor serial number plate

4шт.

3068214R1

STRIP

clutch housing hand hole sealing

1шт.

3068216R1

SEAL

clutch housing dust cover sealing

1шт.

Выбрано товаров: 35