Запчасти Case IH 384 (12-04) - POWER, FUEL TANK AND PIPING Power

Схема запчастей Case IH 384 - (12-04) - POWER, FUEL TANK AND PIPING Power
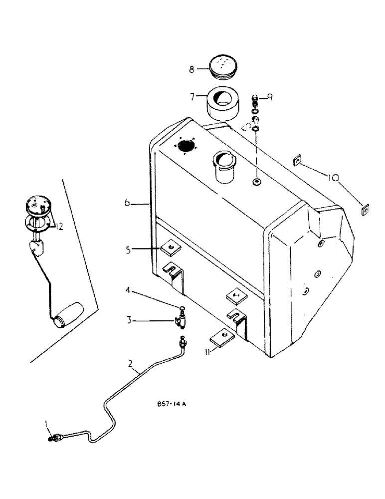
6
11
5
10
2
8
9
12
5
4
1
7
3
FIT
1:1
100%

Артикул

Название

Примечание

Количество

1

796226R1

SLEEVE

1/4 rubber

1шт.

2

3112779R92

PIPE

ASSY, fuel tap to lift dump

1шт.

Had a banjo fitting at one time, but was removed in 1976.

1шт.

3

3064222R91

VALVE

ASSY, fuel

1шт.

4

3045115R1

RING

O-RING

1шт.

5

3112130R1

PAD

fuel tank to battery tray mounting

2шт.

179837

BOLT,Hex, 3/8" - 16 x 3/4", Gr 5

2шт.

128145

WASHER

.438 x 1.375 x .064 pln

2шт.

6

3121871R1

TANK

fuel

1шт.

7

3121877R1

SEAL

fuel tank filler

1шт.

8

707822R93

FILLER CAP

CAP, fuel tank filler

1шт.

9

3070324R1

BOLT,1/2" - 20 x 1.067"

banjo, optional with

1шт.

9

708296R1

CONNECTOR, ELEC

BOLT, banjo

1шт.

708297R1

GASKET

WASHER, banjo bolt

2шт.

10

3121878R1

PAD

fuel tank to rear support mounting

2шт.

179837

BOLT,Hex, 3/8" - 16 x 3/4", Gr 5

2шт.

95-11041

WASHER,3/8"

(.406 x .812 x .051 pln) 3/8"

2шт.

11

3112129R1

PAD

fuel tank support

2шт.

179856

BOLT,Hex, 7/16" - 14 x 3/4", Gr 5

7/16 x 3/4 x pln type 5

2шт.

NLS

NO LONGER SERVICED

.469 x .922 x .051

2шт.

12

3111979R91

TRANSMITTER

GAUGE ASSY, fuel sender

1шт.

3111979R91 is Delco. If using Icknield, must use 3129840R1 Guage and 3129842R91 Sender. (These must be used together.)

1шт.

443874

BRACKET

no. 10 x 1/2 znp h/hd mach

5шт.

533199R1

SEALING WASHER

dowty selon seal

4шт.

796002R1

COPPER WASHER

WASHER, .197 x .334 x .036 copper

1шт.

Выбрано товаров: 25