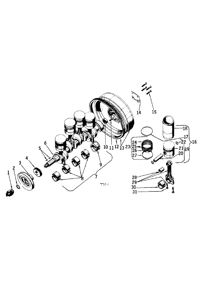
Запчасти Case IH 384 (12-14) - POWER, CRANKSHAFT, FLYWHEEL, CONNECTING RODS AND PISTONS Power

Схема запчастей Case IH 384 - (12-14) - POWER, CRANKSHAFT, FLYWHEEL, CONNECTING RODS AND PISTONS Power
1
27
22
13
31
2
8
21
16
23
29
3
30
18
20
15
11
12
28
17
6
10
24
5
19
25
14
4
9
26
7
FIT
1:1
100%

Артикул

Название

Примечание

Количество

1

3046833R1

NUT

starting crank

1шт.

2

138516

GASKET,Ext Tooth, 1"

WASHER, LOCK, Ext Tooth, 1"

1шт.

3

3114767R1

PULLEY

fan drive, front PTO drive

1шт.

4

703865R1

GEAR

crankshaft, 33T

1шт.

5

218211

DRIVING SPROCKET

crankshaft pinion

2шт.

6

CRANKSHAFT, standard w/two pin 24550D order 3110995R91

1шт.

6

CRANKSHAFT, .015 undersize w/two pin 24550D order 3067471R91

1шт.

6

CRANKSHAFT, .030 undersize w/two pin 24550D order 3110996R91

1шт.

7

708912R91

CRANKSHAFT BEARING

SET, crankshaft bearing, std. consists of

1шт.

708910R91

BEARING ASSY

BEARING

1шт.

3064523R11

CRANKSHAFT BEARING

BEARING

4шт.

7

708914R91

CRANKSHAFT BEARING

SET, crankshaft bearing, .030 undersize, consists of

1шт.

708915R91

BEARING ASSY

BEARING

1шт.

3064525R11

BEARING LINER

BEARING

4шт.

7

708913R91

CRANKSHAFT BEARING

SET, crankshaft bearing, .030 undersize, consists of

1шт.

708911R91

BEARING ASSY

BEARING

1шт.

3064524R11

BEARING LINER

BEARING

4шт.

8

3064523R11

CRANKSHAFT BEARING

BEARING, crankshaft, front and centre two halves standard

4шт.

8

3064525R11

BEARING LINER

BEARING, crankshaft, front and centre, two halves .015 undersize

1шт.

8

3064524R11

BEARING LINER

BEARING, crankshaft, front and centre, two halves .030 undersize

1шт.

9

708910R91

BEARING ASSY

BEARING, crankshaft, rear, two halves standard

1шт.

9

708915R91

BEARING ASSY

BEARING, crankshaft, rear, two halves .015 undersize

1шт.

9

708911R91

BEARING ASSY

BEARING, crankshaft, rear two halves .030 undersize

1шт.

10

ST553

BEARING, BALL,20mm ID x 47mm OD x 14mm W

BEARING, clutch pilot

1шт.

11

24550D

PIN

flywheel dowel

1шт.

12

704436R1

SPROCKET

GEAR, flywheel ring

1шт.

13

3043823R11

FLYWHEEL

machines fitted w/single clutch

1шт.

13

3044033R11

FLYWHEEL, machines fitted w/dual clutch (replaces 3044033R11)

1шт.

14

3069118R2

SHEET

LOCK, flywheel bolt

2шт.

15

709517R1

BOLT,Hex, 7/16" - 20 x 1 3/4"

flywheel, single clutch

4шт.

15

709515R1

BOLT,Hex, 7/16" - 20 x 1 1/4"

flywheel, dual clutch

4шт.

16

3044479R94

PISTON & RINGS KIT

SLEEVE AND PISTON ASSY, consists of ref nos 18 & 19

4шт.

17

704100R1

SEALING RING,5.46mm Thk x 91.06mm ID

RING, clyinder sleeve packing

4шт.

18

SLEEVE, cylinder, order sleeve and piston assy, 3044479R94

4шт.

19

3044480R94

PISTON

ASSY, consists of

4шт.

3044476R1

PIN

1шт.

3044486R3

PISTON

ring (NSS), (2) ring (NSS), (2) ring (NSS)

1шт.

704095R1

SNAP RING,M28, Int

RETAINER

1шт.

20

3044476R1

PIN

piston

4шт.

20

3044477R1

PIN, piston, .005 oversize

1шт.

21

PISTON, order sleeve and piston assy, 3044479R94

4шт.

22

704095R1

SNAP RING,M28, Int

RETAINER, piston pin

8шт.

23

3114778R91

PISTON RING SET

SET, piston ring

4шт.

24

RING, compression piston top

1шт.

25

RING, compression, piston

2шт.

26

RING, oil control, piston, upper

1шт.

27

RING, oil control, piston, lower

1шт.

28

711045R1

BUSHING

piston pin

4шт.

28

3043611R1

BUSHING

piston pin

4шт.

29

3061216R91

CONNECTING ROD

SET, connecting rod w/four rod 3061214R91

1шт.

29

3061214R91

PITMAN ASSY.

ROD ASSY, connecting

4шт.

30

3070536R11

BEARING

connecting rod two halves standard

1шт.

30

3070538R11

JOURNAL

BEARING, connecting rod two halves .015 undersize

1шт.

30

3070537R11

BEARING

connecting rod two halves .030 undersize

1шт.

31

3043216R1

BOLT,3/8" - 24 x 2"

connecting rod

8шт.

3070546R91

BEARING LINER

SET, connecting rod bearing, standard w/four bearing 3070536R11

1шт.

3070539R91

BEARING LINER

SET, connecting rod bearing, .015 undersize w/four bearing 3070538R11

1шт.

3070547R91

CRANKSHAFT BEARING

SET, connecting rod bearing .030 undersize w/four bearing 3070537R11

1шт.

141215

PIN,5/16" x 1/2"

used w/flywheel

2шт.

3110995R91

CRANKSHAFT

PACKAGE, crankshaft service, standard, consists of crankshaft (NSS)

1шт.

708912R91

CRANKSHAFT BEARING

BEARING SET, crankshaft

1шт.

3070546R91

BEARING LINER

BEARING SET, connecting rod

1шт.

3067471R91

PACKAGE, crankshaft service, .015 undersize, consists of crankshaft (NSS)

1шт.

708914R91

CRANKSHAFT BEARING

BEARING SET, crankshaft

1шт.

3070539R91

BEARING LINER

BEARING SET, connecting rod

1шт.

3110996R91

PACKAGE

crankshaft service, .030 undersize, consists of crankshaft (NSS)

1шт.

708913R91

CRANKSHAFT BEARING

BEARING SET, crankshaft

1шт.

3070547R91

CRANKSHAFT BEARING

BEARING SET, connecting rod

1шт.

Выбрано товаров: 68