Запчасти Case IH 385 (6-204) - REAR FRAME, COVER AND CONNECTIONS (CONTD) (06) - POWER TRAIN

Схема запчастей Case IH 385 - (6-204) - REAR FRAME, COVER AND CONNECTIONS (CONTD) (06) - POWER TRAIN
35
37
38
42
36
30
41
40
39
34
43
31
FIT
1:1
100%

Артикул

Название

Примечание

Количество

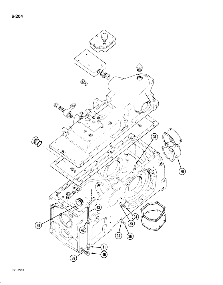
30

399842R1

COVER

rear frame

2шт.

179837

BOLT,Hex, 3/8" - 16 x 3/4", Gr 5

6шт.

31

406734R1

SEAL

teflon

3шт.

32

Not used in this application

1шт.

33

Not used in this application

1шт.

34

3129671R1

FITTING

ADAPTER brake pipe, Left brake inlet tube

1шт.

35

369751R1

O-RING,0.072" Thk x 0.351" ID, -904, Cl 6, 90 Duro

4-1, 90 Duro, .351" ID x .072" Thk, 1/4 OD tube, class 6

1шт.

36

9410356

PLUG

O-ring boss, 7/16 inch NC

1шт.

37

369751R1

O-RING,0.072" Thk x 0.351" ID, -904, Cl 6, 90 Duro

4-1, 90 Duro, .351" ID x .072" Thk, 1/4 OD tube, class 6

1шт.

38

527748R1

PLUG

oil reservoir

1шт.

39

364839

O-RING

3/8 inch OD tube

1шт.

40

9410976

ELBOW,90 Degree, 9/16"-18, 37 Degree x 9/16"-18, O-Ring

90 degree, 5/16 inch OD tube

1шт.

41

528059R1

TUBE

rear frame oil level gauge

1шт.

42

352219R1

O-RING,0.07" Thk x 0.239" ID, -10, Cl 5, 75 Duro

1/4 x 3/8 inch, class 5

1шт.

43

528054R2

DIPSTICK

GAUGE rear frame oil level

1шт.

Выбрано товаров: 15