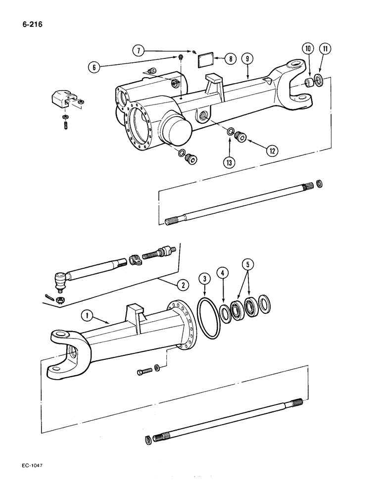
Запчасти Case IH 385 (6-216) - AXLE HOUSING, 4 WHEEL DRIVE, MFD AXLES APL-330 AND APL-325, TRACTORS P.I.N. 18001 AND AFTER (06) - POWER TRAIN

Схема запчастей Case IH 385 - (6-216) - AXLE HOUSING, 4 WHEEL DRIVE, MFD AXLES APL-330 AND APL-325, TRACTORS P.I.N. 18001 AND AFTER (06) - POWER TRAIN
7
4
6
3
11
9
13
8
5
1
10
2
12
FIT
1:1
100%

Артикул

Название

Примечание

Количество

NSS

NOT SOLD SEPARAT

HOUSING ASSEMBLY axle, mechanical front drive, Includes: Ref. 1 thru 13 in this figure and Ref. 14 thru 23 in Figure 6-218

1шт.

1

81407C1

CASE

HOUSING axle, part II

1шт.

2

81289C1

DRAG LINK

ROD tie

2шт.

3

81279C1

O-RING,3mm Thk x 156mm ID, 80 Duro

156 x 3 mm

1шт.

4

81269C1

SHIM

DISK, 0.50 mm

2шт.

4

81257C1

DISC

DISK, 0.60 mm

2шт.

4

81258C1

DISC

DISK, 0.70 mm

2шт.

4

81270C1

DISC

DISK, 0.75 mm

2шт.

4

81259C1

DISC

DISK, 0.80 mm

2шт.

4

81271C1

DISC

DISK, 0.85 mm

2шт.

4

81260C1

SHIM

DISK, 0.90 mm

2шт.

4

81272C1

DISC

DISK, 0.95 mm

2шт.

4

81261C1

SHIM

DISK, 1.00 mm

2шт.

4

81273C1

SHIM

DISK, 1.05 mm

2шт.

4

81262C1

SHIM

DISK, 1.10 mm

2шт.

4

81274C1

DISC

DISK, 1.15 mm

2шт.

4

81263C1

DISC

DISK, 1.20 mm

2шт.

4

81275C1

DISC

DISK, 1.25 mm

2шт.

4

81264C1

DISC

DISK, 1.30 mm

2шт.

4

81276C1

DISC

DISK, 1.35 mm

2шт.

4

81265C1

DISC

DISK, 1.40 mm

2шт.

4

81266C1

DISC

DISK, 1.50 mm

2шт.

4

81267C1

DISC

DISK, 1.60 mm

2шт.

4

81268C1

DISC

DISK, 1.80 mm

2шт.

5

81277C1

RACE

BEARING outer race

2шт.

5

81278C1

RACE

BEARING inner race

2шт.

6

898138H1

BREATHER

VALVE breather

2шт.

7

932658R1

GROOVED PIN,Rd Hd, M3 x 5

PIN groove drive stud, 3 x 5 mm

4шт.

8

NSS

NOT SOLD SEPARAT

PLATE name

1шт.

9

81406C1

HOUSING ASSY.

HOUSING axle, part I

1шт.

10

81410C1

BUSHING

SLEEVE

2шт.

11

81411C1

SEAL ASSY.

SEAL shaft

2шт.

12

905476R1

PLUG

hex socket, M36, grade 5.8

1шт.

13

81284C1

O-RING,2.2mm Thk x 33mm ID

32 x 2 mm

2шт.

Выбрано товаров: 34