Запчасти Case IH 385 (6-224) - HUB PLANETARY DRIVE, 4 WHEEL DRIVE, MFD AXLES APL-330 AND APL-325 TRACTORS P.I.N. 18001 AND AFTER (06) - POWER TRAIN

Схема запчастей Case IH 385 - (6-224) - HUB PLANETARY DRIVE, 4 WHEEL DRIVE, MFD AXLES APL-330 AND APL-325 TRACTORS P.I.N. 18001 AND AFTER (06) - POWER TRAIN
9
12
13
8
14
6
5
15
4
1
7
3
10
11
2
FIT
1:1
100%

Артикул

Название

Примечание

Количество

NSS

NOT SOLD SEPARAT

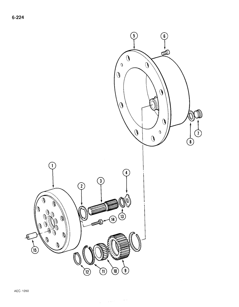
DRIVE planetary, Includes: Ref. 1 through 15

1шт.

1

81434C1

HUB

GEAR internal, used with MFD axle APL-330

2шт.

1

81452C1

GEAR, RING

GEAR internal, used with MFD axle APL-325

2шт.

2

81436C1

THRUST WASHER

WASHER thrust

2шт.

3

81435C1

SUN GEAR

SHAFT sun gear, used with MFD axle APL-330

2шт.

3

81453C1

SUN GEAR

SHAFT sun gear, used with MFD axle APL-325

2шт.

4

81331C1

THRUST WASHER

WASHER thrust, 1.0 mm

2шт.

4

81328C1

THRUST WASHER

WASHER thrust, 1.5 mm

2шт.

4

81332C1

THRUST WASHER

WASHER thrust, 1.7 mm

2шт.

4

81329C1

THRUST WASHER

WASHER thrust, 2.0 mm

2шт.

4

81333C1

THRUST WASHER

WASHER thrust, 2.2 mm

2шт.

4

81330C1

THRUST WASHER

WASHER thrust, 2.5 mm

2шт.

5

81437C1

PINION CARRIER

CARRIER planetary, used with MFD axle APL-330

2шт.

5

81454C1

PINION CARRIER

CARRIER planetary, used with MFD axle APL-325

2шт.

6

81334C1

HEX SOC SCREW,M10 x 20mm

socket head

4шт.

7

933799R1

PLUG,Hex Soc, M24 x 1.5

2шт.

8

A52097

O-RING,2mm Thk x 21mm ID

21 x 2 mm

2шт.

9

81325C1

GEAR

planetary, pinion, used with MFD axle APL-330

6шт.

9

81455C1

GEAR, PLANETARY

GEAR planetary, pinion, used with MFD axle APL-325

6шт.

10

81326C1

BEARING, ROLLER,36mm ID x 56.3mm OD x 20mm W

BEARING roller

6шт.

11

81327C1

RING

angle

12шт.

12

933086R1

SNAP RING,M30, Ext

- retaining, external, 27.48 mm

6шт.

13

933113R1

SNAP RING,M35, Ext, Hvy

RING retaining, external, 31.7 mm

2шт.

14

81432C1

BOLT,Lock, M10 x 45mm

SCREW lock

16шт.

15

81431C1

BUSHING

SLEEVE

16шт.

Выбрано товаров: 25