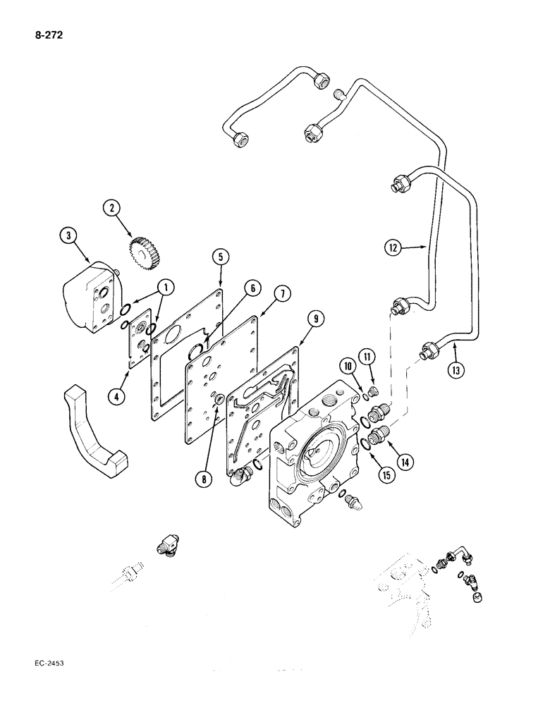
Запчасти Case IH 385 (8-272) - HYDRAULIC POWER SUPPLY AND MULTI CONTROL VALVE (08) - HYDRAULICS

Схема запчастей Case IH 385 - (8-272) - HYDRAULIC POWER SUPPLY AND MULTI CONTROL VALVE (08) - HYDRAULICS
9
3
11
4
2
8
1
10
7
15
12
14
6
13
5
FIT
1:1
100%

Артикул

Название

Примечание

Количество

1

372821R1

O-RING,0.103" Thk x 1.049" ID, -121, Cl 5, 75 Duro

1-1/16 x 3/32 inch, class 5, Pump suction port

1шт.

2

544908R1

GEAR

driven, 21 teeth

1шт.

2

406793R2

GEAR

driven, 20 teeth, 16 gpm pump, Serial Range: -5287

1шт.

19258R1

LOCK NUT,1/2"-20, GB

NUT hex lock, 1/2 inch NC

1шт.

2

59369C1

GEAR

driven, 23 teeth

1шт.

2

94181C1

GEAR

driven, 20 teeth

1шт.

2

406764R1

PINION

GEAR driven, 27 teeth

1шт.

19258R1

LOCK NUT,1/2"-20, GB

NUT hex lock, 1/2 inch NC

1шт.

3

93835C91

PUMP, HYDRAULIC

PUMP hydraulic gear, sunstrand

2шт.

3

84573150R

REMAN-HYD PUMP

385 CASE IH TRACTOR (P.I.N. 5001 TO 5287 & P.I.N. 18001 & AFTER), PUMP hydraulic gear, sunstrand (1/86-12/90), Reman for New PN 93835C91

2шт.

3

84573150C

CORE-HYDRAULIC PUMP

Return Number

2шт.

124546

WOODRUFF KEY,#6, 5/32" x 5/8", HT

1шт.

1502030C1

SEAL KIT

KIT service, seals

1шт.

179829

BOLT,Hex, 5/16" - 18 x 2 3/4", Gr 5

4шт.

426444

BOLT,Hex, 5/16" - 18 x 3 1/4", Gr 5

hex, 5/16 NC x 3-1/4 inch, grade 5

4шт.

186271

SCREW,Hex, 5/16" - 18 x 3 3/4", Gr 5

BOLT - hex, 5/16 NC x 3-3/4 inch

2шт.

382331R1

SEALING WASHER,8.33mm ID x 12.7mm OD x 0.79mm Thk

pump mounting bolt

4шт.

4

544909R2

LARGE PLATE

PLATE pump mounting, 15 gpm pump

1шт.

4

59370C1

LARGE PLATE

PLATE pump mounting, 16 gpm pump

1шт.

5

401736R3

GASKET

multiple control valve HV

1шт.

6

707253R1

O-RING,-222, 70 Duro, 1.484" ID x .139" Thk

1-1/2 x 1/8 inch, class 5, Inlet port

1шт.

7

405458R2

LARGE PLATE

PLATE multiple control valve

1шт.

8

387926R2

RING

rectangular

1шт.

9

65000C3

GASKET

multiple control valve body

1шт.

10

369751R1

O-RING,0.072" Thk x 0.351" ID, -904, Cl 6, 90 Duro

4-1, 90 Duro, .351" ID x .072" Thk, 1/4 OD tube, class 6

1шт.

11

9410356

PLUG

O-ring boss, 7/16 inch NC

1шт.

12

66761C1

TUBE ASSY.

TUBE draft control return, Serial Range: -5287

1шт.

13

66764C1

PIPE

TUBE multiple control valve by pass

1шт.

13

1956744C1

HYD TUBE

TUBE draft control return, Start Serial: 18001

1шт.

14

9410204

HYD CONNECTOR,7/8"-14, 37 Degree x 7/8"-14, O-Ring

UNION short, 5/8 inch OD tube

2шт.

15

364885R1

O-RING,0.097" Thk x 0.755" ID, -910, Cl 6, 90 Duro

5/8 inch outside diameter

2шт.

Выбрано товаров: 31