Запчасти Case IH 385 (8-294) - AUXILIARY VALVES, BOSCH, P.I.N. 18001 AND AFTER (08) - HYDRAULICS

Схема запчастей Case IH 385 - (8-294) - AUXILIARY VALVES, BOSCH, P.I.N. 18001 AND AFTER (08) - HYDRAULICS
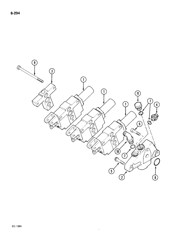
7
11
10
1
1
1
7
8
3
9
6
5
2
4
FIT
1:1
100%

Артикул

Название

Примечание

Количество

1

1287379C91

VALVE

double acting, without check valve, 1st, 2nd or 3rd bank

1шт.

1

1287384C91

VALVE

double acting, with check valve, 1st, 2nd or 3rd bank

1шт.

1328393C1

O-RING,2.5mm Thk x 26mm ID

26 x 2.5 mm

1шт.

1328382C1

O-RING,2.5mm Thk x 18mm ID

18 x 2.5 mm

1шт.

2

94070C1

PLATE

BLOCK control valve transfer

1шт.

Ref. 2, this is a Bosch valve and power beyond is already built into this control valve transfer block.

1шт.

3

89464C91

COVER

valve end

1шт.

4

9410204

HYD CONNECTOR,7/8"-14, 37 Degree x 7/8"-14, O-Ring

UNION short, 5/8 inch OD tube

1шт.

5

347756R1

12 PT SCREW,Flg, 3/8"-16 x 1 3/4"

SCREW, 12 point flanged, 3/8 NC x 1-3/4 inch

2шт.

6

61-33828

HEX SOC SCREW,3/8"-16 x 1 3/4"

SCREW cap, hex socket, 3/8 NC x 1-3/4 inch

1шт.

7

364885R1

O-RING,0.097" Thk x 0.755" ID, -910, Cl 6, 90 Duro

5/8 inch outside diameter

3шт.

8

379794R1

O-RING,0.103" Thk x 1.237" ID, -124, Cl 5, 75 Duro

1-1/4 x 3/16 inch, class 5

1шт.

9

31291R1

BOLT,Hex, M8 x 1.25 x 80mm, Cl 8.8

hex, M8 x 80 mm, class 8.8, use with 1 valve bank

3шт.

9

931628R1

BOLT,Hex, M8 x 1.25 x 120mm, Cl 8.8

hex, M8 x 120 mm, class 8.8, use with 2 valve bank

3шт.

9

31252R1

BOLT,Hex, M8 x 1.25 x 160mm, Cl 8.8

hex, M8 x 160 mm, class 8.8, use with 3 valve bank

3шт.

10

9410978

ELBOW,90 Degree, 7/8"-14, 37 Degree x 7/8"-14, O-Ring

90 degree, adjustable, 5/8 inch OD tube

1шт.

11

9410360

PLUG

O-ring boss, 5/8 inch NC

1шт.

1328394C1

SEAL KIT

KIT service, seals, for use on P/N 1287379C91 and 1287384C91

1шт.

1958016C1

REPAIR KIT

KIT service, check valve, for use on P/N 1287379C91 and 1287384C91

1шт.

1958026C1

BRACKET

auxiliary valve, for use on P/N 1287379C91 and 1287384C91

1шт.

1958025C1

SCREW

fillister, M6 x 12 mm, class 5.8, for use on P/N 1287379C91 and 1287384C91

1шт.

933833R1

LOCK WASHER,M6

WASHER lock, 6 mm, For use on P/N 1287379C91 and 1287384C91

1шт.

1958017C1

PACKAGE, REPAIR

KIT repair, check valve, For use on P/N 1287384C91

1шт.

Выбрано товаров: 23