Запчасти Case IH 385 (8-304) - SINGLE AUXILIARY HYDRAULIC VALVE (08) - HYDRAULICS

Схема запчастей Case IH 385 - (8-304) - SINGLE AUXILIARY HYDRAULIC VALVE (08) - HYDRAULICS
8
24
10
21
27
12
19
11
14
2
9
18
28
3
23
17
4
29
25
13
6
15
1
5
22
7
16
20
26
FIT
1:1
100%

Артикул

Название

Примечание

Количество

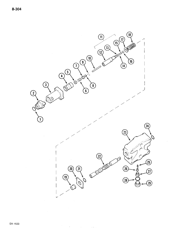
62464C94

VALVE

control, open center, Includes: Ref. 1 thru 29

1шт.

1

432539

HOLE PLUG BUTTON,7/16"

PLUG button, 7/16 inch

1шт.

2

62482C1

CAP

retaining

1шт.

26629R1

12 PT SCREW,Flg, 1/4" - 20 x 1"

SCREW, 12 point flanged, 1/4 NC x 1 inch, grade 8

2шт.

3

62478C1

HOUSING

sleeve

1шт.

26629R1

12 PT SCREW,Flg, 1/4" - 20 x 1"

SCREW, 12 point flanged, 1/4 NC x 1 inch, grade 8

2шт.

4

128034C1

SLEEVE

position control

1шт.

5

377803R1

PLUG

spring, retaining

1шт.

6

1272204C1

SPRING

detent

1шт.

7

62480C1

WASHER

detent actuating ball

1шт.

8

17013R1

BALL,13/32" Dia

1шт.

9

17007R1

BALL

chrome, 7/32 inch, Detent

3шт.

10

529905R1

PISTON

unlatching

3шт.

11

62474C91

BODY

actuating assembly, Includes: Ref. 12 thru 16

1шт.

12

NSS

NOT SOLD SEPARAT

BODY

1шт.

13

379795R1

O-RING,0.064" Thk x 0.301" ID, -903, Cl 6, 90 Duro

3-1, .301" ID x .064" Thk, 3/16 OD inch tube, class 6

1шт.

14

529903R1

WASHER

back up

1шт.

15

21587R1

O-RING,0.07" Thk x 0.114" ID, -6, Cl 6, 90 Duro

1/8 x 1/4 inch, class 6

1шт.

16

529904R1

RETAINER

O-ring

1шт.

17

62473C2

RETAINER

centering spring

1шт.

18

62472C1

SPRING

centering

1шт.

19

62471C1

SPRING CUP

CUP centering spring

1шт.

20

1252320C1

RETAINER

O-ring

1шт.

1263497C1

WASHER,16.02mm ID x 20.32mm OD x 0.51mm Thk

RING back up

1шт.

21

350429R1

O-RING,0.103" Thk x 0.612" ID, -114, Cl 5, 75 Duro

5/8 x 3/16 inch, class 5

1шт.

22

NSS

NOT SOLD SEPARAT

SPOOL valve

1шт.

23

NSS

NOT SOLD SEPARAT

BODY valve

1шт.

24

350429R1

O-RING,0.103" Thk x 0.612" ID, -114, Cl 5, 75 Duro

5/8 x 3/16 inch, class 5

1шт.

25

62470C1

SPRING

check valve

1шт.

26

108867C1

VALVE POPPET

reverse flow check

1шт.

27

108868C1

SEAT

reverse flow check valve

1шт.

28

570828R1

O-RING,0.087" Thk x 0.644" ID, -908, Cl 6, 90 Duro

1/2 inch OD tube, class 6

1шт.

29

9410359

PLUG

0-ring boss, 1/2 inch OD tube

1шт.

Выбрано товаров: 33