Запчасти Case IH 385 (8-312) - AUX. VALVES, DOUBLE, 2ND BANK, TRACTORS W/1ST BANK DOUBLE ACTING VALVE & HYD. DRAFT CONTROL (CONTD) (08) - HYDRAULICS

Схема запчастей Case IH 385 - (8-312) - AUX. VALVES, DOUBLE, 2ND BANK, TRACTORS W/1ST BANK DOUBLE ACTING VALVE & HYD. DRAFT CONTROL (CONTD) (08) - HYDRAULICS
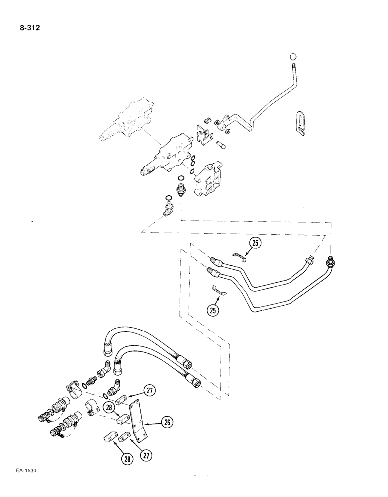
27
28
26
25
25
28
27
FIT
1:1
100%

Артикул

Название

Примечание

Количество

25

535301R1

CLAMP

rear outlet tube

2шт.

180081

BOLT,Hex, 5/16"-18 x 1 1/4", G5

hex, 5/16"-18 NC x 1-1/4", grade 5

1шт.

80681

LOCK WASHER,5/16"

WASHER, LOCK, 5/16"

1шт.

120376

NUT,5/16"-18, G5

1шт.

26

3129558R1

PLATE

coupling

1шт.

180081

BOLT,Hex, 5/16"-18 x 1 1/4", G5

hex, 5/16"-18 NC x 1-1/4", grade 5

2шт.

413-528

BOLT,Hex, 5/16" - 18 x 1-3/4", Gr 5

hex, 5/16 NC x 1-3/4 inch, grade 5

2шт.

413-540

BOLT,Hex, 5/16" - 18 x 2-1/2", Gr 5

hex, 5/16 NC x 2-1/2 inch, grade 5

2шт.

80681

LOCK WASHER,5/16"

WASHER, LOCK, 5/16"

6шт.

120376

NUT,5/16"-18, G5

6шт.

27

1500503C1

SPACER

coupling

2шт.

28

3129557R1

SPACER

coupling

2шт.

Выбрано товаров: 12